9KH30环模颗粒机全套图纸AutoCAD图档
图档名称为:9KH30环模颗粒机全套图纸,属于机械设备,非标机械分类,软件为AutoCAD, 图纸格式为dwg,可在线预览,可编辑,可供设计参考
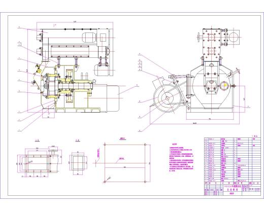
平面图
加入收藏
模型参数
模型ID:10239574
模型大小:6.49M
软件版本: AutoCAD 2007
模型格式:dwg
是否可编辑:可修改,包括参数
上传时间:2025-06-05
图纸介绍:
浊酒
+
关注
作品: 0
粉丝: 0
文件列表
1. 1ddef19595e8746d7fdbbec72e8f35d0.jpg
259 KB
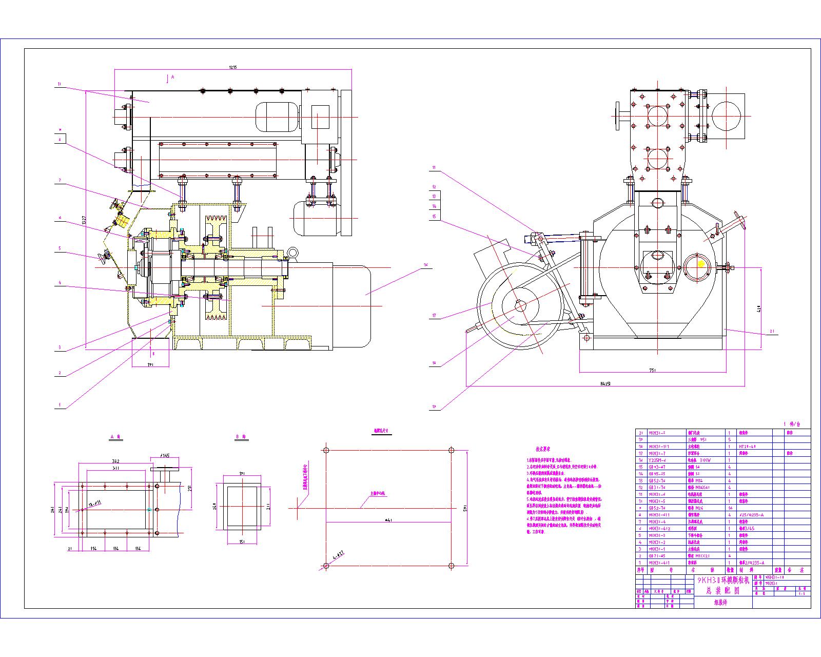
2. 9KH30-00总装配图.dwg
364 KB
3. 9KH30-1-101大皮带轮.dwg
134 KB
4. 9KH30-1-1压模罩焊合.dwg
141 KB
5. 9KH30-1-2-1-401上盖板.dwg
86.9 KB
6. 9KH30-1-2-1-601套.dwg
125 KB
7. 9KH30-1-2-1上盖板组合.dwg
147 KB
8. 9KH30-1-2-601张紧盖.dwg
123 KB
9. 9KH30-1-2-602连接杆.dwg
126 KB
10. 9KH30-1-2-603轴承盖.dwg
120 KB
11. 9KH30-1-2-604密封环.dwg
117 KB
12. 9KH30-1-2-605压棍.dwg
131 KB
13. 9KH30-1-2-606轴承隔套.dwg
113 KB
14. 9KH30-1-2-607套.dwg
110 KB
15. 9KH30-1-2-608涨环内圈.dwg
111 KB
16. 9KH30-1-2-609涨环外圈.dwg
110 KB
17. 9KH30-1-2-610张紧环体.dwg
123 KB
18. 9KH30-1-2-611偏心轴.dwg
156 KB
19. 9KH30-1-2-612隔套.dwg
109 KB
20. 9KH30-1-2压棍总成.dwg
179 KB
21. 9KH30-1-401安全销支板.dwg
118 KB
22. 9KH30-1-404挡片.dwg
133 KB
23. 9KH30-1-601压模罩底板.dwg
128 KB
24. 9KH30-1-602环模.dwg
202 KB
25. 9KH30-1-603耐磨环.dwg
137 KB
26. 9KH30-1-604压模座.dwg
240 KB
27. 9KH30-1-605间隔套.dwg
121 KB
28. 9KH30-1-606隔套.dwg
119 KB
29. 9KH30-1-607安全销.dwg
120 KB
30. 9KH30-1-608轴承压盖.dwg
128 KB
31. 9KH30-1-609主轴.dwg
176 KB
32. 9KH30-1-610抱箍(1).dwg
126 KB
33. 9KH30-1-611抱箍(2).dwg
125 KB
34. 9KH30-101主电机轮.dwg
164 KB
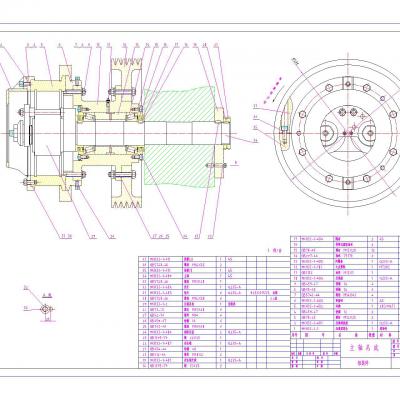
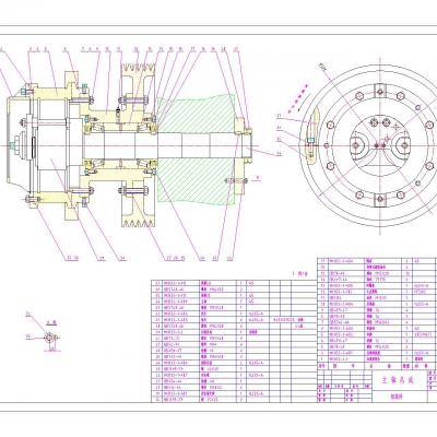
35. 9KH30-1主轴总成.dwg
481 KB
36. 9KH30-2-001主轴衬套.dwg
125 KB
37. 9KH30-2-1-401底板.dwg
112 KB
38. 9KH30-2-1底座焊合.dwg
135 KB
39. 9KH30-2-401压模罩支板.dwg
117 KB
40. 9KH30-2-404盖板.dwg
114 KB
41. 9KH30-2-405支板.dwg
115 KB
42. 9KH30-2-407右侧板.dwg
114 KB
43. 9KH30-2-408后侧板.dwg
127 KB
44. 9KH30-2-409U型支板.dwg
117 KB
45. 9KH30-2-410加强板.dwg
114 KB
46. 9KH30-2-411前侧板.dwg
120 KB
47. 9KH30-2-412后堵板.dwg
115 KB
48. 9KH30-2-413电机支座板.dwg
114 KB
49. 9KH30-2-414左侧板.dwg
116 KB
50. 9KH30-2-415垫板.dwg
112 KB
51. 9KH30-2-416门扣板.dwg
114 KB
52. 9KH30-2-417上盖板.dwg
113 KB
53. 9KH30-2-601铰链轴.dwg
111 KB
54. 9KH30-2-602轴承座.dwg
128 KB
55. 9KH30-2机座总成.dwg
243 KB
56. 9KH30-3-1-401门扣板.dwg
111 KB
57. 9KH30-3-1-402门轴座.dwg
115 KB
58. 9KH30-3-1上盖板焊合.dwg
137 KB
59. 9KH30-3-2-001橡胶板.dwg
113 KB
60. 9KH30-3-2-402保持架.dwg
114 KB
61. 9KH30-3-2-403支耳.dwg
114 KB
62. 9KH30-3-2-601导套.dwg
112 KB
63. 9KH30-3-2卸载门.dwg
127 KB
64. 9KH30-3-3-1磁盒.dwg
123 KB
65. 9KH30-3-3-401门板.dwg
114 KB
66. 9KH30-3-3-402磁铁底座.dwg
119 KB
67. 9KH30-3-3磁选门.dwg
143 KB
68. 9KH30-3-401上法兰.dwg
112 KB
69. 9KH30-3-402锁紧片.dwg
115 KB
70. 9KH30-3-403左右侧板.dwg
115 KB
71. 9KH30-3-404底板.dwg
124 KB
72. 9KH30-3-601手轮.dwg
119 KB
73. 9KH30-3-602手轮轴.dwg
126 KB
74. 9KH30-3-603销轴.dwg
127 KB
75. 9KH30-3下料斗组合.dwg
167 KB
76. 9KH30-4-1-401切刀.dwg
119 KB
77. 9KH30-4-1-601手柄杆.dwg
110 KB
78. 9KH30-4-1-602手柄.dwg
125 KB
79. 9KH30-4-1-603手柄轴.dwg
116 KB
80. 9KH30-4-1-604螺栓键.dwg
129 KB
81. 9KH30-4-1-605切刀杆.dwg
169 KB
82. 9KH30-4-1切刀总成.dwg
177 KB
83. 9KH30-4-2端板焊合.dwg
134 KB
84. 9KH30-4-401支架.dwg
116 KB
85. 9KH30-4-402加强板.dwg
117 KB
86. 9KH30-4-403压盖.dwg
113 KB
87. 9KH30-4-405筋板.dwg
112 KB
88. 9KH30-4-406围板.dwg
125 KB
89. 9KH30-4-407内圈.dwg
115 KB
90. 9KH30-4-408后面板.dwg
151 KB
91. 9KH30-4-409支座.dwg
114 KB
92. 9KH30-4-410锁紧板.dwg
126 KB
93. 9KH30-4-411手柄板.dwg
115 KB
94. 9KH30-4-412法兰.dwg
151 KB
95. 9KH30-4-601切刀导套.dwg
159 KB
96. 9KH30-4-602门轴.dwg
138 KB
97. 9KH30-4-603隔轴.dwg
78.2 KB
98. 9KH30-401密封板.dwg
151 KB
99. 9KH30-402刮料板.dwg
164 KB
100. 9KH30-4压模罩总成.dwg
139 KB
101. 9KH30-5-1-401侧板.dwg
103 KB
102. 9KH30-5-1-601密封环(1).dwg
99.6 KB
103. 9KH30-5-101喂料器轴皮带轮.dwg
161 KB
104. 9KH30-5-102调速器皮带轮.dwg
164 KB
105. 9KH30-5-103搅拌轴皮带轮.dwg
188 KB
106. 9KH30-5-104搅拌电机轮.dwg
162 KB
107. 9KH30-5-1侧板焊合.dwg
100 KB
108. 9KH30-5-2-601左轴头.dwg
96.6 KB
109. 9KH30-5-2-602圆管.dwg
198 KB
110. 9KH30-5-2-603右轴头.dwg
160 KB
111. 9KH30-5-2调质器轴焊合.dwg
120 KB
112. 9KH30-5-3-401浆叶.dwg
94.4 KB
113. 9KH30-5-3-601浆叶杆.dwg
92.9 KB
114. 9KH30-5-3-602浆叶垫片.dwg
91.1 KB
115. 9KH30-5-3浆叶焊合.dwg
94.6 KB
116. 9KH30-5-4-401左侧板.dwg
101 KB
117. 9KH30-5-4-402隔板(1).dwg
94.4 KB
118. 9KH30-5-4-403隔板(2).dwg
95.6 KB
119. 9KH30-5-4-404右侧板.dwg
205 KB
120. 9KH30-5-4-405蒸汽口法兰.dwg
158 KB
121. 9KH30-5-4-409支板(2).dwg
151 KB
122. 9KH30-5-4-413搅拌筒.dwg
156 KB
123. 9KH30-5-4-414喂料器筒.dwg
157 KB
124. 9KH30-5-4-415法兰.dwg
151 KB
125. 9KH30-5-4调质器体焊合.dwg
278 KB
126. 9KH30-5-601调节螺杆(1).dwg
148 KB
127. 9KH30-5-602垫圈.dwg
148 KB
128. 9KH30-5-603密封环(2).dwg
160 KB
129. 9KH30-5-604调节螺杆(2).dwg
148 KB
130. 9KH30-5调质器总成.dwg
300 KB
131. 9KH30-6-1-1上支板焊合.dwg
126 KB
132. 9KH30-6-1-401下支板(1).dwg
119 KB
133. 9KH30-6-1-402电机座板.dwg
126 KB
134. 9KH30-6-1-403转动块.dwg
120 KB
135. 9KH30-6-1-404下支板(2).dwg
121 KB
136. 9KH30-6-1电机座板焊合.dwg
144 KB
137. 9KH30-6-601支承丝杆.dwg
121 KB
138. 9KH30-6-602销轴(1).dwg
121 KB
139. 9KH30-6-603销轴(2).dwg
129 KB
140. 9KH30-601调节螺杆.dwg
148 KB
141. 9KH30-6电机座总成.dwg
145 KB
142. small5bd669cd7739545b2e9bc8c52c3ffba5.jpg
24.4 KB
143. small8ec4ee7cf3e6138227bbe1d242f06673.jpg
24.3 KB
144. smallbc6381f06a21f7ddda85c9df6d9adbdc.jpg
29.8 KB
145. 搬手(随机附件).dwg
97.9 KB
举报/反馈
免责申明:
本网站模型由用户自行上传,如权利人发现存在误传其作品情形,请及时与本站联系。
【9KH30环模颗粒机全套图纸】相关作品
模型报错
模型报错类型:
分类错误
版本错误
雷同或版权问题,重复ID
图片与模型不一致
文件不完整
解压文件打不开或有问题
模型报错描述:
联系方式
提交报错
提示
×
下载该图档需要消耗20金币!
确认下载
我和会话