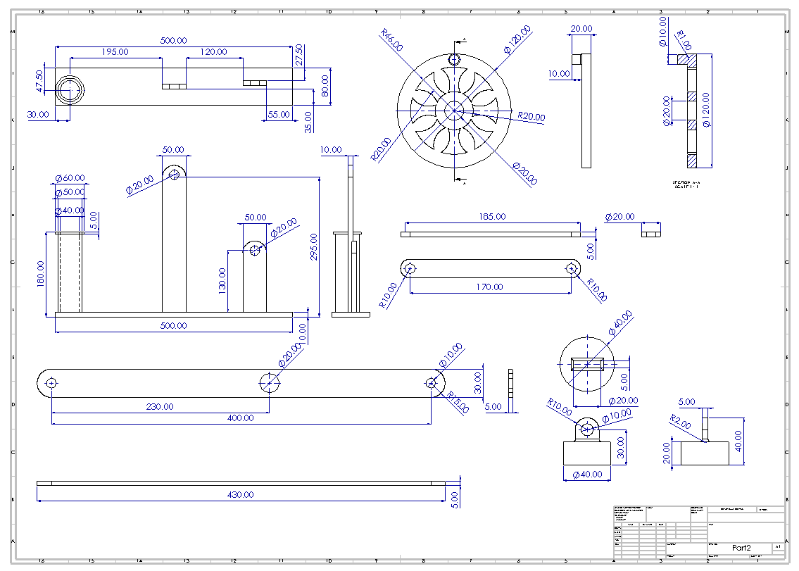
光束引擎机构设计SolidWorks 3D模型

机械图纸名称为:光束引擎机构设计,属于设备部件,传动部件分类,软件为SolidWorks, 三维模型格式为sldasm,sldprt,可在线预览,可编辑,可供设计参考

加入收藏
模型参数

模型ID:10420651

模型大小:1.6M

软件版本: SolidWorks

模型格式:sldasm,sldprt

是否可编辑:可修改,包括参数

上传时间:2026-04-21

图纸介绍:

下载模型
文件列表
1. Assem1.SLDASM
331 KB
2. BEAM ENGINE DESIGN.png
459 KB
3. Part2.SLDDRW
219 KB
4. Part2.SLDPRT
132 KB
5. Part3.SLDPRT
141 KB
6. Part4.SLDPRT
64.8 KB
7. Part5.SLDPRT
64.4 KB
8. Part6.SLDPRT
100 KB
9. Untitled.png
32.3 KB
10. Untitled1.png
49.6 KB
下载提示
×

下载该图档需要消耗20金币!

确认下载
-- 热门充值套餐 · 限时优惠 --
加载中