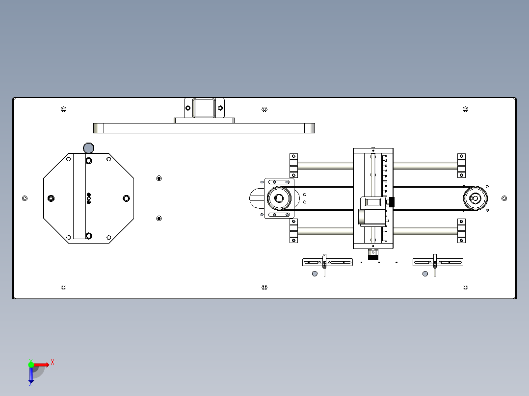
摄像头检测平面度设备(平面度检测机)stp 3D模型

机械图纸名称为:摄像头检测平面度设备(平面度检测机),属于数码电器,其它电器分类,软件为stp, 三维模型格式为,可在线预览,可编辑,可供设计参考

加入收藏
模型参数

模型ID:10406494

模型大小:1.49M

软件版本: stp

是否可编辑:可修改,包括参数

上传时间:2026-04-07

图纸介绍:

下载模型
文件列表
1. 摄像头检测平面度设备(平面度检测机).stp
9.19 MB
【摄像头检测平面度设备(平面度检测机)】相关作品
下载提示
×

下载该图档需要消耗10金币!

确认下载
-- 热门充值套餐 · 限时优惠 --
加载中