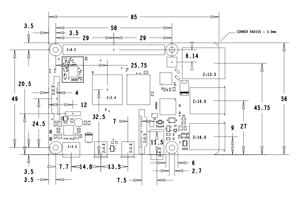
A0003967-树莓派 4B 型号SolidWorks 3D模型

机械图纸名称为:A0003967-树莓派 4B 型号,属于机械设备,非标机械分类,软件为SolidWorks, 三维模型格式为sldprt,可在线预览,可编辑,可供设计参考

加入收藏
模型参数

模型ID:10406144

模型大小:1.25M

软件版本: SolidWorks

模型格式:sldprt

是否可编辑:可修改,包括参数

上传时间:2026-04-07

图纸介绍:

下载模型
文件列表
1. 02- Raspberry pi 4B.SLDPRT
930 KB
2. Raspberry pi model 4B - dimensions.jpeg
114 KB
3. Raspberry pi model 4B-.jpeg
95 KB
4. Raspberry pi model 4B.jpeg
112 KB
下载提示
×

下载该图档需要消耗10金币!

确认下载
-- 热门充值套餐 · 限时优惠 --
加载中