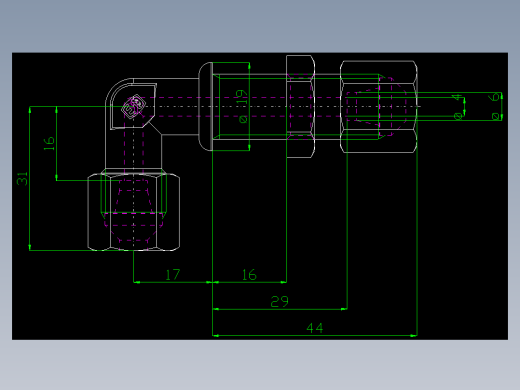
PARKER管接头EO Bulkhead elbow WSV16SOMD71(16)_frontAutoCAD图档

图档名称为:PARKER管接头EO Bulkhead elbow WSV16SOMD71(16)_front,属于设备部件,管道附件分类,软件为AutoCAD, 图纸格式为dwg,可在线预览,可编辑,可供设计参考

加入收藏
模型参数

模型ID:10404754

模型大小:21.49KB

软件版本: AutoCAD 2010

模型格式:dwg

是否可编辑:可修改,包括参数

上传时间:2026-04-03

图纸介绍:

下载模型
文件列表
1. EO Bulkhead elbow WSV16SOMD71(16)_front.dwg
26.8 KB
【PARKER管接头EO Bulkhead elbow WSV16SOMD71(16)_front】相关作品
下载提示
×

下载该图档需要消耗20金币!

确认下载
-- 热门充值套餐 · 限时优惠 --
加载中