300D343X-16C轴36L178蝶阀(含零件图)AutoCAD图档

图档名称为:300D343X-16C轴36L178蝶阀(含零件图),属于设备部件,管道附件分类,软件为AutoCAD, 图纸格式为dwg,pdf,可在线预览,可编辑,可供设计参考

加入收藏
模型参数

模型ID:10403653

模型大小:13.89M

软件版本: AutoCAD 2007

模型格式:dwg,pdf

是否可编辑:可修改,包括参数

上传时间:2026-04-02

图纸介绍:

下载模型
文件列表
1. hardcopy.log
0 B
2. plot.log
296 B
3. 压圈.bak
860 KB
4. 压圈.dwg
89.6 KB
5. 填料压盖d36.bak
862 KB
6. 填料压盖d36.dwg
93.6 KB
7. 密封圈.bak
864 KB
8. 密封圈.dwg
95.6 KB
9. 微信截图_20250104173513.png
416 KB
10. 微信截图_20250104173552.png
389 KB
11. 微信截图_20250104173648.png
97.5 KB
12. 微信截图_20250104173702.png
199 KB
13. 微信截图_20250104173712.png
129 KB
14. 微信截图_20250104173722.png
158 KB
15. 微信截图_20250104173731.png
125 KB
16. 微信截图_20250104173741.png
295 KB
17. 必看文档+STP如何打开+sw文件重命名.docx
1.84 MB
18. 支架.bak
865 KB
19. 支架.dwg
100 KB
20. 明细表.bak
107 KB
21. 明细表.dwg
106 KB
22. 端盖.bak
859 KB
23. 端盖.dwg
89.4 KB
24. 蝶板铸.bak
873 KB
25. 蝶板铸.dwg
104 KB
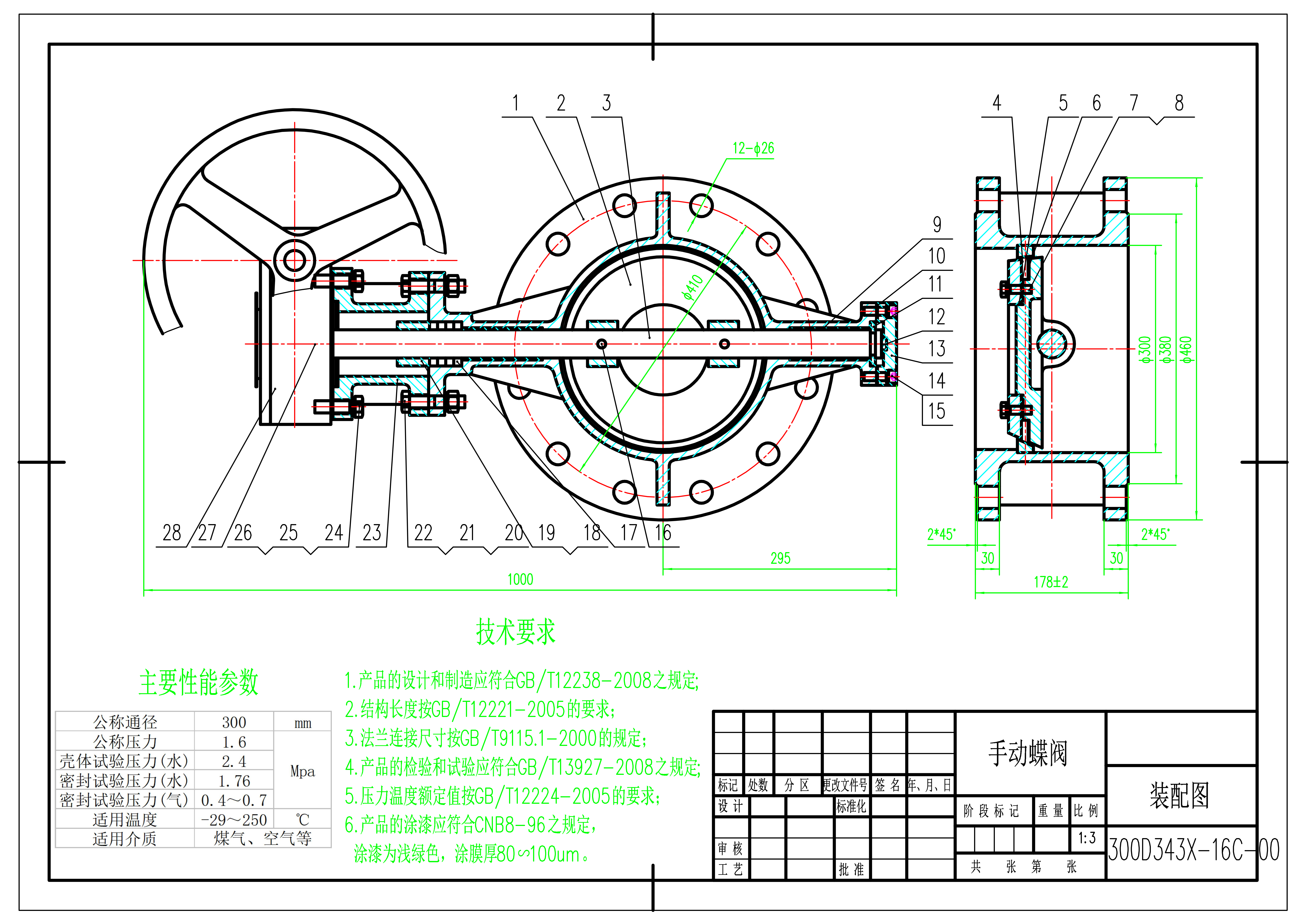
26. 装配图 Model (1).pdf
329 KB
27. 装配图 Model (1)_00.png
2.55 MB
28. 装配图.bak
155 KB
29. 装配图.dwg
156 KB
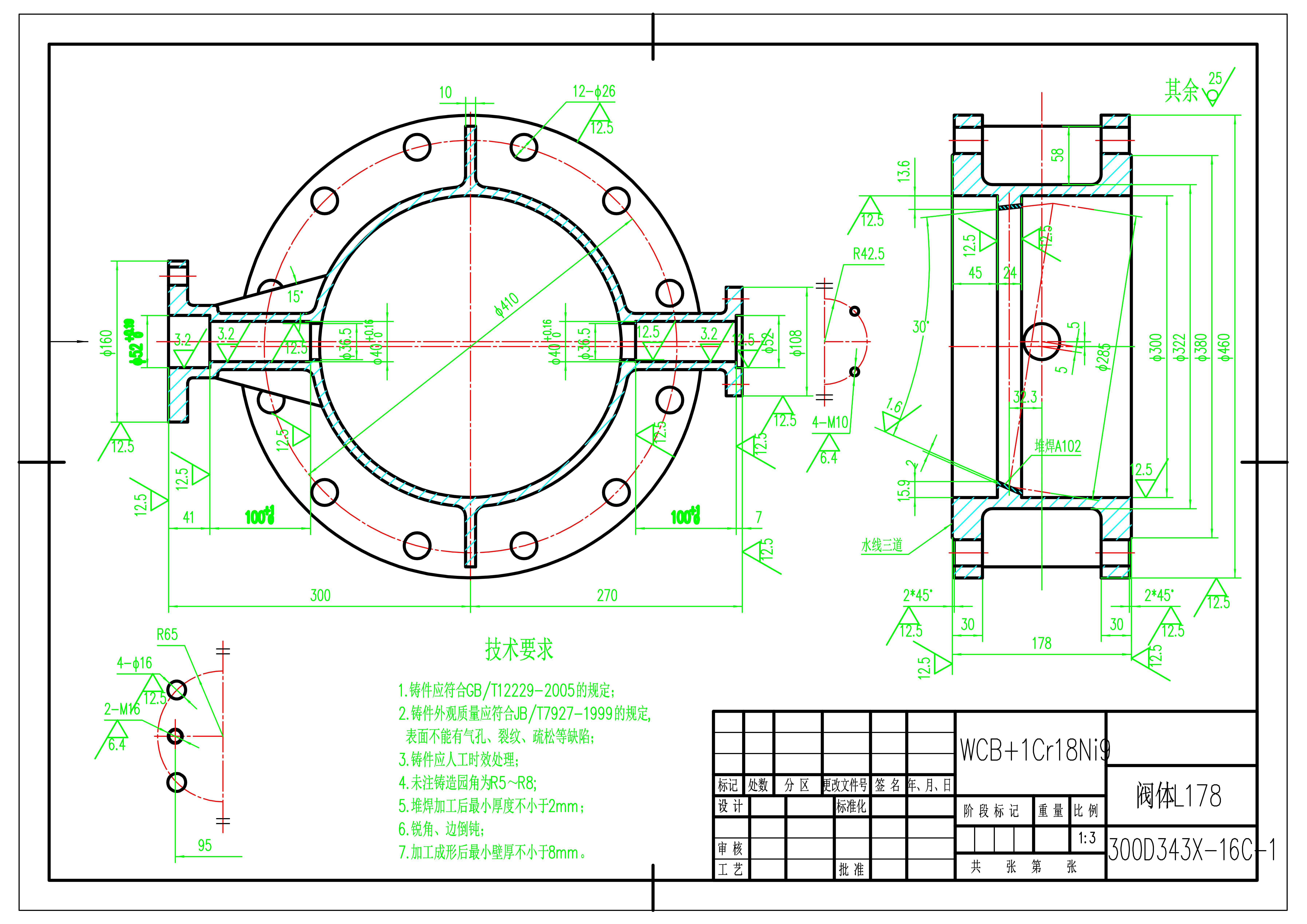
30. 阀体铸L178 Model (1).pdf
159 KB
31. 阀体铸L178 Model (1)_00.png
1.74 MB
32. 阀体铸L178.bak
901 KB
33. 阀体铸L178.dwg
133 KB
34. 阀轴.bak
863 KB
35. 阀轴.dwg
94.6 KB
下载提示
×

下载该图档需要消耗50金币!

确认下载
-- 热门充值套餐 · 限时优惠 --
加载中