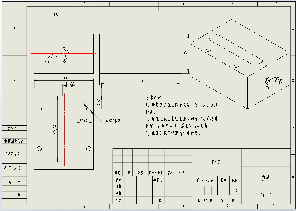
密封条冲切机构SolidWorks,AutoCAD 3D模型

机械图纸名称为:密封条冲切机构,属于设备部件,连接与密封分类,软件为SolidWorks,AutoCAD, 三维模型格式为sldprt,sldasm,dwg,pdf,可在线预览,可编辑,可供设计参考

加入收藏
模型参数

模型ID:10401460

模型大小:6.68M

软件版本: SolidWorks,AutoCAD 2016

模型格式:sldprt,sldasm,dwg,pdf

是否可编辑:可修改,包括参数

上传时间:2026-03-30

图纸介绍:

下载模型
文件列表
1. 001 模具.SLDDRW
149 KB
2. 001 模具.SLDPRT
153 KB
3. 002 刀具主刀.SLDDRW
158 KB
4. 002 刀具主刀.SLDPRT
114 KB
5. 003 刀具嵌刀-左.SLDDRW
121 KB
6. 003 刀具嵌刀-左.SLDPRT
69.9 KB
7. 004 刀具嵌刀.SLDDRW
120 KB
8. 004 刀具嵌刀.SLDPRT
70.1 KB
9. 005 底板.SLDDRW
163 KB
10. 005 底板.SLDPRT
148 KB
11. 006 面板.SLDDRW
169 KB
12. 006 面板.SLDPRT
100 KB
13. 007 气缸盖板.SLDDRW
137 KB
14. 007 气缸盖板.SLDPRT
79.9 KB
15. 008 顶柱.SLDDRW
135 KB
16. 008 顶柱.SLDPRT
86.4 KB
17. 009 模具顶柱.SLDDRW
99.1 KB
18. 009 模具顶柱.SLDPRT
81.6 KB
19. 010 连杆.SLDDRW
138 KB
20. 010 连杆.SLDPRT
131 KB
21. 65刀具.SLDASM
65.3 KB
22. 65刀具.SLDDRW
134 KB
23. PC1003.sldprt
163 KB
24. SDA80x40_0____.sldasm
152 KB
25. _SDA_80x4040_b_2.sldprt
176 KB
26. _SDA_80x4040_r_4.sldprt
38 KB
27. ~$模具.SLDPRT
11 B
28. 侧视图.png
53.4 KB
29. 俯视图.png
40 KB
30. 刀具工程图.png
36.8 KB
31. 密封条冲切机构-65-加工图.DWG
132 KB
32. 密封条冲切机构-65.DWG
350 KB
33. 密封条冲切机构-65.PDF
315 KB
34. 密封条冲切机构-65.SLDASM
492 KB
35. 密封条冲切机构-65.SLDDRW
1.76 MB
36. 工程图总装.png
136 KB
37. 支撑条1.SLDDRW
101 KB
38. 模具工程图.png
46.5 KB
39. 正视图.png
51 KB
40. 细节图.png
140 KB
41. 轴测图.png
157 KB
下载提示
×

下载该图档需要消耗20金币!

确认下载
-- 热门充值套餐 · 限时优惠 --
加载中