玻璃成型机电控制系统设计含7张CAD图AutoCAD图档

图档名称为:玻璃成型机电控制系统设计含7张CAD图,属于机械设备,非标机械分类,软件为AutoCAD, 图纸格式为pdf,dwg,可在线预览,可编辑,可供设计参考

加入收藏
模型参数

模型ID:10400351

模型大小:7.9M

软件版本: AutoCAD 2004

模型格式:pdf,dwg

是否可编辑:可修改,包括参数

上传时间:2026-03-29

图纸介绍:

下载模型
文件列表
1. 1字数.JPG
61.2 KB
2. 2摘要.JPG
93.1 KB
3. 3设计所包含文件.jpg
117 KB
4. 4目录.JPG
521 KB
5. C50简介-玻璃成型机电控制系统设计含7张CAD图.pdf
862 KB
6. 丝杠A1.dwg
66.2 KB
7. 丝杠A1.gif
8.78 KB
8. 前仓A2.dwg
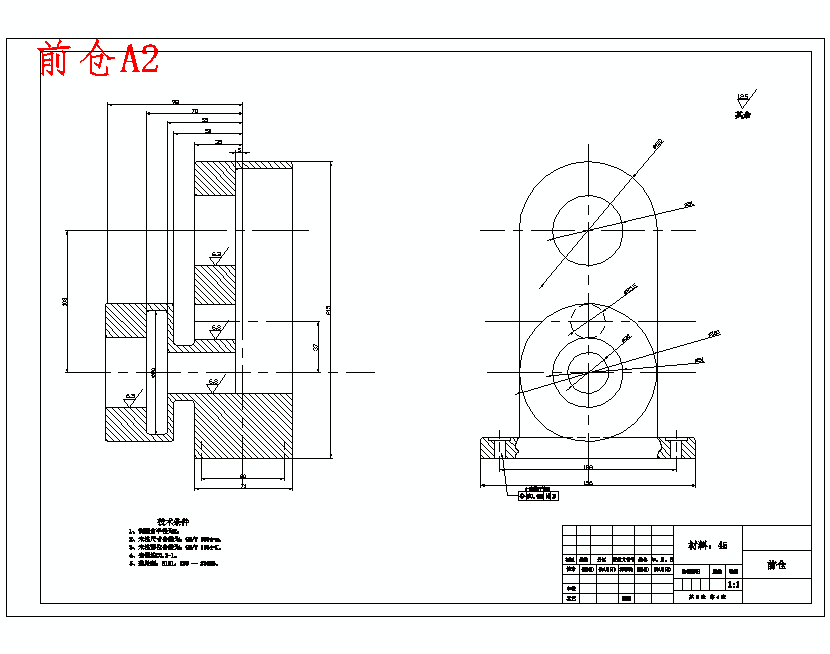
76.9 KB
9. 前仓A2.gif
14.8 KB
10. 后仓A2.dwg
55.4 KB
11. 后仓A2.gif
12.7 KB
12. 外文翻译.doc
2.47 MB
13. 字数.JPG
61.2 KB
14. 底座A1.dwg
56.5 KB
15. 底座A1.gif
10.6 KB
16. 电路图A2.dwg
47.9 KB
17. 电路图A2.gif
21.7 KB
18. 装配图A0.dwg
188 KB
19. 装配图A0.gif
19.2 KB
20. 设计说明书.doc
4.73 MB
21. 说明书-玻璃成型机电控制系统设计.doc
2.36 MB
22. 齿轮A2.dwg
50 KB
23. 齿轮A2.gif
13.6 KB
【玻璃成型机电控制系统设计含7张CAD图】相关作品
下载提示
×

下载该图档需要消耗20金币!

确认下载
-- 热门充值套餐 · 限时优惠 --
加载中