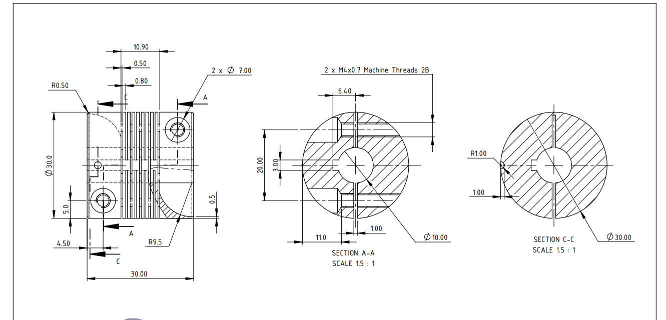
精密弹性弹簧联轴器SolidWorks 3D模型

机械图纸名称为:精密弹性弹簧联轴器,属于设备部件,传动部件分类,软件为SolidWorks, 三维模型格式为sldprt,可在线预览,可编辑,可供设计参考

加入收藏
模型参数

模型ID:10387186

模型大小:2.6M

软件版本: SolidWorks

模型格式:sldprt

是否可编辑:可修改,包括参数

上传时间:2026-03-12

图纸介绍:

下载模型
作品: 274
粉丝: 0
文件列表
1. Part1-Bracket_electric.SLDDRW
137 KB
2. Part1-Bracket_electric.SLDPRT
200 KB
3. Part2-Bracket_electric.SLDDRW
132 KB
4. Part2-Bracket_electric.SLDPRT
209 KB
5. Part_211-AC1-type2.SLDPRT
407 KB
6. Part_211-AC1a.SLDPRT
408 KB
7. Rod Eye.SLDPRT
221 KB
8. Spring_coupling.SLDPRT
379 KB
9. impeller.SLDPRT
410 KB
10. ss-2d.png
98.5 KB
下载提示
×

下载该图档需要消耗10金币!

确认下载
-- 热门充值套餐 · 限时优惠 --
加载中