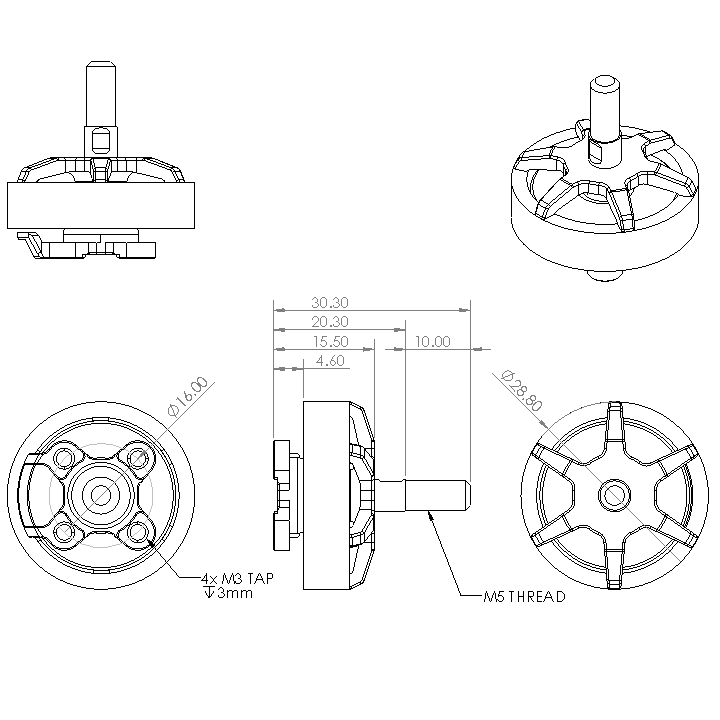
A0002759-无刷电机 2305 - 2400kvstep 3D模型

机械图纸名称为:A0002759-无刷电机 2305 - 2400kv,属于设备部件,电机减速机分类,软件为step, 三维模型格式为step,可在线预览,可编辑,可供设计参考

加入收藏
模型参数

模型ID:10387016

模型大小:1.44M

软件版本: step

模型格式:step

是否可编辑:可修改,不包括参数

上传时间:2026-03-12

图纸介绍:

下载模型
作品: 288
粉丝: 0
文件列表
1. Belt Drive 2305.jpg
316 KB
2. BeltDrive2305.STEP
1.07 MB
3. BeltDrive2305.png
29.3 KB
下载提示
×

下载该图档需要消耗10金币!

确认下载
-- 热门充值套餐 · 限时优惠 --
加载中