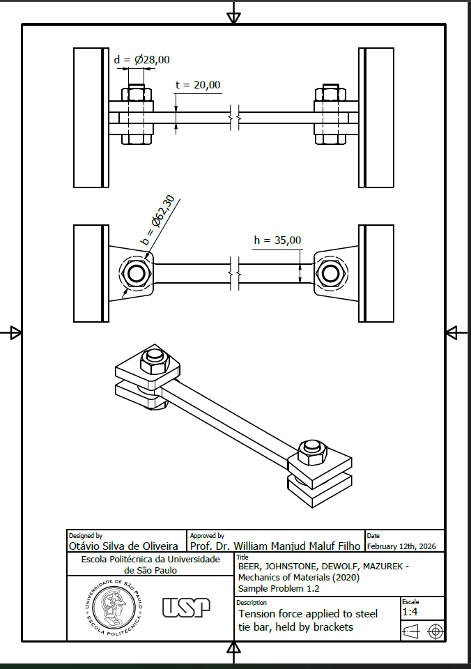
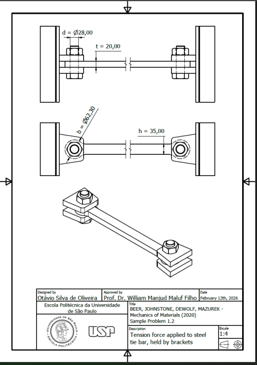
钢拉杆stl,stp 3D模型

机械图纸名称为:钢拉杆,属于机械设备,非标机械分类,软件为stl,stp, 三维模型格式为stl,pdf,可在线预览,可编辑,可供设计参考

加入收藏
模型参数

模型ID:10385551

模型大小:610.4KB

软件版本: stl,stp

模型格式:stl,pdf

是否可编辑:可修改,包括参数

上传时间:2026-03-10

图纸介绍:

下载模型
文件列表
1. Beer_Sample_problem_1_2.png
51.4 KB
2. Beer_Sample_problem_1_2.stl
177 KB
3. Beer_Sample_problem_1_2.stp
124 KB
4. Beer_Sample_problem_1_2_TD.pdf
156 KB
5. Beer_Sample_problem_1_2_TD.png
86.6 KB
下载提示
×

下载该图档需要消耗10金币!

确认下载
-- 热门充值套餐 · 限时优惠 --
加载中