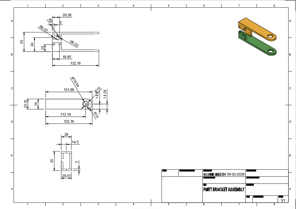
机器装配支架step 3D模型

机械图纸名称为:机器装配支架,属于机械设备,钢结构支架分类,软件为step, 三维模型格式为step,可在线预览,可编辑,可供设计参考

加入收藏
模型参数

模型ID:10379826

模型大小:354.03KB

软件版本: step

模型格式:step

是否可编辑:可修改,不包括参数

上传时间:2026-03-03

图纸介绍:

下载模型
文件列表
1. BRACKET.step
51.8 KB
2. Screenshot 2026-02-06 151104.png
148 KB
3. Screenshot 2026-02-06 151110.png
55.8 KB
4. Screenshot 2026-02-06 151117.png
37.9 KB
5. Screenshot 2026-02-06 151522.png
51.4 KB
下载提示
×

下载该图档需要消耗10金币!

确认下载
-- 热门充值套餐 · 限时优惠 --
加载中