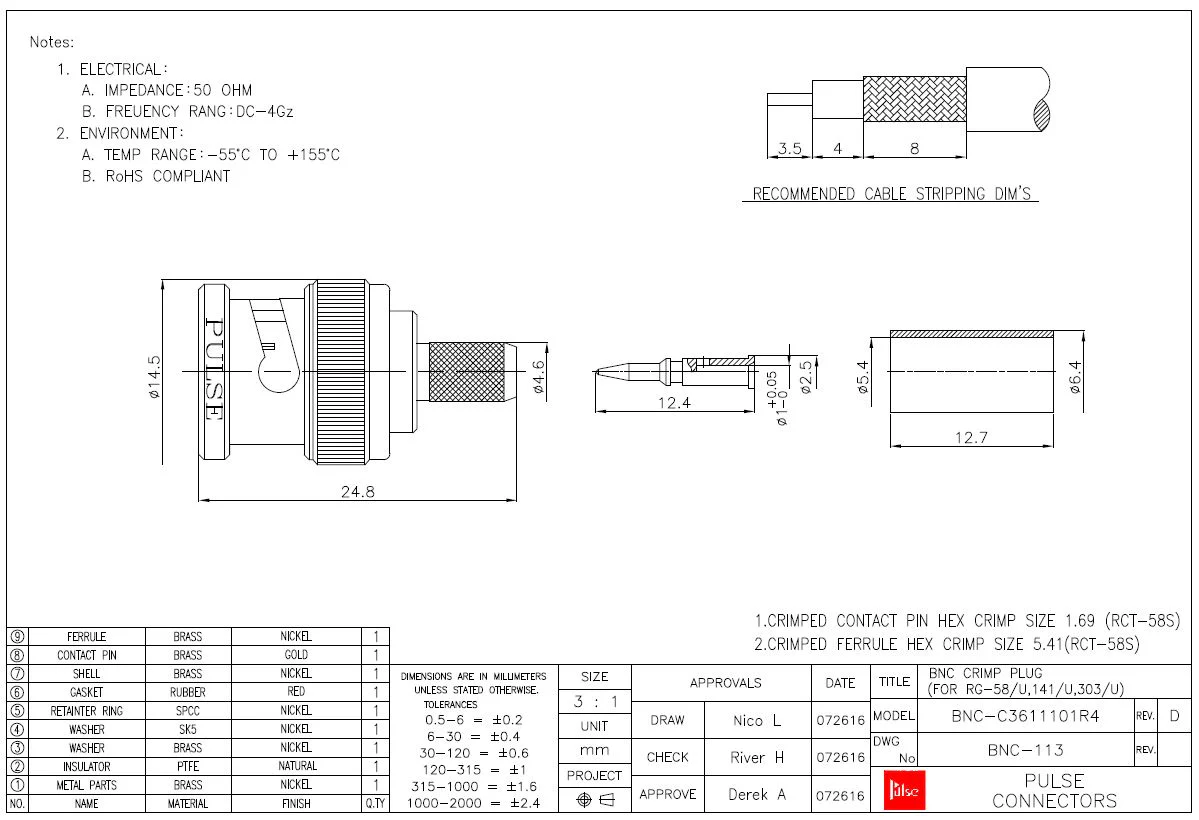
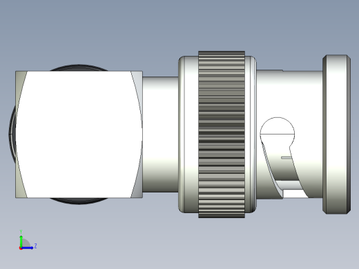
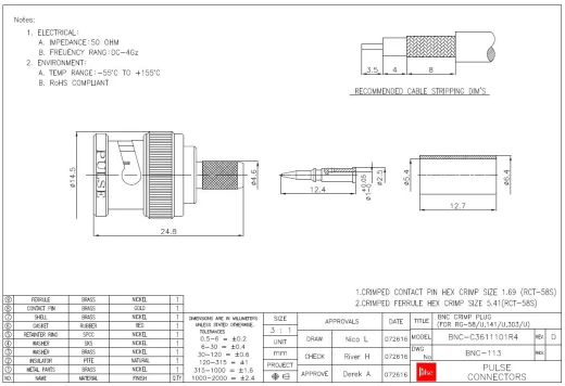
A0002452-BNC连接器(公头)RG58stp 3D模型

机械图纸名称为:A0002452-BNC连接器(公头)RG58,属于机械设备,非标机械分类,软件为stp, 三维模型格式为pdf,可在线预览,可编辑,可供设计参考

加入收藏
模型参数

模型ID:10376714

模型大小:2.67M

软件版本: stp

模型格式:pdf

是否可编辑:可修改,包括参数

上传时间:2026-02-25

图纸介绍:

下载模型
文件列表
1. RFI-BNC-113_RG58_Male_Crimp_Specs.jpg
70.9 KB
2. bnc90.pdf
298 KB
3. bnc_rg58_90deg.stp
1.14 MB
4. bnc_rg58_straight.stp
1.1 MB
下载提示
×

下载该图档需要消耗10金币!

确认下载
-- 热门充值套餐 · 限时优惠 --
加载中