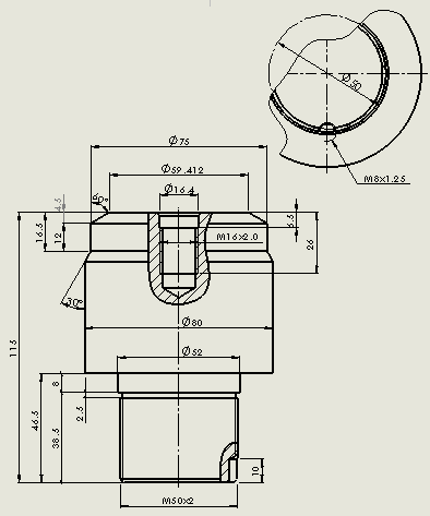
高压液压缸 95x80x21.5 mmSolidWorks 3D模型

机械图纸名称为:高压液压缸 95x80x21.5 mm,属于设备部件,液压气动元件分类,软件为SolidWorks, 三维模型格式为sldprt,sldasm,可在线预览,可编辑,可供设计参考

加入收藏
模型参数

模型ID:10376661

模型大小:1.27M

软件版本: SolidWorks

模型格式:sldprt,sldasm

是否可编辑:可修改,包括参数

上传时间:2026-02-25

图纸介绍:

下载模型
文件列表
1. 1.png
8.44 KB
2. End Cap.SLDPRT
109 KB
3. Part6.SLDPRT
71.3 KB
4. Part8.SLDPRT
163 KB
5. Piston.SLDPRT
140 KB
6. Rod.SLDPRT
144 KB
7. S2006.SLDASM
154 KB
8. S2006.SLDDRW
480 KB
下载提示
×

下载该图档需要消耗10金币!

确认下载
-- 热门充值套餐 · 限时优惠 --
加载中