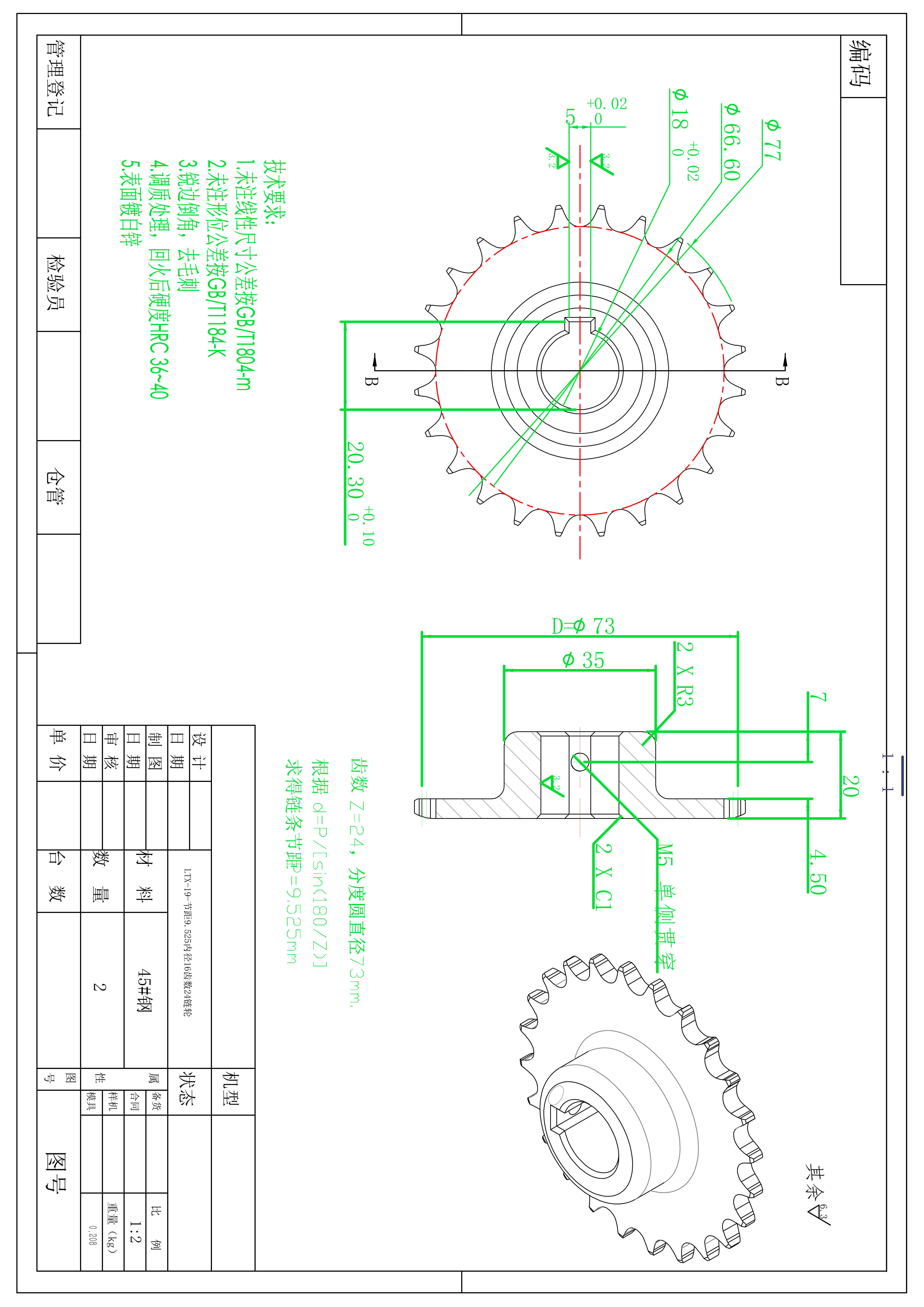
LTX-19-节距9.525内径16齿数24链轮AutoCAD 3D模型

机械图纸名称为:LTX-19-节距9.525内径16齿数24链轮,属于设备部件,传动部件分类,软件为AutoCAD, 三维模型格式为pdf,dwg,可在线预览,可编辑,可供设计参考

加入收藏
模型参数

模型ID:10374280

模型大小:2.9M

软件版本: AutoCAD

模型格式:pdf,dwg

是否可编辑:可修改,包括参数

上传时间:2026-02-21

图纸介绍:

下载模型
文件列表
1. 1_00.png
885 KB
2. 20240712_210246.jpg
345 KB
3. LTX-19-节距9.525内径16齿数24链轮 Model (1).pdf
166 KB
4. LTX-19-节距9.525内径16齿数24链轮 Model (1)_00.png
1.72 MB
5. “zongzhuangtu”.DWG
157 KB
下载提示
×

下载该图档需要消耗10金币!

确认下载
-- 热门充值套餐 · 限时优惠 --
加载中