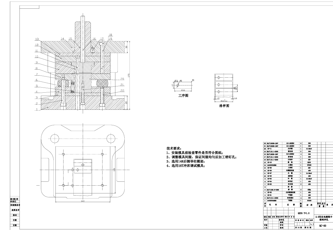
D0695-2.5兆瓦电源线卡落料冲孔倒装复合模设计CAD+说明书==509246=300AutoCAD图档

图档名称为:D0695-2.5兆瓦电源线卡落料冲孔倒装复合模设计CAD+说明书==509246=300,属于机械设备,非标机械分类,软件为AutoCAD, 图纸格式为pdf,dwg,可在线预览,可编辑,可供设计参考

加入收藏
模型参数

模型ID:10365713

模型大小:3.79M

软件版本: AutoCAD 2004

模型格式:pdf,dwg

是否可编辑:可修改,包括参数

上传时间:2026-01-10

图纸介绍:

下载模型
作品: 262
粉丝: 0
文件列表
1. 2.5兆瓦电源线卡.PDF
734 KB
2. 2.5兆瓦电源线卡.dwg
402 KB
3. 下模板,下垫板.png
31.2 KB
4. 下模板,下垫板.png
31.2 KB
5. 产品图.png
17.8 KB
6. 产品图.png
17.8 KB
7. 凹模,退料板,凸模.png
28.7 KB
8. 凹模,退料板,凸模.png
28.7 KB
9. 刃口尺寸计算.png
53.7 KB
10. 刃口尺寸计算.png
53.7 KB
11. 压力计算,压力机选择.png
60.3 KB
12. 压力计算,压力机选择.png
60.3 KB
13. 固定板,上垫板,上模板.png
34.3 KB
14. 固定板,上垫板,上模板.png
34.3 KB
15. 固定板,卸料板.png
26.9 KB
16. 固定板,卸料板.png
26.9 KB
17. 字数统计,目录.png
56.1 KB
18. 字数统计,目录.png
56.1 KB
19. 展开尺寸计算.png
54.5 KB
20. 展开尺寸计算.png
54.5 KB
21. 工艺分析.png
58.5 KB
22. 工艺分析.png
58.5 KB
23. 微信截图_20240630171302.png
69.3 KB
24. 微信截图_20240630171317.png
174 KB
25. 微信截图_20240630171323.png
182 KB
26. 微信截图_20240630171340.png
246 KB
27. 排样设计.png
50.2 KB
28. 排样设计.png
50.2 KB
29. 标准件选择,结论.png
64.9 KB
30. 标准件选择,结论.png
64.9 KB
31. 模具零件设计.png
64.1 KB
32. 模具零件设计.png
64.1 KB
33. 模柄.png
29.2 KB
34. 模柄.png
29.2 KB
35. 装配图.png
35.2 KB
36. 装配图.png
35.2 KB
37. 说明书 (1).pdf
347 KB
38. 说明书.doc
245 KB
39. 说明书.pdf
347 KB
40. 零件设计.png
63.2 KB
41. 零件设计.png
63.2 KB
【D0695-2.5兆瓦电源线卡落料冲孔倒装复合模设计CAD+说明书==509246=300】相关作品
下载提示
×

下载该图档需要消耗20金币!

确认下载
-- 热门充值套餐 · 限时优惠 --
加载中