2G023--秸秆粉碎机的设计AutoCAD图档

图档名称为:2G023--秸秆粉碎机的设计,属于机械设备,非标机械分类,软件为AutoCAD, 图纸格式为dwg,可在线预览,可编辑,可供设计参考

加入收藏
模型参数

模型ID:10357432

模型大小:1.08M

软件版本: AutoCAD 2010

模型格式:dwg

是否可编辑:可修改,包括参数

上传时间:2025-12-28

图纸介绍:

下载模型
栖梧桐
作品: 0
粉丝: 0
文件列表
1. 主轴A2.dwg
95.8 KB
2. 农业耕作-中英文翻译.doc
58 KB
3. 刀辊轴A2.dwg
84.8 KB
4. 开题报告.doc
69.5 KB
5. 机架A0.dwg
254 KB
6. 装配图A0.dwg
293 KB
7. 说明书.doc
1.86 MB
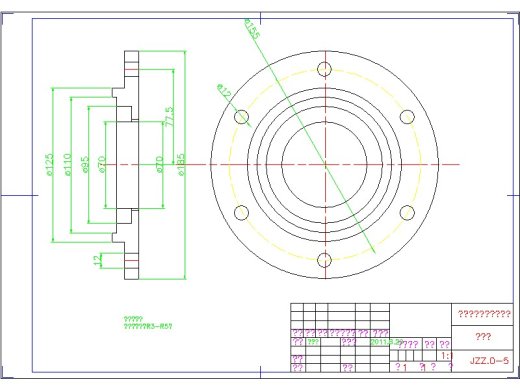
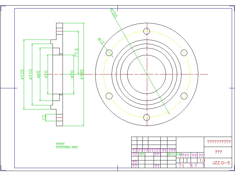
8. 轴承盖A3-Model.jpg
90.3 KB
9. 轴承盖A3.dwg
68.3 KB
10. 链轮A1.dwg
87.2 KB
11. 锥齿轮A1.dwg
128 KB
【2G023--秸秆粉碎机的设计】相关作品
滚动更载更多~
提示
×

下载该图档需要消耗10金币!

确认下载
加载中