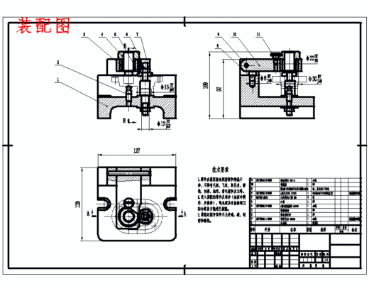
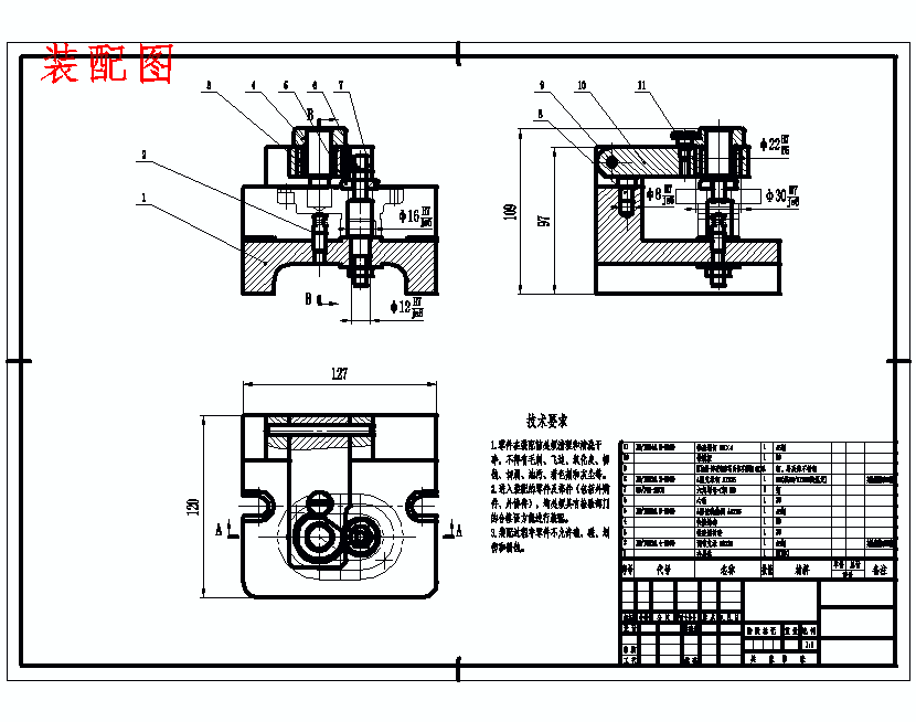
油泵盖右端盖的钻Φ16H7深11孔夹具设计及加工工艺装备规程含4张CAD图AutoCAD图档

图档名称为:油泵盖右端盖的钻Φ16H7深11孔夹具设计及加工工艺装备规程含4张CAD图,属于交通运输,车辆相关分类,软件为AutoCAD, 图纸格式为dwg,可在线预览,可编辑,可供设计参考

加入收藏
模型参数

模型ID:10356889

模型大小:1.67M

软件版本: AutoCAD 2004

模型格式:dwg

是否可编辑:可修改,包括参数

上传时间:2025-12-28

图纸介绍:

下载模型
采绿
作品: 0
粉丝: 0
文件列表
1. 1字数.JPG
62.1 KB
2. 2说明书前三页.JPG
397 KB
3. 3设计所包含文件.JPG
24.7 KB
4. 4夹具设计部分.JPG
416 KB
5. 5过程卡.JPG
137 KB
6. 6工序卡.JPG
117 KB
7. 夹具体零件图.dwg
38.5 KB
8. 夹具体零件图.gif
15.4 KB
9. 夹具装配图.dwg
68.5 KB
10. 字数.JPG
62.1 KB
11. 工序卡.doc
57 KB
12. 工艺过程卡.doc
44 KB
13. 毛坯图.dwg
17.3 KB
14. 毛坯图.gif
15.2 KB
15. 端盖零件图.dwg
25 KB
16. 端盖零件图.gif
15.7 KB
17. 装配图.gif
18.8 KB
18. 说明书-油泵盖右端盖的加工工艺规程及钻Φ16H7深11孔夹具设计-工装.doc
870 KB
【油泵盖右端盖的钻Φ16H7深11孔夹具设计及加工工艺装备规程含4张CAD图】相关作品
滚动更载更多~
提示
×

下载该图档需要消耗10金币!

确认下载
加载中