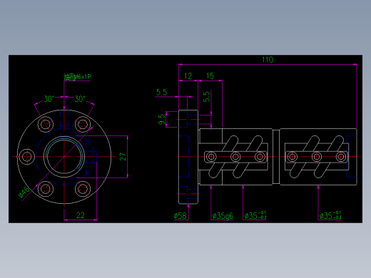
银泰PMI-FOIC03205T3(2)-BAutoCAD图档

图档名称为:银泰PMI-FOIC03205T3(2)-B,属于机械设备,非标机械分类,软件为AutoCAD, 图纸格式为dwg,可在线预览,可编辑,可供设计参考

加入收藏
模型参数

模型ID:10349881

模型大小:56.41KB

软件版本: AutoCAD 2000

模型格式:dwg

是否可编辑:可修改,包括参数

上传时间:2025-12-22

图纸介绍:

下载模型
故人长绝
作品: 0
粉丝: 0
文件列表
1. FOIC03205T3(2)-B.dwg
143 KB
【银泰PMI-FOIC03205T3(2)-B】相关作品
滚动更载更多~
提示
×

下载该图档需要消耗10金币!

确认下载
加载中