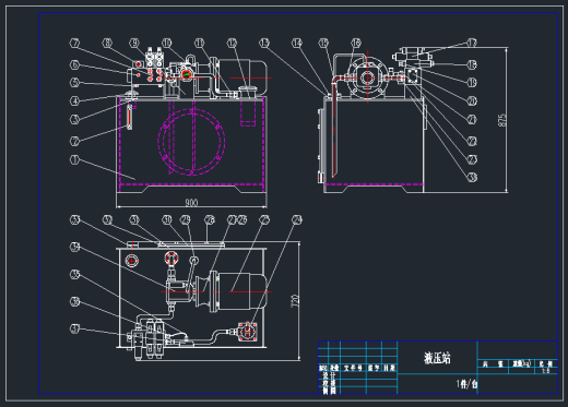
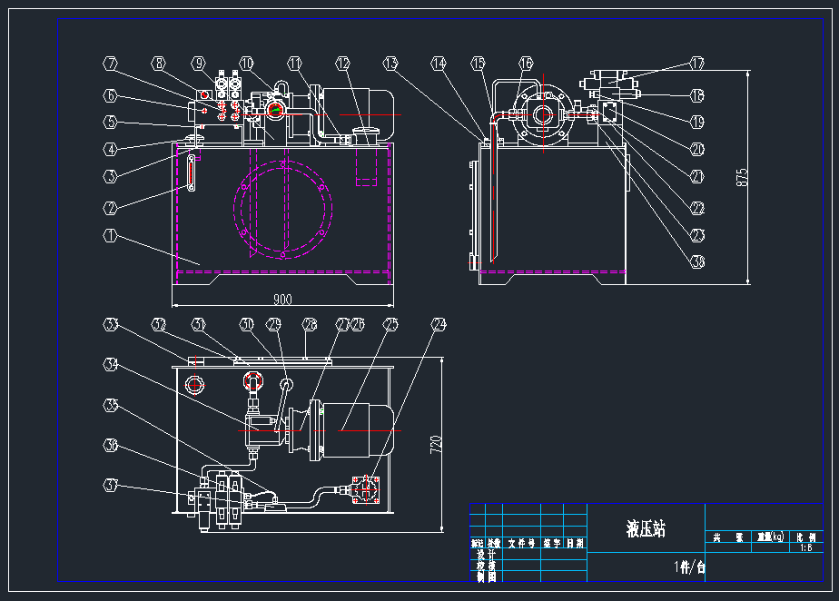
小型液压站CAD图纸AutoCAD图档

图档名称为:小型液压站CAD图纸,属于设备部件,液压气动元件分类,软件为AutoCAD, 图纸格式为dwg,可在线预览,可编辑,可供设计参考

加入收藏
模型参数

模型ID:10347916

模型大小:687.95KB

软件版本: AutoCAD 2010

模型格式:dwg

是否可编辑:可修改,包括参数

上传时间:2025-12-20

图纸介绍:

下载模型
知意
作品: 0
粉丝: 0
文件列表
1. 小型液压站CAD图纸.dwg
798 KB
2. 总装图.png
39 KB
3. 油箱.png
23.2 KB
4. 钟型罩.png
34.5 KB
5. 阀块.png
36.1 KB
【小型液压站CAD图纸】相关作品
滚动更载更多~
提示
×

下载该图档需要消耗10金币!

确认下载
加载中