QC286-五十铃轻型货车驱动桥设计[全套CAD和文档]AutoCAD图档

图档名称为:QC286-五十铃轻型货车驱动桥设计[全套CAD和文档],属于交通运输,车辆工程分类,软件为AutoCAD, 图纸格式为dwg,可在线预览,可编辑,可供设计参考

加入收藏
模型参数

模型ID:10335563

模型大小:14.78M

软件版本: AutoCAD 2007

模型格式:dwg

是否可编辑:可修改,包括参数

上传时间:2025-12-09

图纸介绍:

下载模型
枕书眠
作品: 0
粉丝: 0
文件列表
1. 主动齿轮A1.dwg
632 KB
2. 主动齿轮A1.dwg
632 KB
3. 主动齿轮A1.gif
10.7 KB
4. 从动齿轮A1.dwg
610 KB
5. 从动齿轮A1.dwg
610 KB
6. 从动齿轮A1.gif
12.4 KB
7. 任务书.doc
119 KB
8. 任务书.doc
119 KB
9. 任务书.doc
119 KB
10. 全部文件.gif
14.7 KB
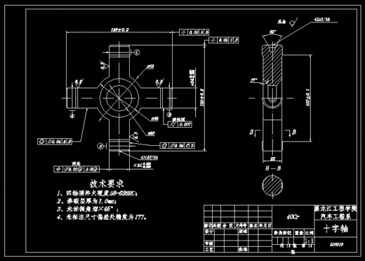
11. 十字轴A3.dwg
675 KB
12. 十字轴A3.dwg
675 KB
13. 十字轴A3.gif
13.9 KB
14. 半轴A1.dwg
639 KB
15. 半轴A1.dwg
639 KB
16. 半轴A1.gif
10.1 KB
17. 半轴套管A1.dwg
582 KB
18. 半轴套管A1.dwg
582 KB
19. 半轴套管A1.gif
8.19 KB
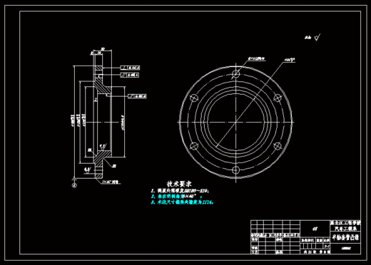
20. 半轴套管凸缘A2.dwg
661 KB
21. 半轴套管凸缘A2.dwg
661 KB
22. 半轴套管凸缘A2.gif
11.9 KB
23. 半轴齿轮A3.dwg
703 KB
24. 半轴齿轮A3.dwg
703 KB
25. 半轴齿轮A3.gif
13.4 KB
26. 封皮.doc
107 KB
27. 封皮.doc
107 KB
28. 开题报告.doc
140 KB
29. 开题报告.doc
140 KB
30. 目录.doc
59.3 KB
31. 行星齿轮A3.dwg
667 KB
32. 行星齿轮A3.dwg
667 KB
33. 行星齿轮A3.gif
14.9 KB
34. 装配图A0加长.dwg
881 KB
35. 装配图A0加长.dwg
881 KB
36. 装配图A0加长.gif
14.6 KB
37. 设计说明书.doc
2.62 MB
38. 设计说明书.doc
2.62 MB
39. 过程管理.doc
228 KB
40. 过程管理.doc
228 KB
【QC286-五十铃轻型货车驱动桥设计[全套CAD和文档]】相关作品
滚动更载更多~
提示
×

下载该图档需要消耗50金币!

确认下载
加载中