悬停式双膜片弹簧变速机构设计AutoCAD,step,SolidWorks图档
图档名称为:悬停式双膜片弹簧变速机构设计,属于设备部件,工器具分类,软件为AutoCAD,step,SolidWorks, 图纸格式为sldprt,pdf,sldasm,dwg,step,可在线预览,可编辑,可供设计参考
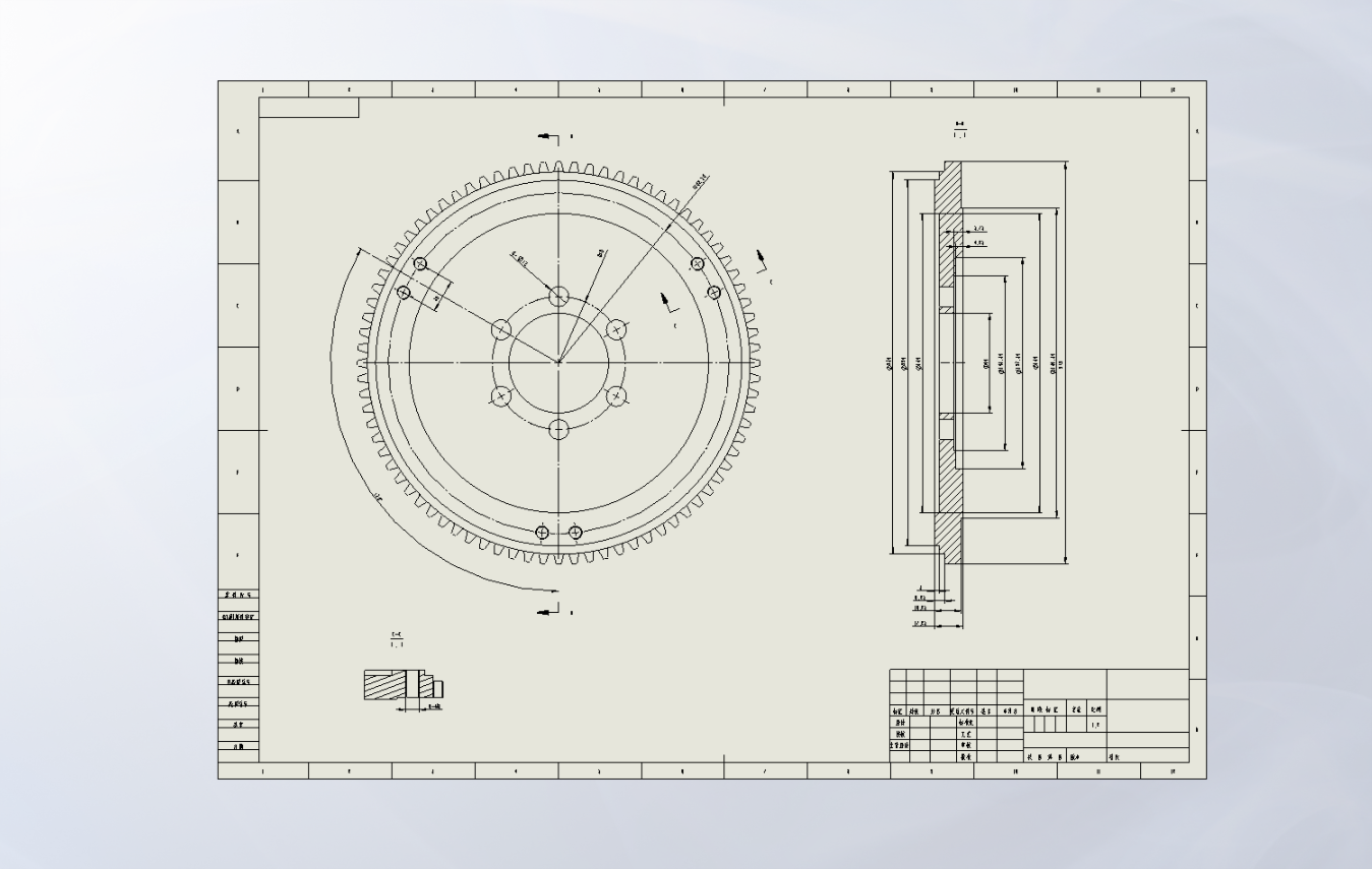
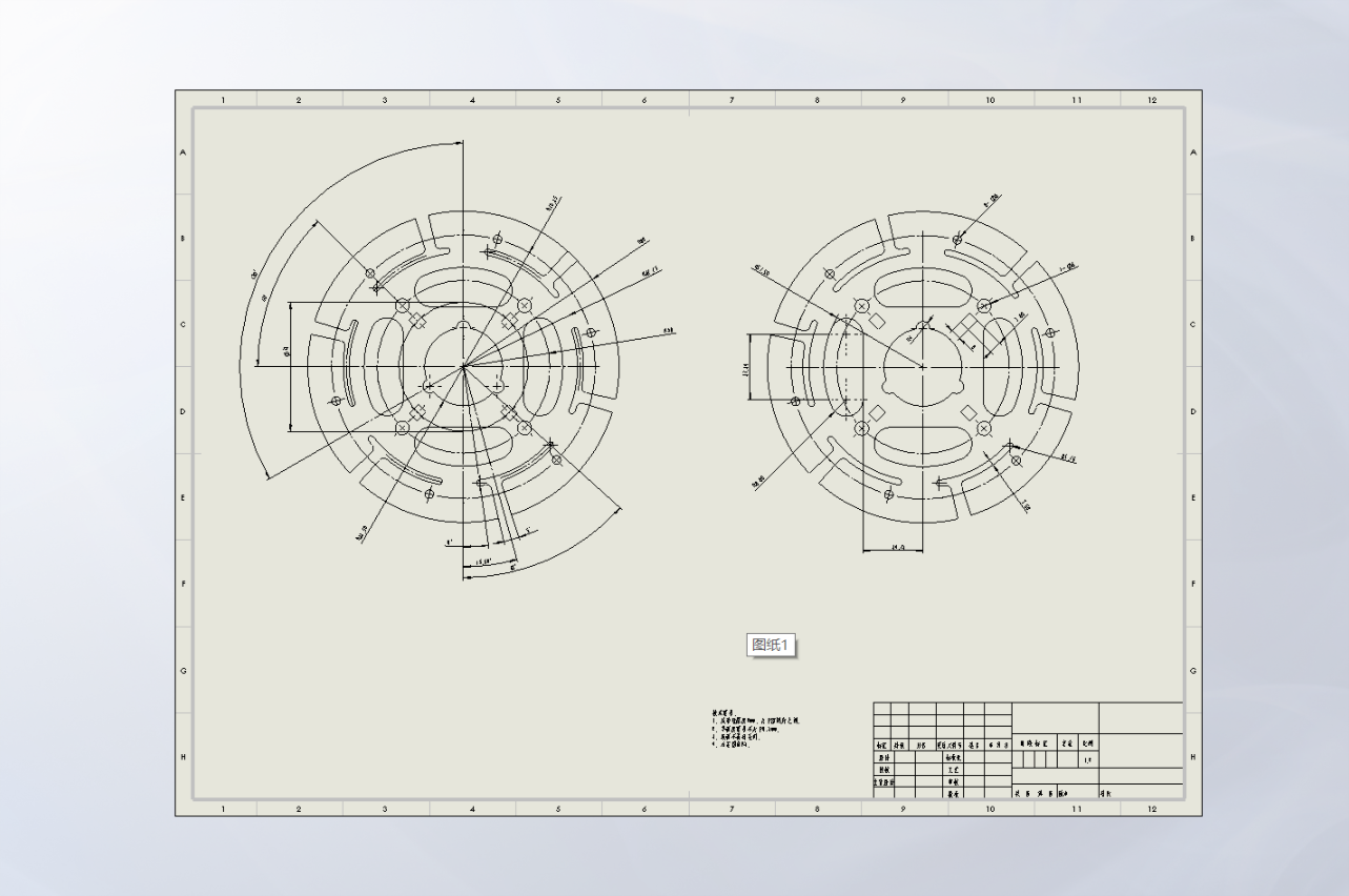
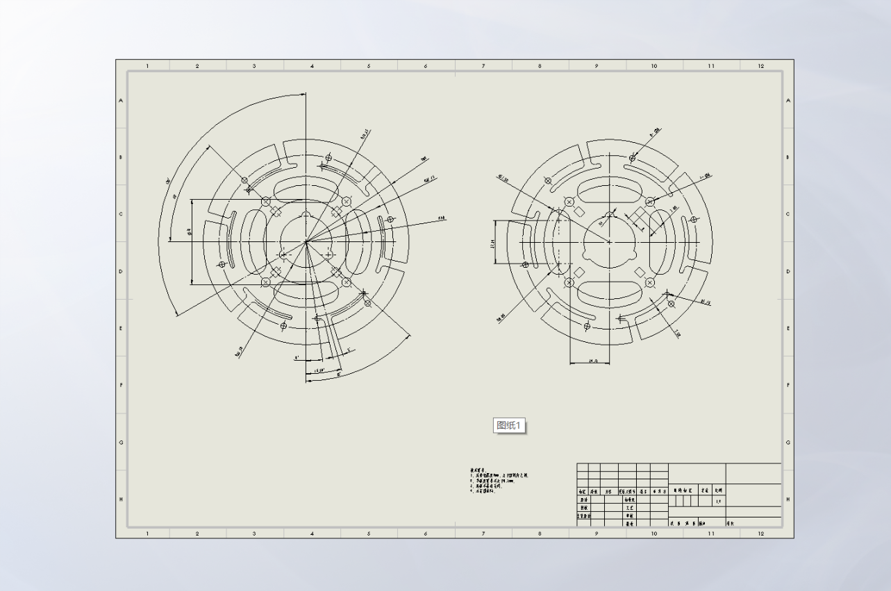
平面图
3D视图
加入收藏
模型参数
模型ID:10332672
模型大小:192.66M
软件版本: AutoCAD 2020,step,SolidWorks
模型格式:sldprt,pdf,sldasm,dwg,step
是否可编辑:可修改,包括参数
上传时间:2025-12-06
图纸介绍:
青灯古佛
+
关注
作品: 0
粉丝: 0
文件列表
1. 1.jpg
51.9 KB
2. 222.docx
5.57 MB
3. 4.16前计算要求.txt
624 B
4. GB/T276-94深沟球轴承6007-2Z.SLDPRT
738 KB
5. GB/T288-94调心滚子轴承22206C.SLDPRT
408 KB
6. GB/T288-94调心滚子轴承22206C.SLDPRT
408 KB
7. GB/T288-94调心滚子轴承22207C.SLDPRT
407 KB
8. GB/T288-94调心滚子轴承22207C.SLDPRT
407 KB
9. GB/T288-94调心滚子轴承22209C.SLDPRT
415 KB
10. GB/T292-94角接触球轴承7007AC.SLDPRT
327 KB
11. GB/T292-94角接触球轴承7007AC.SLDPRT
327 KB
12. MFR2177601_ASM.SLDPRT
628 KB
13. MFR2180401_1.SLDPRT
122 KB
14. Note Apr 2, 2021 (3).pdf
4.47 MB
15. PhD Thesis_ZHIYIN LIU(1).pdf
10.5 MB
16. Published Version.pdf
1.46 MB
17. SWF20-40.SLDPRT
176 KB
18. SWF20-40.SLDPRT
176 KB
19. 中期报告模板.doc
40 KB
20. 中间剖面图.png
160 KB
21. 主动侧.SLDASM
4.73 MB
22. 主动侧.SLDASM
4.73 MB
23. 从动侧.SLDASM
2.84 MB
24. 从动侧.SLDASM
2.84 MB
25. 从动盘.DWG
81.7 KB
26. 从动盘.DWG
81.8 KB
27. 从动盘.SLDDRW
201 KB
28. 从动盘.SLDDRW
201 KB
29. 从动盘.SLDPRT
290 KB
30. 从动盘.SLDPRT
290 KB
31. 从动盘图纸.png
427 KB
32. 从动盘毂.DWG
51.3 KB
33. 从动盘毂.DWG
51.3 KB
34. 从动盘毂.SLDDRW
123 KB
35. 从动盘毂.SLDDRW
123 KB
36. 从动盘毂.SLDPRT
149 KB
37. 从动盘毂.SLDPRT
149 KB
38. 从动盘部件.png
524 KB
39. 从动盘部件模型.png
304 KB
40. 从动盘部件渲染.jpg
598 KB
41. 任务书.docx
131 KB
42. 侧封板.SLDPRT
116 KB
43. 侧封板.SLDPRT
116 KB
44. 侧封板2.SLDPRT
179 KB
45. 侧封板2.SLDPRT
179 KB
46. 侧封板3.SLDPRT
190 KB
47. 侧封板3.SLDPRT
190 KB
48. 侧封板4.SLDPRT
180 KB
49. 侧封板4.SLDPRT
180 KB
50. 内径φ6 外径φ8 长度20mm 弹簧(使用负载约1.5kg).SLDPRT
342 KB
51. 减震器弹簧.SLDPRT
327 KB
52. 减震器弹簧.SLDPRT
327 KB
53. 减震器挡片.DWG
51 KB
54. 减震器挡片.SLDDRW
131 KB
55. 减震器挡片.SLDDRW
131 KB
56. 减震器挡片.SLDPRT
116 KB
57. 减震器挡片.SLDPRT
116 KB
58. 减震器盘01.SLDPRT
289 KB
59. 减震器盘01.SLDPRT
289 KB
60. 动力性能参数匹配.docx
34.5 KB
61. 动力性能参数匹配和齿轮参数.pdf
10 MB
62. 双膜片弹簧变速机构设计.DWG
572 KB
63. 双膜片弹簧变速机构设计.SLDASM
7.36 MB
64. 双膜片弹簧变速机构设计.SLDASM
7.36 MB
65. 双膜片弹簧变速机构设计.SLDDRW
5.4 MB
66. 双膜片弹簧变速机构设计.SLDDRW
5.4 MB
67. 右旋斜齿轮 m=3 z=30 b=60 .SLDPRT
3.25 MB
68. 右旋斜齿轮 m=3 z=30 b=60 .SLDPRT
3.25 MB
69. 右旋斜齿轮 m=3 z=30 b=60.SLDPRT
17.8 MB
70. 右旋斜齿轮 m=3 z=34 b=90.SLDPRT
1.95 MB
71. 右旋斜齿轮 m=3 z=34 b=90.SLDPRT
1.95 MB
72. 垫板.SLDPRT
204 KB
73. 垫板.SLDPRT
204 KB
74. 套筒.SLDPRT
113 KB
75. 套筒.SLDPRT
113 KB
76. 套筒2.SLDPRT
113 KB
77. 套筒内嵌花键毂.SLDPRT
168 KB
78. 套筒内嵌花键毂.SLDPRT
168 KB
79. 套筒滑轴.SLDPRT
107 KB
80. 导向轴1.SLDPRT
82.7 KB
81. 导向轴1.SLDPRT
82.7 KB
82. 导向轴固定支架.SLDPRT
101 KB
83. 导向轴固定支架.SLDPRT
101 KB
84. 左旋斜齿轮 m=3 z=50 b=60.SLDPRT
2.95 MB
85. 左旋斜齿轮 m=3 z=50 b=60.SLDPRT
2.95 MB
86. 左旋斜齿轮 m=3 z=54 b=60.SLDPRT
2.95 MB
87. 左旋斜齿轮 m=3 z=54 b=60.SLDPRT
2.95 MB
88. 总装配图.bak
2.32 MB
89. 总装配图.dwg
1.99 MB
90. 总装配图.dwg
2.32 MB
91. 总装配图.dwg
857 KB
92. 所有模型零件图纸.JPG
195 KB
93. 拨叉.SLDPRT
161 KB
94. 拨叉.SLDPRT
161 KB
95. 拨叉从动片.SLDPRT
187 KB
96. 拨叉从动片.SLDPRT
187 KB
97. 摩擦片.SLDPRT
271 KB
98. 摩擦片.SLDPRT
271 KB
99. 整车动力性能匹配计算.pdf
215 KB
100. 文献综述.docx
1.27 MB
101. 斜齿轮 m=3 z=31 b=60.SLDPRT
1.66 MB
102. 斜齿轮 m=3 z=33 b=90.SLDPRT
11.9 MB
103. 斜齿轮 m=3 z=54 b=60.SLDPRT
3.72 MB
104. 新能源电动汽车两档变速器的设计与实现.docx
94.1 KB
105. 机架1.SLDPRT
558 KB
106. 机架1_2.SLDDRW
360 KB
107. 机架1_2.SLDDRW
360 KB
108. 机架1_2.SLDPRT
461 KB
109. 机架1_2.SLDPRT
462 KB
110. 机架1_2.bak
42.7 KB
111. 机架1_2_new.DWG
643 KB
112. 机架1_2_new.DWG
648 KB
113. 机架1_2_new.bak
715 KB
114. 机架2.SLDPRT
572 KB
115. 机架2_2.SLDDRW
370 KB
116. 机架2_2.SLDDRW
370 KB
117. 机架2_2.SLDPRT
525 KB
118. 机架2_2.SLDPRT
526 KB
119. 机架2_2.dwl
53 B
120. 机架2_2.dwl2
206 B
121. 机架2_2new1.DWG
676 KB
122. 机架2_2new1.DWG
745 KB
123. 机架2_2new1.bak
719 KB
124. 机架2_2new1.bak
745 KB
125. 模板.bak
2.3 MB
126. 毕业论文.docx
5.52 MB
127. 电磁铁.SLDASM
359 KB
128. 电磁铁.SLDASM
360 KB
129. 电磁铁底座.SLDPRT
681 KB
130. 电磁铁底座.SLDPRT
681 KB
131. 电磁铁滑芯.SLDPRT
121 KB
132. 电磁铁滑芯.SLDPRT
121 KB
133. 离合器从动盘部件.DWG
200 KB
134. 离合器从动盘部件.DWG
201 KB
135. 离合器从动盘部件.SLDASM
505 KB
136. 离合器从动盘部件.SLDDRW
667 KB
137. 离合器从动盘部件.STEP
2.42 MB
138. 离合器壳.SLDPRT
682 KB
139. 离合器壳.SLDPRT
682 KB
140. 箱体和磁铁.SLDASM
613 KB
141. 箱体和磁铁.SLDASM
614 KB
142. 结构图.jpg
143 KB
143. 膜片弹簧.SLDPRT
500 KB
144. 膜片弹簧.SLDPRT
500 KB
145. 膜片弹簧离合器.DWG
213 KB
146. 膜片弹簧离合器.DWG
249 KB
147. 膜片弹簧离合器.SLDASM
1.07 MB
148. 膜片弹簧离合器.SLDASM
1.07 MB
149. 膜片弹簧离合器.SLDDRW
1.52 MB
150. 膜片弹簧离合器.SLDDRW
1.52 MB
151. 膜片弹簧离合器.STEP
6.32 MB
152. 膜片弹簧离合器图纸.png
607 KB
153. 膜片弹簧离合器正面图.png
420 KB
154. 花键毂.DWG
53 KB
155. 花键毂.DWG
53 KB
156. 花键毂.SLDDRW
117 KB
157. 花键毂.SLDDRW
118 KB
158. 花键毂.SLDPRT
193 KB
159. 花键毂.SLDPRT
193 KB
160. 装配图(1).dwg
380 KB
161. 轴1.SLDPRT
186 KB
162. 轴1.SLDPRT
186 KB
163. 轴2.SLDPRT
205 KB
164. 轴2.SLDPRT
205 KB
165. 轴3.SLDPRT
285 KB
166. 轴3.SLDPRT
285 KB
167. 连接铆钉.SLDPRT
73 KB
168. 连接铆钉.SLDPRT
73 KB
169. 钢球.SLDPRT
207 KB
170. 钢球.SLDPRT
207 KB
171. 飞轮.DWG
65.7 KB
172. 飞轮.DWG
98.9 KB
173. 飞轮.SLDDRW
417 KB
174. 飞轮.SLDDRW
417 KB
175. 飞轮.SLDPRT
561 KB
176. 飞轮.SLDPRT
561 KB
177. 飞轮图纸.png
452 KB
178. 齿轮1 m=3,d=40,B60 z37_2.SLDPRT
613 KB
179. 齿轮1 m=3,d=40,B60 z54.SLDPRT
523 KB
180. 齿轮1 m=3,d=40,B90 z37.SLDPRT
682 KB
181. 齿轮1 m=3,d=40,B90 z37_2.SLDPRT
483 KB
182. 齿轮1 m=3,d=40,B90.SLDPRT
459 KB
183. 齿轮1 m=3,d=45,B60 z32.SLDPRT
388 KB
举报/反馈
免责申明:
本网站模型由用户自行上传,如权利人发现存在误传其作品情形,请及时与本站联系。
【悬停式双膜片弹簧变速机构设计】相关作品
滚动更载更多~
模型报错
模型报错类型:
分类错误
版本错误
雷同或版权问题,重复ID
图片与模型不一致
文件不完整
解压文件打不开或有问题
模型报错描述:
联系方式
提交报错
提示
×
下载该图档需要消耗400金币!
确认下载
我和会话