齿轮油泵模型SolidWorks,AutoCAD 3D模型

3D模型名称为:齿轮油泵模型,属于设备部件,传动部件分类,软件为SolidWorks,AutoCAD, 三维模型格式为sldprt,dwg,sldasm,可在线预览,可编辑,可供设计参考

加入收藏
模型参数

模型ID:10330452

模型大小:4.82M

软件版本: SolidWorks,AutoCAD 2012

模型格式:sldprt,dwg,sldasm

是否可编辑:可修改,包括参数

上传时间:2025-12-03

图纸介绍:

下载模型
万壑争流
作品: 0
粉丝: 0
文件列表
1. 3.jpg
87 KB
2. 4.jpg
284 KB
3. 5.jpg
537 KB
4. 主动齿轮轴.SLDPRT
389 KB
5. 压紧螺母.SLDPRT
342 KB
6. 填料压盖.SLDPRT
200 KB
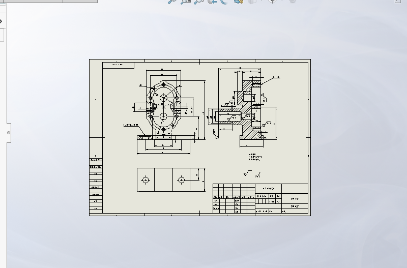
7. 泵体.DWG
334 KB
8. 泵体.SLDDRW
762 KB
9. 泵体.SLDPRT
764 KB
10. 泵体工程图.PNG
234 KB
11. 泵体建模细节.PNG
148 KB
12. 端盖.SLDPRT
453 KB
13. 齿轮.SLDPRT
353 KB
14. 齿轮建模细节.PNG
148 KB
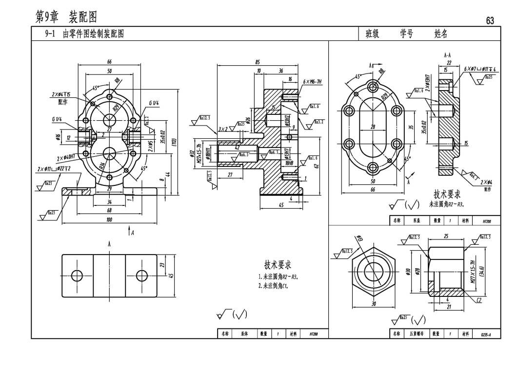
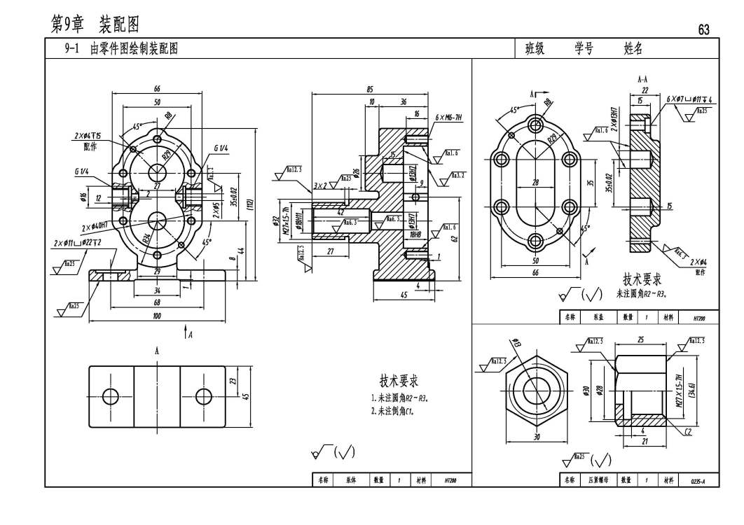
15. 齿轮油泵.DWG
321 KB
16. 齿轮油泵.SLDASM
545 KB
17. 齿轮油泵.SLDDRW
678 KB
18. 齿轮油泵.mp4
491 KB
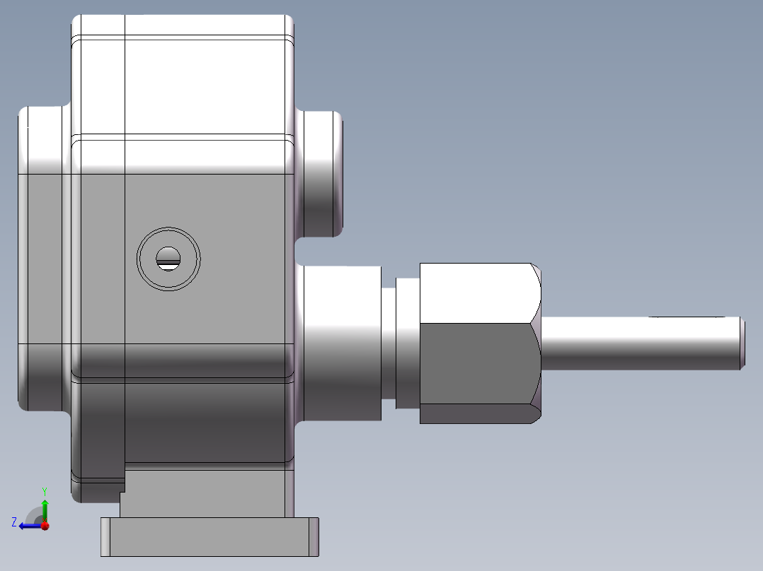
19. 齿轮油泵侧面.PNG
132 KB
20. 齿轮油泵内部.PNG
190 KB
21. 齿轮油泵局部.PNG
118 KB
22. 齿轮油泵装配.PNG
172 KB
23. 齿轮油泵装配CAD.PNG
26.2 KB
24. 齿轮油泵装配工程图.PNG
317 KB
【齿轮油泵模型】相关作品
滚动更载更多~
提示
×

下载该图档需要消耗10金币!

确认下载
加载中