2G035--小型混凝土搅拌机的设计AutoCAD图档

图档名称为:2G035--小型混凝土搅拌机的设计,属于机械设备,非标机械分类,软件为AutoCAD, 图纸格式为dwg,可在线预览,可编辑,可供设计参考

加入收藏
模型参数

模型ID:10319333

模型大小:3.04M

软件版本: AutoCAD 2007

模型格式:dwg

是否可编辑:可修改,包括参数

上传时间:2025-11-23

图纸介绍:

下载模型
作品: 296
粉丝: 0
文件列表
1. 中英文摘要.doc
35.5 KB
2. 中英文摘要.doc
35.5 KB
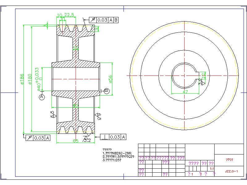
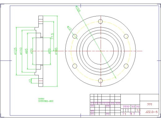
3. 主动带轮A3-Model.jpg
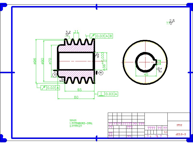
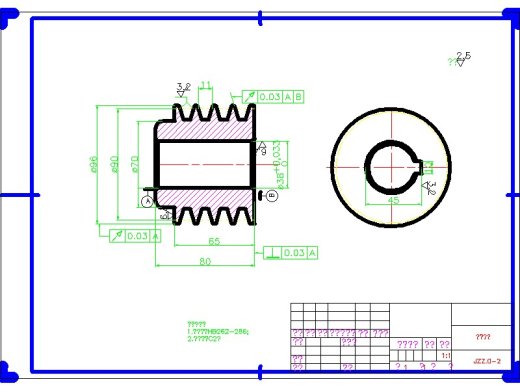
87.5 KB
4. 主动带轮A3.dwg
67.8 KB
5. 主动带轮A3.dwg
67.8 KB
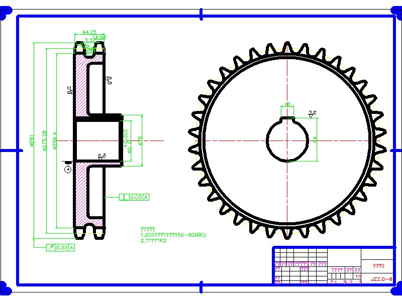
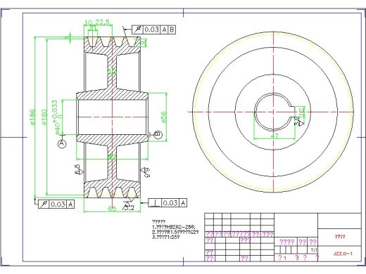
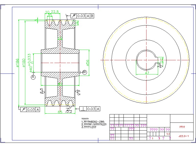
6. 主动链轮A2-Model.jpg
104 KB
7. 主动链轮A2.dwg
74.2 KB
8. 主动链轮A2.dwg
74.2 KB
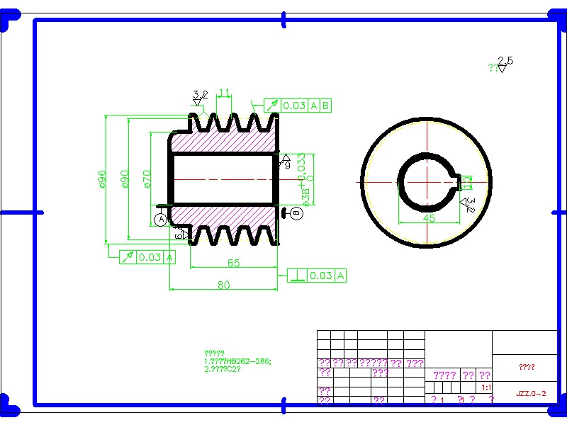
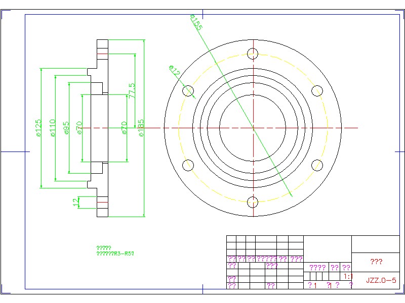
9. 从动带轮A3-Model.jpg
107 KB
10. 从动带轮A3.dwg
73.2 KB
11. 从动带轮A3.dwg
73.2 KB
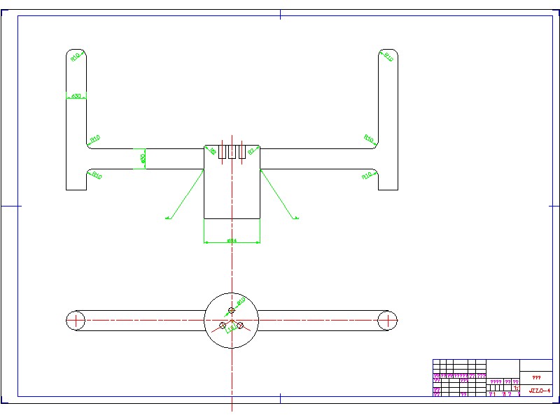
12. 从动链轮A3-Model.jpg
110 KB
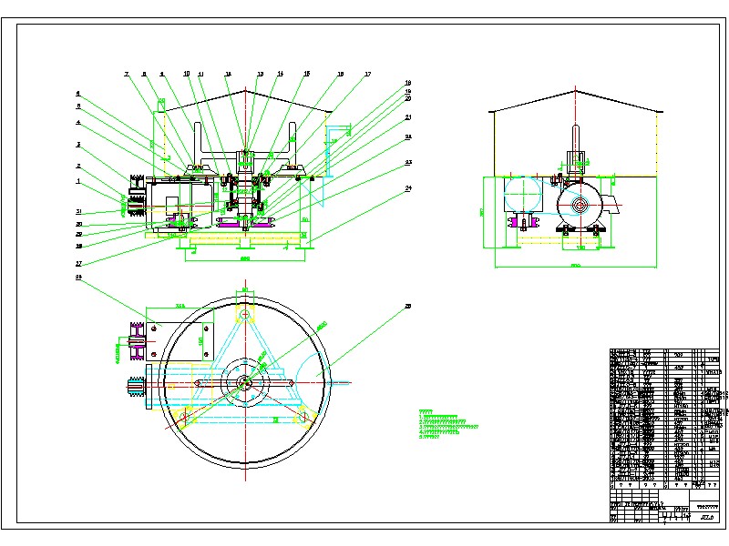
13. 从动链轮A3.dwg
78.1 KB
14. 从动链轮A3.dwg
78.1 KB
15. 小型混凝土搅拌机的设计.doc
993 KB
16. 小型混凝土搅拌机的设计.doc
993 KB
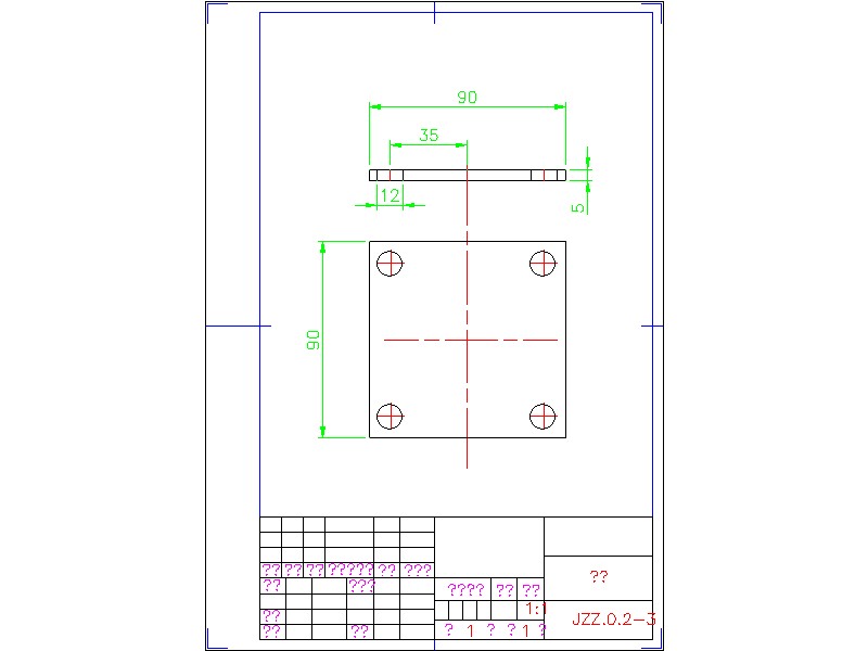
17. 底板A4-Model.jpg
43.7 KB
18. 底板A4.dwg
57.2 KB
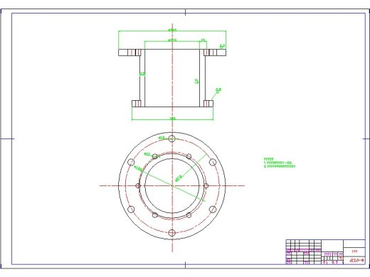
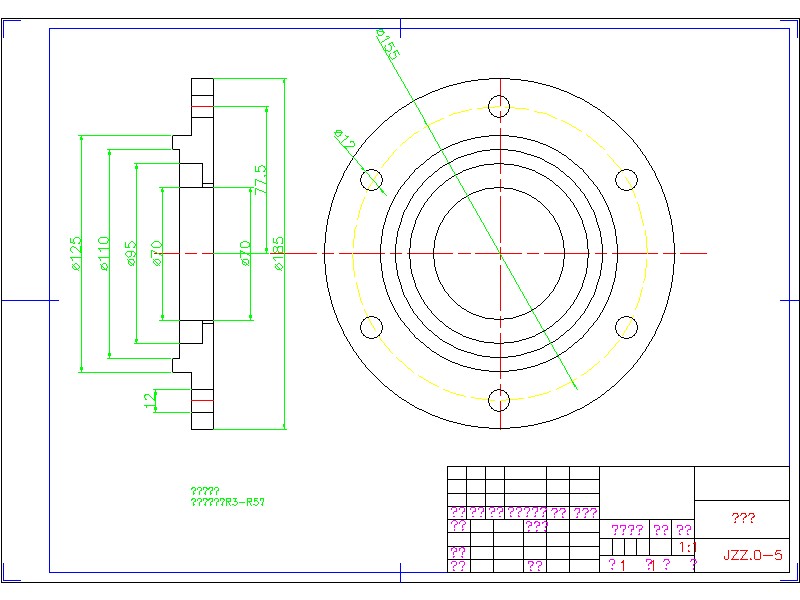
19. 底板A4.dwg
57.2 KB
20. 搅拌体A1-Model.jpg
50.5 KB
21. 搅拌体A1.dwg
70.5 KB
22. 搅拌体A1.dwg
70.5 KB
23. 撑板A4-Model.jpg
47.2 KB
24. 撑板A4.dwg
62.8 KB
25. 撑板A4.dwg
62.8 KB
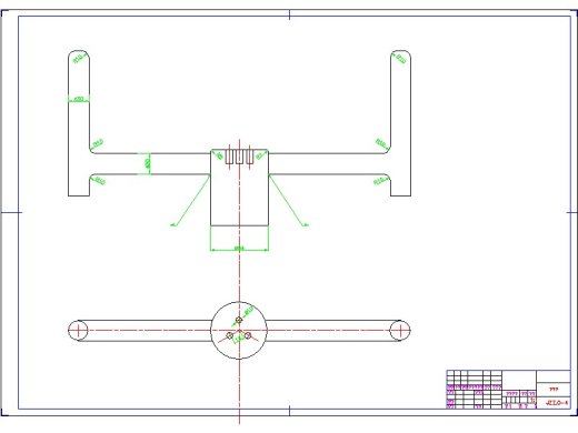
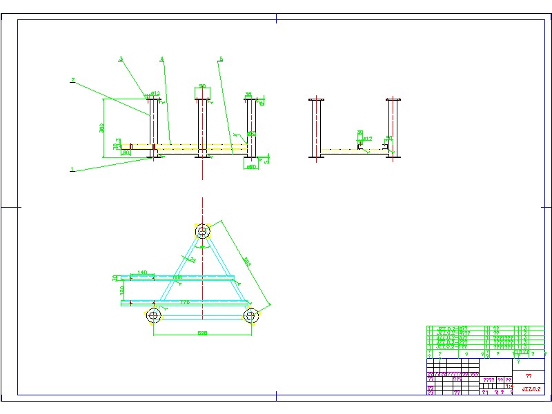
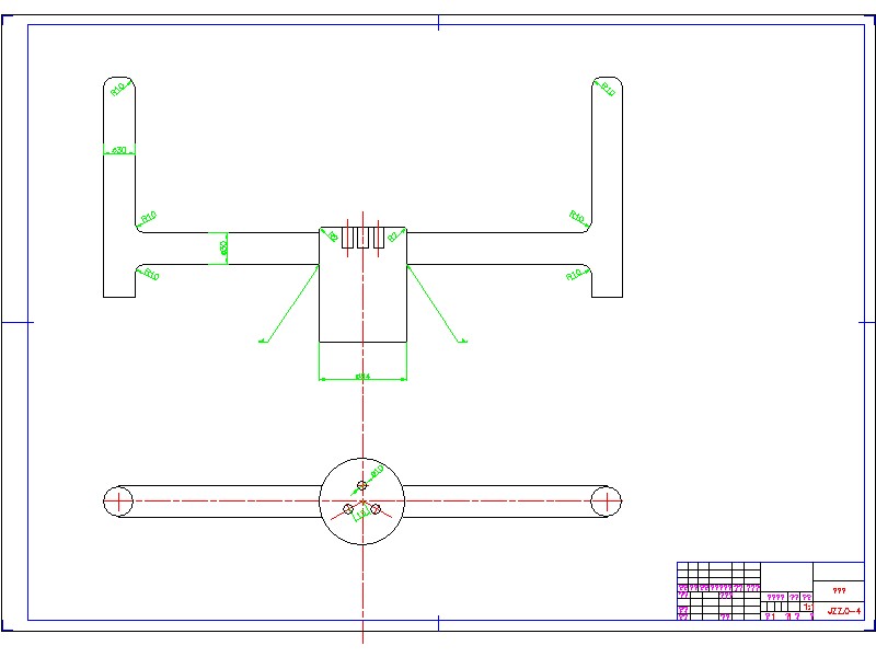
26. 支架A3-Model.jpg
50.1 KB
27. 支架A3.dwg
61.2 KB
28. 支架A3.dwg
61.2 KB
29. 支腿A4-Model.jpg
42.3 KB
30. 支腿A4.dwg
57.2 KB
31. 支腿A4.dwg
57.2 KB
32. 本科生毕业论文(设计)选题审批表.doc
43 KB
33. 本科生毕业论文(设计)选题审批表.doc
43 KB
34. 机架A1-Model.jpg
63.1 KB
35. 机架A1.dwg
97.4 KB
36. 机架A1.dwg
97.4 KB
37. 机械英文文献翻译.doc
234 KB
38. 机械英文文献翻译.doc
234 KB
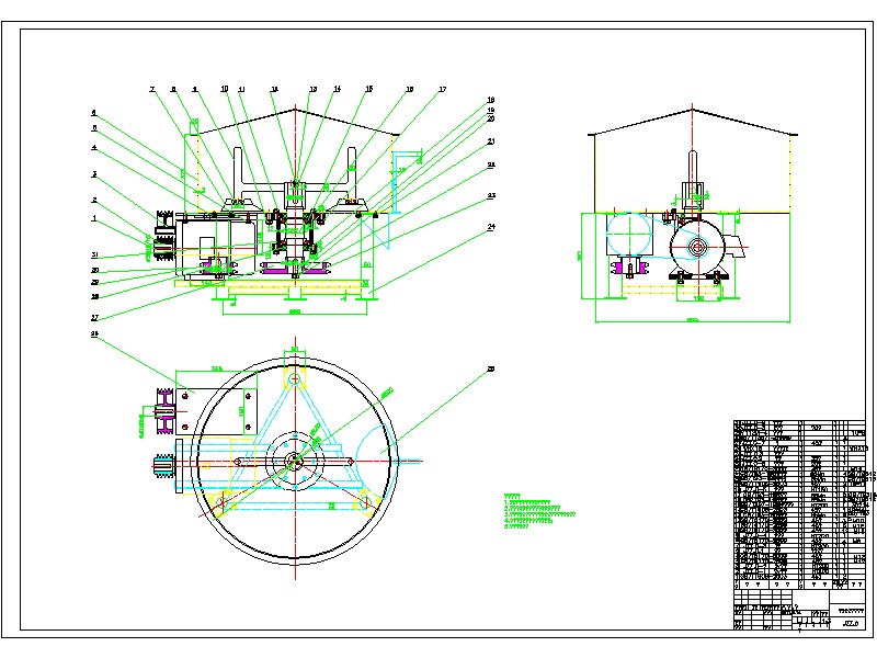
39. 毕业设计装配图A0-Model.jpg
120 KB
40. 毕业设计装配图A0.dwg
184 KB
41. 毕业设计装配图A0.dwg
184 KB
42. 目录.doc
87 KB
43. 目录.doc
87 KB
44. 英文译文 封皮.wbk
20.5 KB
45. 英文译文 封皮.wbk
20.5 KB
46. 评价表.doc
27 KB
47. 评价表.doc
27 KB
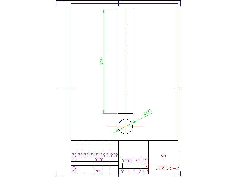
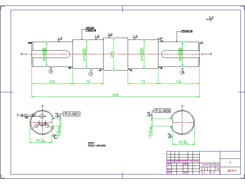
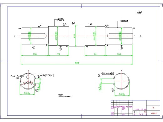
48. 轴A2-Model.jpg
73.8 KB
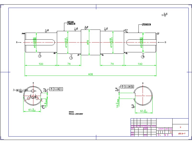
49. 轴A2.dwg
83.4 KB
50. 轴A2.dwg
83.4 KB
51. 轴承座A1-Model.jpg
63 KB
52. 轴承座A1.dwg
68.3 KB
53. 轴承座A1.dwg
68.3 KB
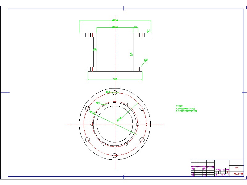
54. 轴承盖A3-Model.jpg
88.4 KB
55. 轴承盖A3.dwg
65.8 KB
56. 轴承盖A3.dwg
65.8 KB
【2G035--小型混凝土搅拌机的设计】相关作品
下载提示
×

下载该图档需要消耗10金币!

确认下载
-- 热门充值套餐 · 限时优惠 --
加载中