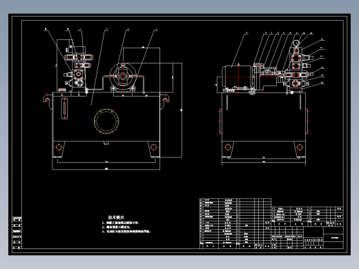
加工V带轮的专用机床主传动系统设计(精)【含图和文档】AutoCAD图档

图档名称为:加工V带轮的专用机床主传动系统设计(精)【含图和文档】,属于设备部件,传动部件分类,软件为AutoCAD, 图纸格式为dwg,可在线预览,可编辑,可供设计参考

加入收藏
模型参数

模型ID:10313659

模型大小:533.23KB

软件版本: AutoCAD 2004

模型格式:dwg

是否可编辑:可修改,包括参数

上传时间:2025-11-17

图纸介绍:

下载模型
作品: 321
粉丝: 0
文件列表
1. 主运动转速图.dwg
47.7 KB
2. 传动系统图.dwg
56.3 KB
3. 加工V带轮的专用机床主传动系统设计说明书.doc
1.11 MB
4. 带轮.dwg
55.7 KB
5. 带轮毛坯图.dwg
83.5 KB
【加工V带轮的专用机床主传动系统设计(精)【含图和文档】】相关作品
下载提示
×

下载该图档需要消耗10金币!

确认下载
-- 热门充值套餐 · 限时优惠 --
加载中