DR-331点胶机设备step,parasolid,SolidWorks,AutoCAD图档
图档名称为:DR-331点胶机设备,属于机械设备,电子产品制造设备分类,软件为step,parasolid,SolidWorks,AutoCAD, 图纸格式为sldprt,pdf,sldasm,step,x_t,dwg,可在线预览,可编辑,可供设计参考
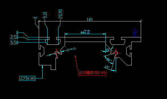
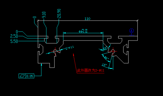
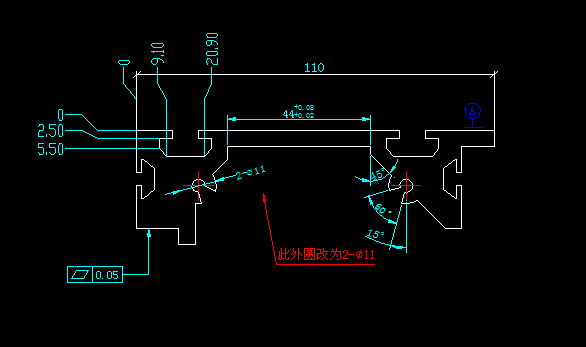
平面图
3D视图
加入收藏
模型参数
模型ID:10307331
模型大小:68.32M
软件版本: step,parasolid,SolidWorks,AutoCAD 2016
模型格式:sldprt,pdf,sldasm,step,x_t,dwg
是否可编辑:可修改,包括参数
上传时间:2025-11-11
图纸介绍:
采菲
+
关注
作品: 0
粉丝: 0
文件列表
1. 1.JPG
84.4 KB
2. 1.png
3.57 KB
3. 1.sldprt
52.2 KB
4. 10.png
3.46 KB
5. 11.sldprt
51.4 KB
6. 16急停.SLDPRT
139 KB
7. 18G针头.SLDPRT
97 KB
8. 197577_GRLA-M5-QS-4-RS-D.SLDPRT
135 KB
9. 2.JPG
79.5 KB
10. 2.png
3.41 KB
11. 232接口插座.SLDPRT
387 KB
12. 3.JPG
104 KB
13. 3.png
4.34 KB
14. 3.sldprt
117 KB
15. 331-X轴盖板.SLDDRW
113 KB
16. 331-X轴盖板.SLDDRW
113 KB
17. 331-X轴盖板.SLDPRT
86.6 KB
18. 331-X轴盖板.dxf
123 KB
19. 331-X轴盖板.pdf
141 KB
20. 331-X轴背板.SLDDRW
138 KB
21. 331-X轴背板.SLDDRW
138 KB
22. 331-X轴背板.SLDPRT
176 KB
23. 331-X轴背板.dxf
148 KB
24. 331-X轴背板.pdf
135 KB
25. 331-y盖板.SLDDRW
92.6 KB
26. 331-y盖板.SLDDRW
93.6 KB
27. 331-y盖板.SLDPRT
84.5 KB
28. 331-y盖板.dxf
91.6 KB
29. 331-y盖板.pdf
129 KB
30. 331-前面板0527.SLDDRW
253 KB
31. 331-前面板0527.SLDDRW
253 KB
32. 331-前面板0527.SLDPRT
1.13 MB
33. 331-前面板0527.dxf
2.6 MB
34. 331-前面板0527.pdf
201 KB
35. 331-前面板焊锡0615.SLDDRW
183 KB
36. 331-后盖型材-BW.SLDDRW
134 KB
37. 331-后盖型材-BW.SLDDRW
134 KB
38. 331-后盖型材-BW.dxf
246 KB
39. 331-后盖型材-BW.pdf
141 KB
40. 331-后盖型材-BW.sldprt
165 KB
41. 331-底板.SLDDRW
149 KB
42. 331-底板.SLDDRW
149 KB
43. 331-底板.SLDPRT
143 KB
44. 331-底板.dxf
191 KB
45. 331-底板.pdf
137 KB
46. 331-支撑板.SLDDRW
169 KB
47. 331-支撑板.SLDDRW
170 KB
48. 331-支撑板.SLDPRT
253 KB
49. 331-支撑板.dxf
579 KB
50. 331-支撑板.pdf
152 KB
51. 331-盖板1.SLDDRW
100 KB
52. 331-盖板1.SLDDRW
101 KB
53. 331-盖板1.SLDPRT
80.9 KB
54. 331-盖板1.dxf
88.8 KB
55. 331-盖板1.pdf
129 KB
56. 331-盖板2.SLDDRW
103 KB
57. 331-盖板2.SLDDRW
103 KB
58. 331-盖板2.SLDPRT
91.8 KB
59. 331-盖板2.dxf
100 KB
60. 331-盖板2.pdf
130 KB
61. 331-盖板连接件-右.SLDDRW
115 KB
62. 331-盖板连接件-右.SLDDRW
115 KB
63. 331-盖板连接件-右.SLDPRT
137 KB
64. 331-盖板连接件-右.dxf
205 KB
65. 331-盖板连接件-右.pdf
138 KB
66. 331-盖板连接件-左.SLDDRW
112 KB
67. 331-盖板连接件-左.SLDDRW
112 KB
68. 331-盖板连接件-左.SLDPRT
132 KB
69. 331-盖板连接件-左.dxf
206 KB
70. 331-盖板连接件-左.pdf
138 KB
71. 331后盖型材端盖-右.SLDPRT
80.8 KB
72. 380导轨.sldprt
127 KB
73. 4.JPG
46.5 KB
74. 4.png
4.11 KB
75. 5.JPG
62.5 KB
76. 5.png
1.56 KB
77. 50x50 风扇.SLDPRT
693 KB
78. 57步进电机sc.SLDPRT
307 KB
79. 6.JPG
50.3 KB
80. 6.png
3.74 KB
81. 7.JPG
113 KB
82. 7.png
1.87 KB
83. 8.JPG
65.3 KB
84. 8.png
2.85 KB
85. 9.png
3.54 KB
86. AC插座.SLDPRT
299 KB
87. DH-331型材BOM表.xlsx
14.3 KB
88. DH-331导轨BOM表.xlsx
13.8 KB
89. DH-331机加工BOM表.xlsx
14.1 KB
90. DH-331钣金BOM表.xlsx
14.1 KB
91. DR-331点胶机设备.SLDASM
5.43 MB
92. DR-331点胶机设备.STEP
35.9 MB
93. DR-331点胶机设备.x_t
13.9 MB
94. FC-SPX307.SLDPRT
1.59 MB
95. GV630装配体.SLDASM
1.67 MB
96. GW-C4760(xZ轴盖板).dwg
47.5 KB
97. GW-C4780(z轴滑块).bak
37.6 KB
98. GW-C4780(z轴滑块).dwg
37.6 KB
99. GW-C4790(后盖板).dwg
38.9 KB
100. GW-C4800(龙门立柱).dwg
50.9 KB
101. GW-C4810(y轴滑块).dwg
49.1 KB
102. GW-C4820(y轴盖板).dwg
39.1 KB
103. GW-C4830(前面板).bak
43.2 KB
104. GW-C4830(前面板).dwg
43.8 KB
105. GW-C4840(XYZ底座X背板).dwg
45.8 KB
106. GW-C4840(XY底座).bak
44.9 KB
107. GW-C4850(左右侧板).dwg
57 KB
108. Gewindestift_DIN_913___M4x3_.sldprt
71.7 KB
109. HTPA24S2M100_K_P6_35.sldasm
166 KB
110. HTPA24S2M100_K_P6_35_a.sldprt
373 KB
111. JFLO拖链.SLDPRT
127 KB
112. JXZ-22F继电器.SLDASM
608 KB
113. LCD02.SLDASM
99.5 KB
114. LCD02贴膜.SLDPRT
158 KB
115. LCD2.SLDPRT
163 KB
116. M4-缓冲垫.SLDDRW
93.9 KB
117. M4-缓冲垫.SLDDRW
94.2 KB
118. M4-缓冲垫.SLDPRT
86.6 KB
119. M4-缓冲垫.dxf
96.9 KB
120. M4-缓冲垫.pdf
129 KB
121. MF148.sldprt
1.13 MB
122. MPC6568.SLDPRT
116 KB
123. MR148.sldprt
684 KB
124. MY4NJ.SLDPRT
886 KB
125. NES-350-24.SLDPRT
193 KB
126. WS16.SLDPRT
121 KB
127. XY从动组件.SLDASM
1.15 MB
128. X模组-S300.SLDASM
1.55 MB
129. X轴滑块.SLDDRW
157 KB
130. X轴滑块.SLDDRW
158 KB
131. X轴滑块.SLDPRT
192 KB
132. X轴滑块.dxf
291 KB
133. X轴滑块.pdf
144 KB
134. Y模组-S300.SLDASM
1.56 MB
135. Z轴.SLDASM
1.65 MB
136. Z轴拖链转接板.SLDASM
95.5 KB
137. Z轴拖链转接板.SLDDRW
164 KB
138. Z轴拖链转接板.SLDDRW
165 KB
139. Z轴拖链转接板.SLDPRT
191 KB
140. Z轴拖链转接板.dxf
273 KB
141. Z轴拖链转接板.pdf
150 KB
142. Z轴拖链转接板02.SLDPRT
108 KB
143. Z轴机罩1.SLDDRW
112 KB
144. Z轴机罩1.SLDDRW
112 KB
145. Z轴机罩1.SLDPRT
199 KB
146. Z轴机罩1.dxf
155 KB
147. Z轴机罩1.pdf
133 KB
148. Z轴滑块.SLDDRW
138 KB
149. Z轴滑块.SLDDRW
138 KB
150. Z轴滑块.SLDPRT
171 KB
151. Z轴滑块.dxf
242 KB
152. Z轴滑块.pdf
141 KB
153. Z轴转接板.SLDDRW
136 KB
154. Z轴转接板.SLDDRW
136 KB
155. Z轴转接板.SLDPRT
151 KB
156. Z轴转接板.dxf
271 KB
157. Z轴转接板.pdf
141 KB
158. zt01.SLDPRT
49.4 KB
159. 下阀体.SLDPRT
298 KB
160. 储料仓.SLDPRT
138 KB
161. 减震垫.SLDPRT
54.1 KB
162. 前面板端盖.SLDDRW
103 KB
163. 前面板端盖.SLDDRW
104 KB
164. 前面板端盖.dxf
89.6 KB
165. 前面板端盖.pdf
131 KB
166. 前面板端盖1.SLDPRT
85.4 KB
167. 前面板端盖2.SLDPRT
82.9 KB
168. 右立柱点胶.SLDPRT
291 KB
169. 后盖.SLDPRT
140 KB
170. 后盖垫片.SLDPRT
61.6 KB
171. 启动开关.SLDPRT
94.3 KB
172. 固定销.SLDPRT
63.4 KB
173. 导轨(长60).SLDPRT
135 KB
174. 导轨-S300.PDF
131 KB
175. 导轨-S300.SLDDRW
148 KB
176. 导轨-S300.SLDDRW
148 KB
177. 工作台板190x190.SLDDRW
115 KB
178. 工作台板190x190.SLDDRW
116 KB
179. 工作台板190x190.SLDPRT
177 KB
180. 工作台板190x190.dxf
119 KB
181. 工作台板190x190.pdf
136 KB
182. 左立柱点胶.SLDPRT
295 KB
183. 平台-57马达法兰.SLDDRW
133 KB
184. 平台-57马达法兰.SLDDRW
133 KB
185. 平台-57马达法兰.SLDPRT
182 KB
186. 平台-57马达法兰.dxf
251 KB
187. 平台-57马达法兰.pdf
139 KB
188. 平台-8固定轴.SLDDRW
109 KB
189. 平台-X轴防尘盖垫块.SLDDRW
96.3 KB
190. 平台-X轴防尘盖垫块.SLDDRW
96.6 KB
191. 平台-X轴防尘盖垫块.SLDPRT
58.9 KB
192. 平台-X轴防尘盖垫块.dxf
91.4 KB
193. 平台-X轴防尘盖垫块.pdf
133 KB
194. 平台-Y轴支撑架.SLDDRW
113 KB
195. 平台-Y轴支撑架.SLDDRW
113 KB
196. 平台-Y轴支撑架.SLDPRT
88.9 KB
197. 平台-Y轴支撑架.dxf
174 KB
198. 平台-Y轴支撑架.pdf
134 KB
199. 平台-Y轴滑台-143宽.SLDDRW
135 KB
200. 平台-Y轴滑台-143宽.SLDDRW
136 KB
201. 平台-Y轴滑台-143宽.SLDPRT
202 KB
202. 平台-Y轴滑台-143宽.dxf
239 KB
203. 平台-Y轴滑台-143宽.pdf
141 KB
204. 平台-Y轴端盖.SLDDRW
105 KB
205. 平台-Y轴端盖.SLDDRW
106 KB
206. 平台-Y轴端盖.SLDPRT
79.1 KB
207. 平台-Y轴端盖.dxf
120 KB
208. 平台-Y轴端盖.pdf
133 KB
209. 平台-Z轴上封板.SLDDRW
137 KB
210. 平台-Z轴上封板.SLDDRW
137 KB
211. 平台-Z轴上封板.SLDPRT
120 KB
212. 平台-Z轴上封板.dxf
187 KB
213. 平台-Z轴上封板.pdf
138 KB
214. 平台-Z轴下封板.SLDDRW
131 KB
215. 平台-Z轴下封板.SLDDRW
132 KB
216. 平台-Z轴下封板.SLDPRT
100 KB
217. 平台-Z轴下封板.dxf
238 KB
218. 平台-Z轴下封板.pdf
138 KB
219. 平台-Z轴底座.SLDDRW
171 KB
220. 平台-Z轴底座.SLDDRW
172 KB
221. 平台-Z轴底座.SLDPRT
314 KB
222. 平台-Z轴底座.dxf
385 KB
223. 平台-Z轴底座.pdf
146 KB
224. 平台-Z轴盖板.SLDDRW
93.4 KB
225. 平台-Z轴盖板.SLDDRW
93.5 KB
226. 平台-Z轴盖板.SLDPRT
88.7 KB
227. 平台-Z轴盖板.dxf
117 KB
228. 平台-Z轴盖板.pdf
131 KB
229. 平台-右侧边板.SLDDRW
128 KB
230. 平台-右侧边板.SLDDRW
130 KB
231. 平台-右侧边板.SLDPRT
213 KB
232. 平台-右侧边板.dxf
218 KB
233. 平台-右侧边板.pdf
138 KB
234. 平台-右立柱.SLDDRW
170 KB
235. 平台-右立柱.SLDDRW
170 KB
236. 平台-右立柱.dxf
302 KB
237. 平台-右立柱.pdf
143 KB
238. 平台-后盖型材端盖.SLDDRW
100 KB
239. 平台-后盖型材端盖.SLDDRW
99.1 KB
240. 平台-后盖型材端盖.SLDPRT
81.7 KB
241. 平台-后盖型材端盖.dxf
100 KB
242. 平台-后盖型材端盖.pdf
131 KB
243. 平台-导轨-S100.PDF
134 KB
244. 平台-导轨-S100.SLDASM
78.2 KB
245. 平台-导轨-S100.SLDDRW
453 KB
246. 平台-导轨-S100.SLDDRW
469 KB
247. 平台-导轨-S300.SLDASM
78.3 KB
248. 平台-左侧边板.SLDDRW
135 KB
249. 平台-左侧边板.SLDDRW
135 KB
250. 平台-左侧边板.SLDPRT
234 KB
251. 平台-左侧边板.dxf
226 KB
252. 平台-左侧边板.pdf
139 KB
253. 平台-左立柱.SLDDRW
183 KB
254. 平台-左立柱.SLDDRW
184 KB
255. 平台-左立柱.dxf
317 KB
256. 平台-左立柱.pdf
144 KB
257. 平台-底座-S300.SLDDRW
280 KB
258. 平台-底座-S300.SLDDRW
281 KB
259. 平台-底座-S300.SLDPRT
389 KB
260. 平台-底座-S300.dxf
521 KB
261. 平台-底座-S300.pdf
152 KB
262. 平台-感应片.SLDDRW
97 KB
263. 平台-感应片.SLDDRW
97.6 KB
264. 平台-感应片.SLDPRT
75 KB
265. 平台-感应片.dxf
93.4 KB
266. 平台-感应片.pdf
128 KB
267. 平台-皮带锁.SLDDRW
103 KB
268. 平台-皮带锁.SLDDRW
104 KB
269. 平台-皮带锁.SLDPRT
84.3 KB
270. 平台-皮带锁.dxf
119 KB
271. 平台-皮带锁.pdf
128 KB
272. 平台-皮带锁垫.SLDDRW
89.9 KB
273. 平台-皮带锁垫.SLDDRW
90.7 KB
274. 平台-皮带锁垫.SLDPRT
62.4 KB
275. 平台-皮带锁垫.dxf
87 KB
276. 平台-皮带锁垫.pdf
129 KB
277. 平台-立柱端盖.SLDDRW
96.4 KB
278. 平台-立柱端盖.SLDDRW
97.2 KB
279. 平台-立柱端盖.SLDPRT
65.5 KB
280. 平台-立柱端盖.dxf
108 KB
281. 平台-立柱端盖.pdf
132 KB
282. 平台-立柱端盖左.SLDDRW
98.3 KB
283. 平台-立柱端盖左.SLDDRW
98.5 KB
284. 平台-立柱端盖左.SLDPRT
68.9 KB
285. 平台-立柱端盖左.dxf
95.2 KB
286. 平台-立柱端盖左.pdf
131 KB
287. 平台-轴承座.SLDDRW
126 KB
288. 平台-轴承座安装板.SLDDRW
133 KB
289. 平台-轴承座安装板.SLDDRW
133 KB
290. 平台-轴承座安装板.SLDPRT
150 KB
291. 平台-轴承座安装板.dxf
215 KB
292. 平台-轴承座安装板.pdf
141 KB
293. 并紧螺母.SLDPRT
329 KB
294. 弹簧.SLDPRT
391 KB
295. 惰轮轴2m.DXF
128 KB
296. 惰轮轴2m.PDF
135 KB
297. 惰轮轴2m.SLDDRW
133 KB
298. 惰轮轴2m.SLDDRW
134 KB
299. 惰轮轴2m.SLDPRT
109 KB
300. 感应器.SLDPRT
135 KB
301. 拖链下连接板300.SLDDRW
97.5 KB
302. 拖链下连接板300.SLDDRW
97.7 KB
303. 拖链下连接板300.SLDPRT
82.6 KB
304. 拖链下连接板300.dxf
93.4 KB
305. 拖链下连接板300.pdf
133 KB
306. 按钮开关.SLDPRT
96.1 KB
307. 撞针.SLDPRT
140 KB
308. 撞针块.SLDPRT
63.2 KB
309. 机架外机构.sldasm
2.16 MB
310. 欧姆龙继电器座PYF08A-E.SLDPRT
2.58 MB
311. 步进电机23HS2442.SLDPRT
255 KB
312. 活塞杆.SLDPRT
375 KB
313. 液晶显示屏.SLDPRT
140 KB
314. 缸筒.SLDPRT
192 KB
315. 脚杯.SLDASM
109 KB
316. 脚杯.SLDPRT
97.7 KB
317. 调节螺杆.SLDPRT
499 KB
318. 调节螺母1.SLDPRT
252 KB
319. 针头固定套.SLDPRT
211 KB
320. 针头支架new.SLDASM
1.62 MB
321. 铜接头(1分).SLDPRT
115 KB
322. 隔膜片.SLDPRT
169 KB
323. 驱动器.SLDPRT
544 KB
举报/反馈
免责申明:
本网站模型由用户自行上传,如权利人发现存在误传其作品情形,请及时与本站联系。
【DR-331点胶机设备】相关作品
滚动更载更多~
模型报错
模型报错类型:
分类错误
版本错误
雷同或版权问题,重复ID
图片与模型不一致
文件不完整
解压文件打不开或有问题
模型报错描述:
联系方式
提交报错
提示
×
下载该图档需要消耗300金币!
确认下载
我和会话