垫片落料模step,SolidWorks 3D模型

3D模型名称为:垫片落料模,属于机械设备,非标机械分类,软件为step,SolidWorks, 三维模型格式为sldprt,sldasm,step,可在线预览,可编辑,可供设计参考

加入收藏
模型参数

模型ID:10306536

模型大小:6.67M

软件版本: step,SolidWorks

模型格式:sldprt,sldasm,step

是否可编辑:可修改,包括参数

上传时间:2025-11-10

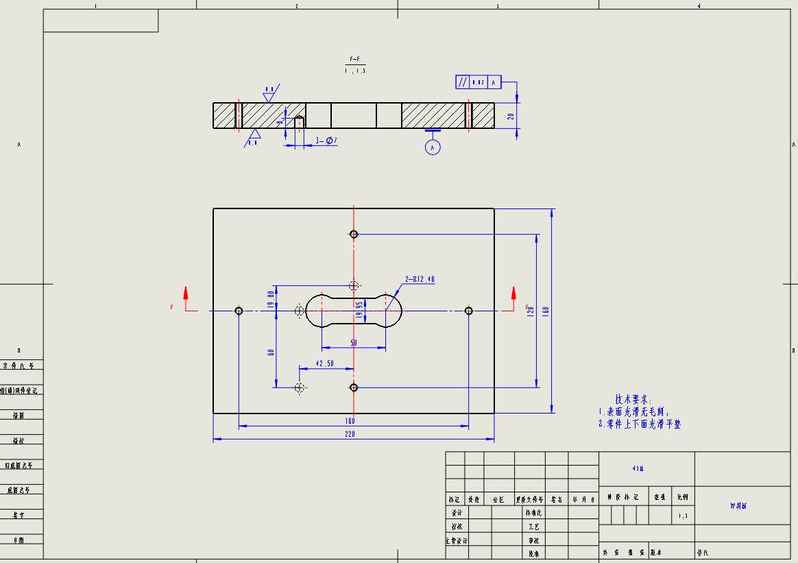
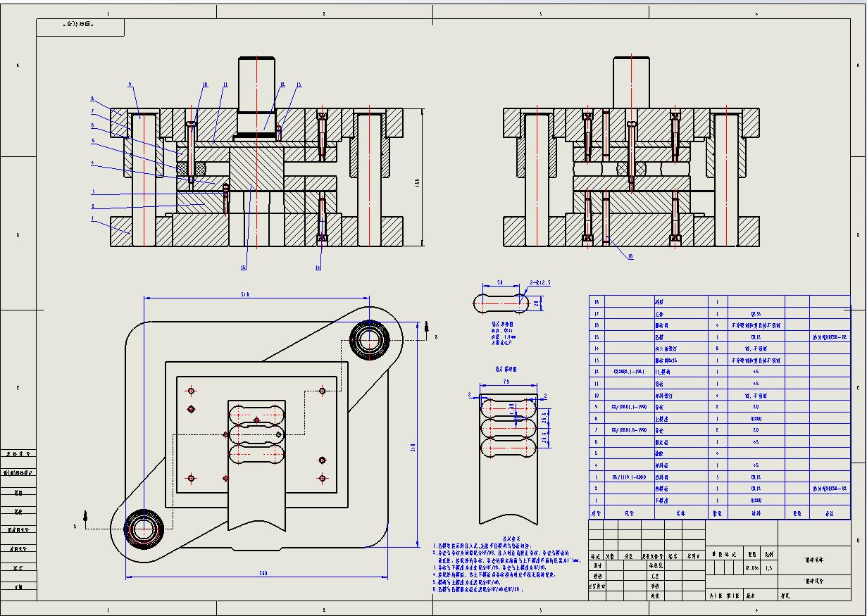
图纸介绍:

下载模型
清欢
作品: 0
粉丝: 0
文件列表
1. 13_模柄.sldprt
62.5 KB
2. 360截图20240331211952468.jpg
52.4 KB
3. 360截图20240331212009692.jpg
36.7 KB
4. 360截图20240331212104716.jpg
17.3 KB
5. 360截图20240331212132793.jpg
193 KB
6. 360截图20240331212143316.jpg
102 KB
7. 360截图20240331212200163.jpg
71.9 KB
8. 360截图20240331212213648.jpg
72 KB
9. 360截图20240331212227476.jpg
99.3 KB
10. 上模座.sldprt
201 KB
11. 上模组件.SLDASM
374 KB
12. 下模座.sldprt
76.5 KB
13. 下模组件.SLDASM
265 KB
14. 内六角螺钉.sldprt
203 KB
15. 凸模.sldprt
68 KB
16. 凹模板.sldprt
360 KB
17. 动画装配.SLDASM
509 KB
18. 动画装配.avi
3.86 MB
19. 卸料板.sldprt
184 KB
20. 卸料板组件.SLDASM
232 KB
21. 卸料螺钉.sldprt
65.5 KB
22. 固定板.sldprt
208 KB
23. 圆柱销.SLDPRT
157 KB
24. 圆柱销8x15.SLDPRT
157 KB
25. 垫板.sldprt
63.5 KB
26. 垫片落料模 动画.avi
1.02 MB
27. 垫片落料模.SLDASM
560 KB
28. 垫片落料模.SLDDRW
3.59 MB
29. 垫片落料模.STEP
1.09 MB
30. 垫片落料模动画.gif
1.31 MB
31. 导套.sldprt
70 KB
32. 导柱.sldprt
63 KB
33. 工件.SLDPRT
126 KB
34. 挡料销.sldprt
60.5 KB
35. 料带.sldprt
147 KB
36. 橡胶.sldprt
60 KB
【垫片落料模】相关作品
滚动更载更多~
提示
×

下载该图档需要消耗20金币!

确认下载
加载中