Φ273-R254 90° 短半径弯头坡口装置设计【机械传动】-优秀设计AutoCAD图档

图档名称为:Φ273-R254 90° 短半径弯头坡口装置设计【机械传动】-优秀设计,属于设备部件,管道附件分类,软件为AutoCAD, 图纸格式为dwg,可在线预览,可编辑,可供设计参考

加入收藏
模型参数

模型ID:10301272

模型大小:3.16M

软件版本: AutoCAD 2010

模型格式:dwg

是否可编辑:可修改,包括参数

上传时间:2025-11-06

图纸介绍:

下载模型
作品: 303
粉丝: 0
文件列表
1. 大带轮 .dwg
94.6 KB
2. 大带轮 .jpg
89.9 KB
3. 大齿轮 .dwg
96.1 KB
4. 大齿轮 .jpg
103 KB
5. 小带轮 .dwg
88.2 KB
6. 小带轮 .jpg
86.8 KB
7. 小齿轮 .dwg
88.2 KB
8. 小齿轮 .jpg
94 KB
9. 弯头坡口装置装配图 .dwg
284 KB
10. 弯头坡口装置装配图 .jpg
101 KB
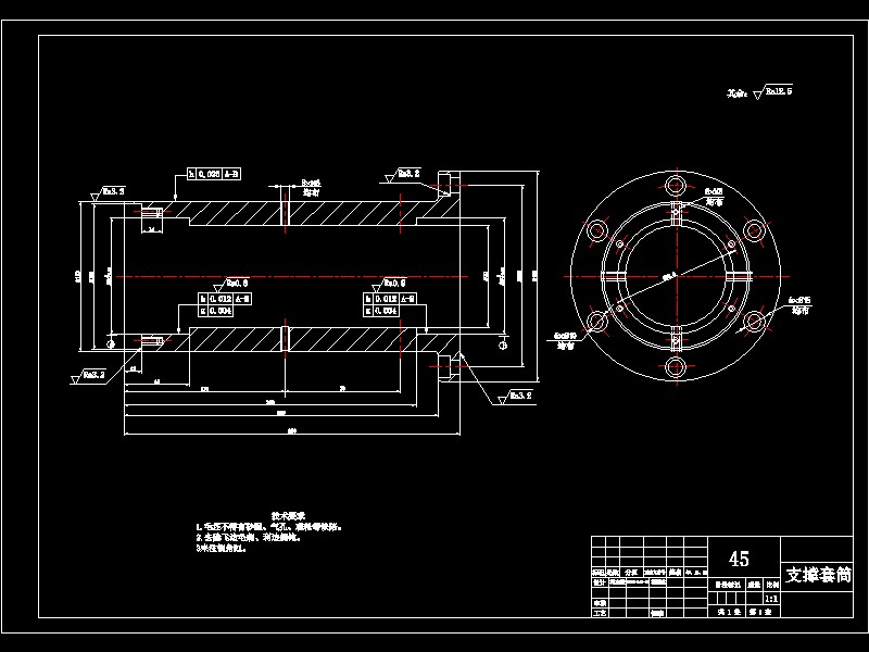
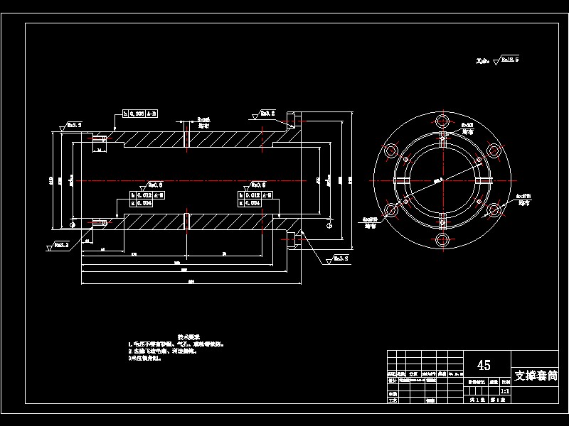
11. 支撑套筒 .dwg
95.4 KB
12. 支撑套筒 .jpg
83.5 KB
13. 文件.jpg
27.1 KB
14. 浮动刀头部装图 .dwg
114 KB
15. 浮动刀头部装图 .jpg
105 KB
16. 环形齿轮 .dwg
90.4 KB
17. 环形齿轮 .jpg
83.3 KB
18. 端盖 .dwg
83.7 KB
19. 端盖 .jpg
104 KB
20. 答辩 PPT.pptx
1 MB
21. 花键套 .dwg
83.7 KB
22. 花键套 .jpg
94.7 KB
23. 说明书.docx
398 KB
24. 说明书.jpg
83 KB
25. 轴向移动齿轮 .dwg
86.1 KB
26. 轴向移动齿轮 .jpg
111 KB
27. 输入轴 .dwg
104 KB
28. 输入轴 .jpg
96.7 KB
29. 输出轴 .dwg
109 KB
30. 输出轴 .jpg
110 KB
31. 韩志敏 传动图 .dwg
49.1 KB
【Φ273-R254 90° 短半径弯头坡口装置设计【机械传动】-优秀设计】相关作品
下载提示
×

下载该图档需要消耗10金币!

确认下载
-- 热门充值套餐 · 限时优惠 --
加载中