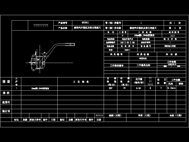
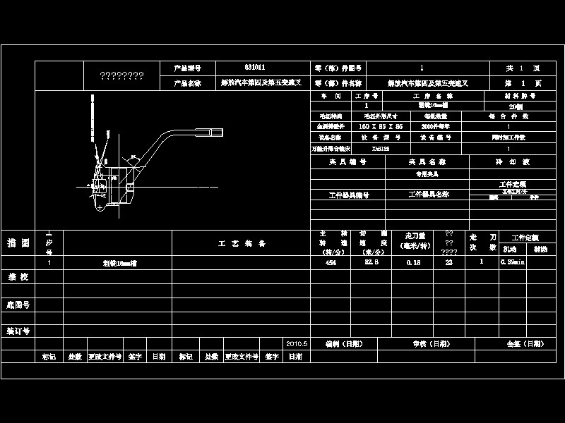
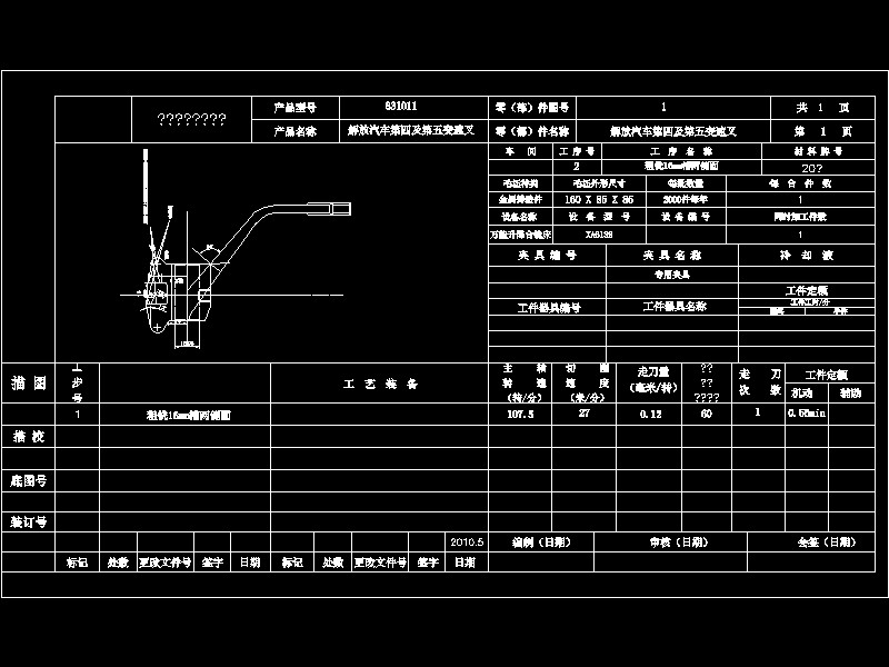
CA10B解放牌汽车第四速及第五速变速叉及钻19孔夹具设计【气缸夹紧】AutoCAD图档

图档名称为:CA10B解放牌汽车第四速及第五速变速叉及钻19孔夹具设计【气缸夹紧】,属于设备部件,工器具分类,软件为AutoCAD, 图纸格式为dwg,可在线预览,可编辑,可供设计参考

加入收藏
模型参数

模型ID:10300724

模型大小:1.48M

软件版本: AutoCAD 2004

模型格式:dwg

是否可编辑:可修改,包括参数

上传时间:2025-11-05

图纸介绍:

下载模型
作品: 284
粉丝: 0
文件列表
1. 夹具体.dwg
100 KB
2. 夹具装配图.dwg
154 KB
3. 工序一.dwg
78.5 KB
4. 工序一.jpg
103 KB
5. 工序七.dwg
78.5 KB
6. 工序七.jpg
101 KB
7. 工序三.dwg
75.8 KB
8. 工序三.jpg
105 KB
9. 工序九.dwg
80.1 KB
10. 工序九.jpg
106 KB
11. 工序二.dwg
78.9 KB
12. 工序二.jpg
104 KB
13. 工序五.dwg
76.2 KB
14. 工序五.jpg
105 KB
15. 工序八.dwg
80.1 KB
16. 工序八.jpg
106 KB
17. 工序六.dwg
78.6 KB
18. 工序六.jpg
103 KB
19. 工序十.dwg
80.1 KB
20. 工序十.jpg
106 KB
21. 工序十一.dwg
80.1 KB
22. 工序十一.jpg
106 KB
23. 工序十二.dwg
80.1 KB
24. 工序十二.jpg
106 KB
25. 工序四.dwg
77.1 KB
26. 工序四.jpg
103 KB
27. 机械加工工艺过程卡.doc
63.5 KB
28. 毛坯图.dwg
88.4 KB
29. 说明书.doc
587 KB
30. 零件图.dwg
108 KB
【CA10B解放牌汽车第四速及第五速变速叉及钻19孔夹具设计【气缸夹紧】】相关作品
下载提示
×

下载该图档需要消耗10金币!

确认下载
-- 热门充值套餐 · 限时优惠 --
加载中