基于PLC控制的直列式加工自动线设计AutoCAD,SolidWorks图档

图档名称为:基于PLC控制的直列式加工自动线设计,属于电力仪表,电气元件分类,软件为AutoCAD,SolidWorks, 图纸格式为sldprt,sldasm,dwg,可在线预览,可编辑,可供设计参考

加入收藏
模型参数

模型ID:10297022

模型大小:259.77M

软件版本: AutoCAD 2020,SolidWorks

模型格式:sldprt,sldasm,dwg

是否可编辑:可修改,包括参数

上传时间:2025-11-02

图纸介绍:

下载模型
作品: 285
粉丝: 0
文件列表
1. 1.11.SLDPRT
124 KB
2. 1.112.SLDPRT
115 KB
3. 1.5.SLDPRT
170 KB
4. 1.SLDPRT
198 KB
5. 10A链轮.SLDPRT
389 KB
6. 12-5.1-110A链轮.SLDPRT
370 KB
7. 1682140395031.mp4
26.6 MB
8. 1682140635187.mp4
38.1 MB
9. 1682140853656.mp4
154 MB
10. 1_7.11.SLDPRT
389 KB
11. 225.SLDPRT
275 KB
12. 28-A.SLDPRT
335 KB
13. 2CJ2 标准型气缸(双作用、基本型)[CDJ2B10-125Z-A].SLDPRT
278 KB
14. 2LAP40______-3.STEP.SLDPRT
108 KB
15. 2LMF30M.SLDPRT
144 KB
16. 2RQ(φ32~φ100)薄型气缸[RDQB100-100M].SLDASM
114 KB
17. 2RQ(φ32~φ100)薄型气缸[RDQB100-100M]_1.SLDPRT
583 KB
18. 2RQ(φ32~φ100)薄型气缸[RDQB100-100M]_2.SLDPRT
225 KB
19. 2传送带架子.SLDPRT
1.29 MB
20. 2导轴.SLDPRT
54 KB
21. 2底板.SLDPRT
54.2 KB
22. 2总装.SLDASM
4.6 MB
23. 2指甲啊.SLDPRT
66.8 KB
24. 2摄像头.SLDPRT
1.63 MB
25. 2摄像头底座.SLDPRT
54.7 KB
26. 2摄像头机架.SLDPRT
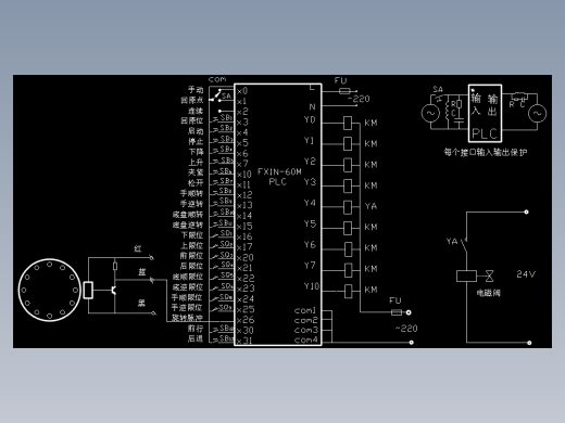
118 KB
27. 2旋转装配.SLDASM
1.37 MB
28. 2旋转轴.SLDPRT
188 KB
29. 2法兰.SLDPRT
173 KB
30. 2液压.STEP_2.SLDPRT
1.7 MB
31. 2翻转机.SLDPRT
5.39 MB
32. 2装配体2.SLDASM
37.1 KB
33. 2轴套.SLDPRT
63.2 KB
34. 2轴座.SLDPRT
96.2 KB
35. 2连杆.SLDPRT
115 KB
36. 2链条.SLDPRT
460 KB
37. 4.1.SLDPRT
238 KB
38. 5.1.SLDASM
97.6 KB
39. 5.4.SLDPRT
262 KB
40. 5.5 - 副本.SLDPRT
262 KB
41. 61904深沟.SLDPRT
378 KB
42. PLC讲解.mp4
300 MB
43. Project.gt3
0 B
44. _hdb
17.5 KB
45. checkout.xml
378 B
46. dataprotection.xml
7.94 KB
47. deep groove ball bearings gb.sldprt
488 KB
48. history.xml
4.2 KB
49. label.xml
372 B
50. labellink.xml
394 B
51. plc讲解2.mp4
158 MB
52. projectdatalist.xml
4.64 KB
53. projectlist.xml
710 B
54. securitylevel.xml
160 KB
55. storedhistory.xml
376 B
56. user.xml
180 KB
57. 上传-直列式加工自动线控制系统.doc
1.32 MB
58. 入口模组03.DWG
421 KB
59. 减速机模组07.DWG
140 KB
60. 升降台.SLDPRT
14.1 MB
61. 地脚.SLDPRT
96.6 KB
62. 方形座轴承.SLDPRT
220 KB
63. 旋转装配.DWG
120 KB
64. 独立腿.SLDPRT
174 KB
65. 生产线.gxw
906 KB
66. 生产线电路图.dwg
172 KB
67. 直列式组装.DWG
1.25 MB
68. 直列式组装.SLDASM
19.1 MB
69. 直列式组装.SLDDRW
2.22 MB
70. 直列式自动生产线.skr
38.1 KB
71. 翻转机.DWG
219 KB
72. 翻转模组.SLDDRW
962 KB
73. 翻转模组04.DWG
132 KB
74. 翻转模组_1.SLDPRT
2.74 MB
75. 翻转模组_从.SLDPRT
2.15 MB
76. 翻转组装.SLDASM
2.59 MB
77. 翻转组装.SLDDRW
340 KB
78. 翻转输送线12.SLDASM
1.41 MB
79. 翻转输送线12.SLDPRT
8.83 MB
80. 翻转输送线打开文件.SLDASM
14.9 MB
81. 翻转输送线打开文件.SLDDRW
1.92 MB
82. 翻转连接圆盘.SLDPRT
515 KB
83. 辊式传送升降台02.DWG
411 KB
84. 辊式传送升降台02.SLDDRW
624 KB
85. 镜向4.1.SLDPRT
112 KB
【基于PLC控制的直列式加工自动线设计】相关作品
下载提示
×

下载该图档需要消耗400金币!

确认下载
-- 热门充值套餐 · 限时优惠 --
加载中