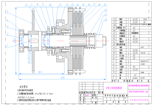
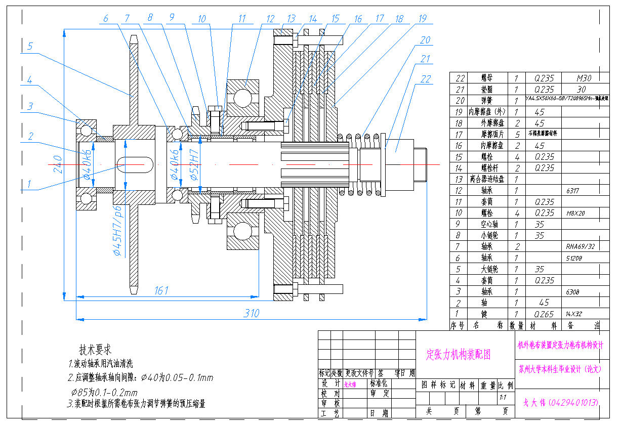
JS16-织机定张力卷布装置的设计[含全套图和文档]AutoCAD图档

图档名称为:JS16-织机定张力卷布装置的设计[含全套图和文档],属于机械设备,非标机械分类,软件为AutoCAD, 图纸格式为dwg,可在线预览,可编辑,可供设计参考

加入收藏
模型参数

模型ID:10291893

模型大小:1.4M

软件版本: AutoCAD 2007

模型格式:dwg

是否可编辑:可修改,包括参数

上传时间:2025-10-29

图纸介绍:

下载模型
晚吟
作品: 0
粉丝: 0
文件列表
1. A4横样板.dwt
108 KB
2. A4竖样板.dwt
87.3 KB
3. 任务书.doc
40.5 KB
4. 大链轮.dwg
74.8 KB
5. 定张力卷布机构中间轴.dwg
77.8 KB
6. 小链轮.dwg
67.7 KB
7. 摩擦离合器内摩擦盘.dwg
67.3 KB
8. 摩擦离合器内摩擦盘(外).dwg
64.3 KB
9. 摩擦离合器外摩擦盘.dwg
64 KB
10. 摩擦离合器连接盘.dwg
70 KB
11. 空心轴.dwg
71 KB
12. 织机定张力卷布装置的设计.doc
1.19 MB
13. 螺栓杆.dwg
70.4 KB
14. 装配图.dwg
99.2 KB
15. 装配图.png
28.6 KB
16. 轴1.dwg
84 KB
17. 轴2.dwg
90.8 KB
18. 齿 轮.dwg
73.5 KB
【JS16-织机定张力卷布装置的设计[含全套图和文档]】相关作品
滚动更载更多~
提示
×

下载该图档需要消耗10金币!

确认下载
加载中