JS20-立式加工中心主轴组件的结构设计[含全套图和文档]AutoCAD图档

图档名称为:JS20-立式加工中心主轴组件的结构设计[含全套图和文档],属于设备部件,机床附件分类,软件为AutoCAD, 图纸格式为dwg,可在线预览,可编辑,可供设计参考

加入收藏
模型参数

模型ID:10312666

模型大小:4.49M

软件版本: AutoCAD 2004

模型格式:dwg

是否可编辑:可修改,包括参数

上传时间:2025-11-16

图纸介绍:

下载模型
晚吟
作品: 0
粉丝: 0
文件列表
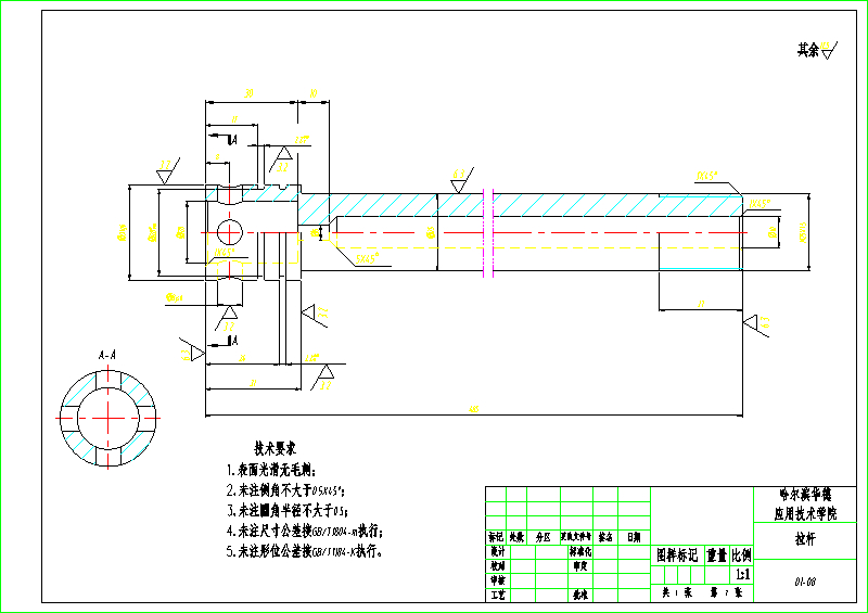
1. 主轴-A0.dwg
89.9 KB
2. 主轴-Model.jpg
205 KB
3. 垂直丝杠-A2.dwg
83.8 KB
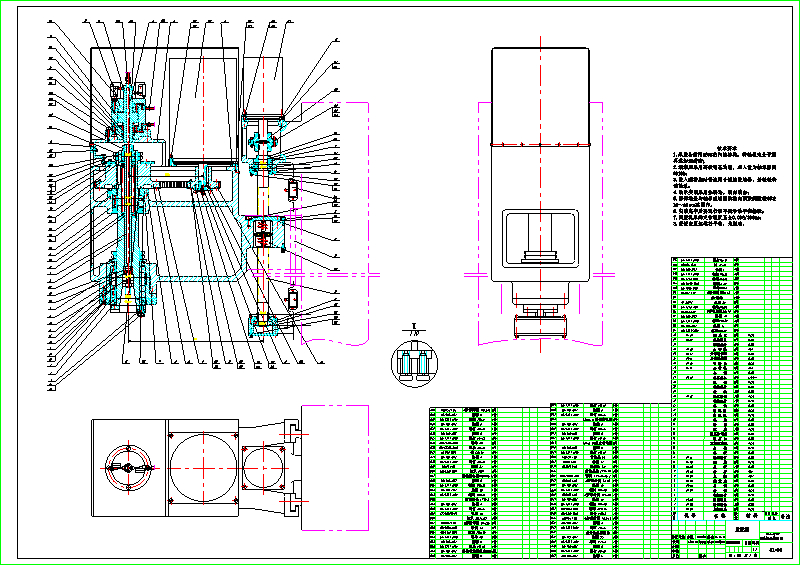
4. 总装图-Model.jpg
528 KB
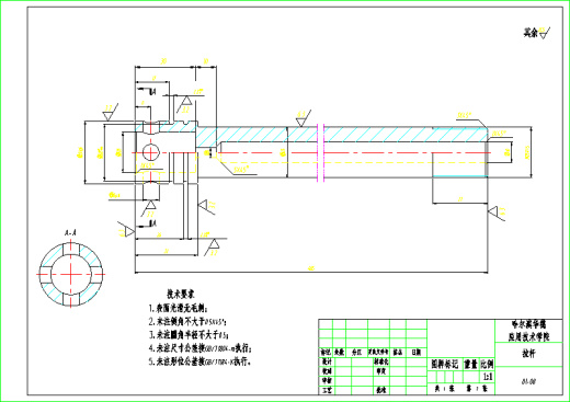
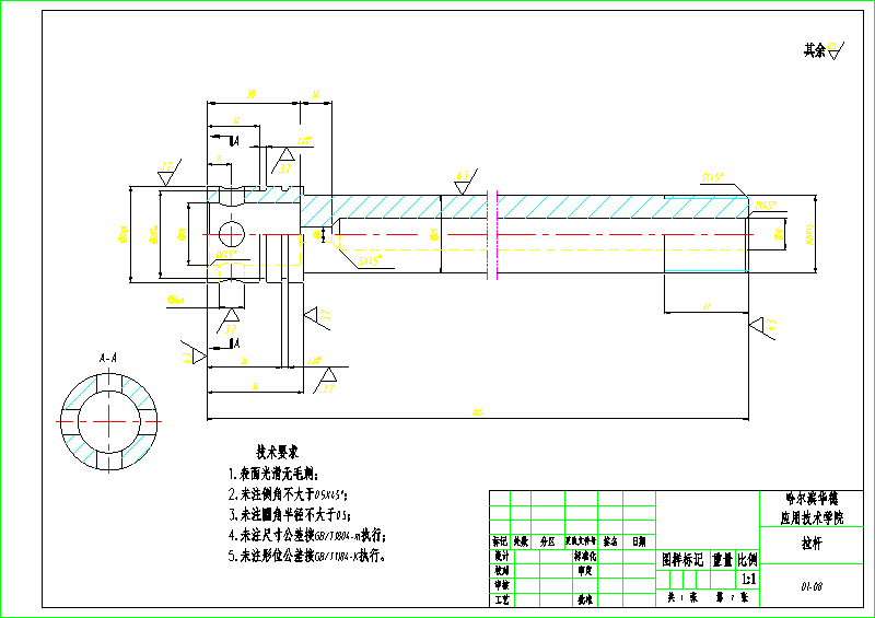
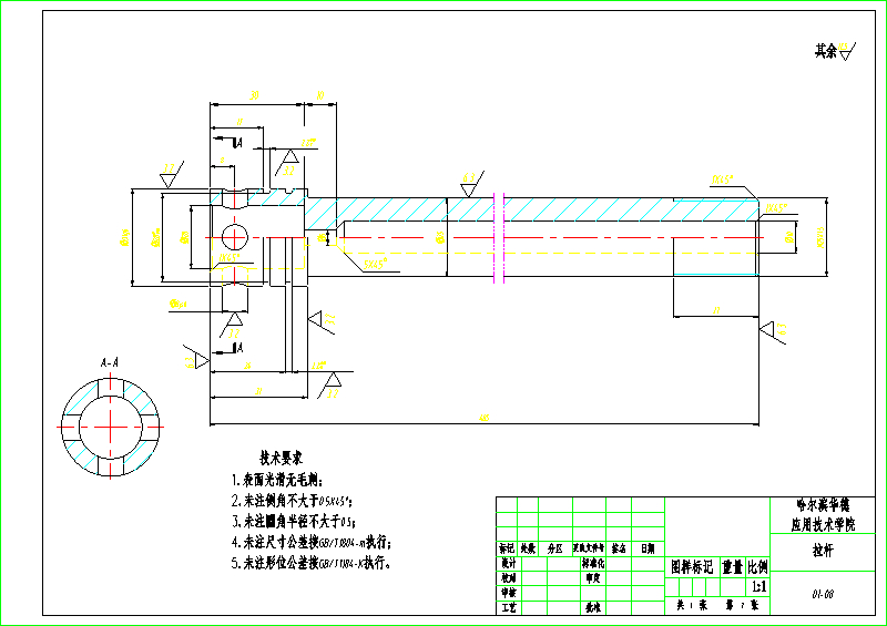
5. 拉杆-A3.dwg
66.6 KB
6. 拉杆-Model.jpg
218 KB
7. 王的.txt
0 B
8. 目录.wps
104 KB
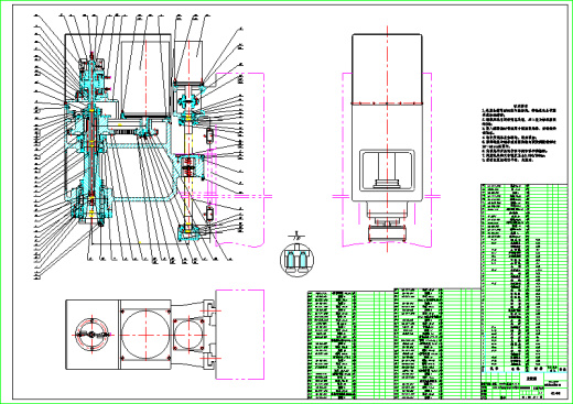
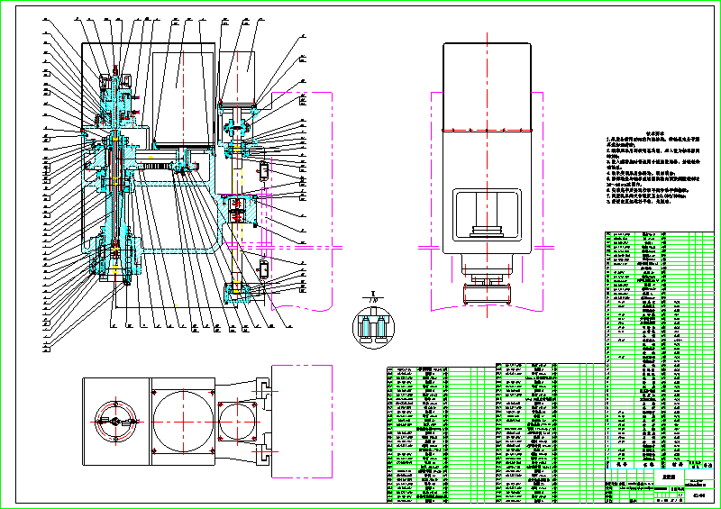
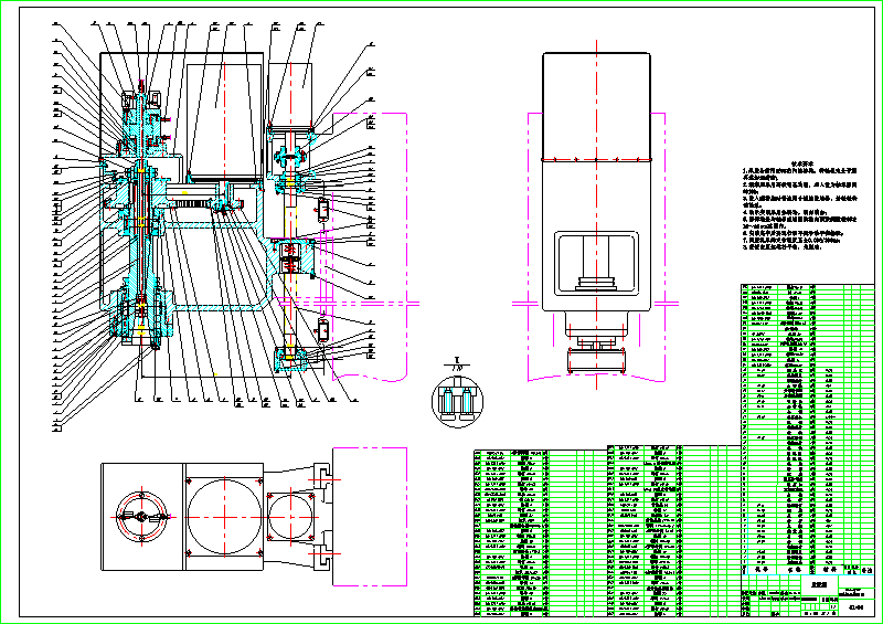
9. 立式加工中心主轴组件总装图-A0.dwg
427 KB
10. 设计说明书.doc
3.52 MB
11. 说明书.png
18.2 KB
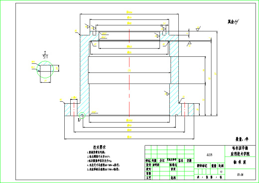
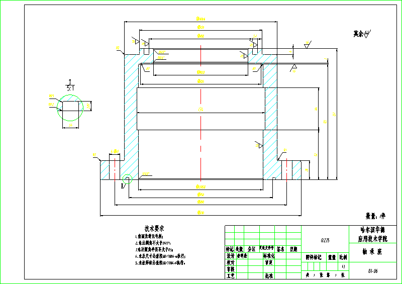
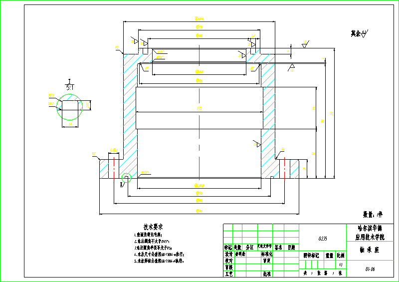
12. 轴承座-A3.dwg
82.2 KB
13. 轴承座-Model.jpg
217 KB
【JS20-立式加工中心主轴组件的结构设计[含全套图和文档]】相关作品
滚动更载更多~
提示
×

下载该图档需要消耗10金币!

确认下载
加载中