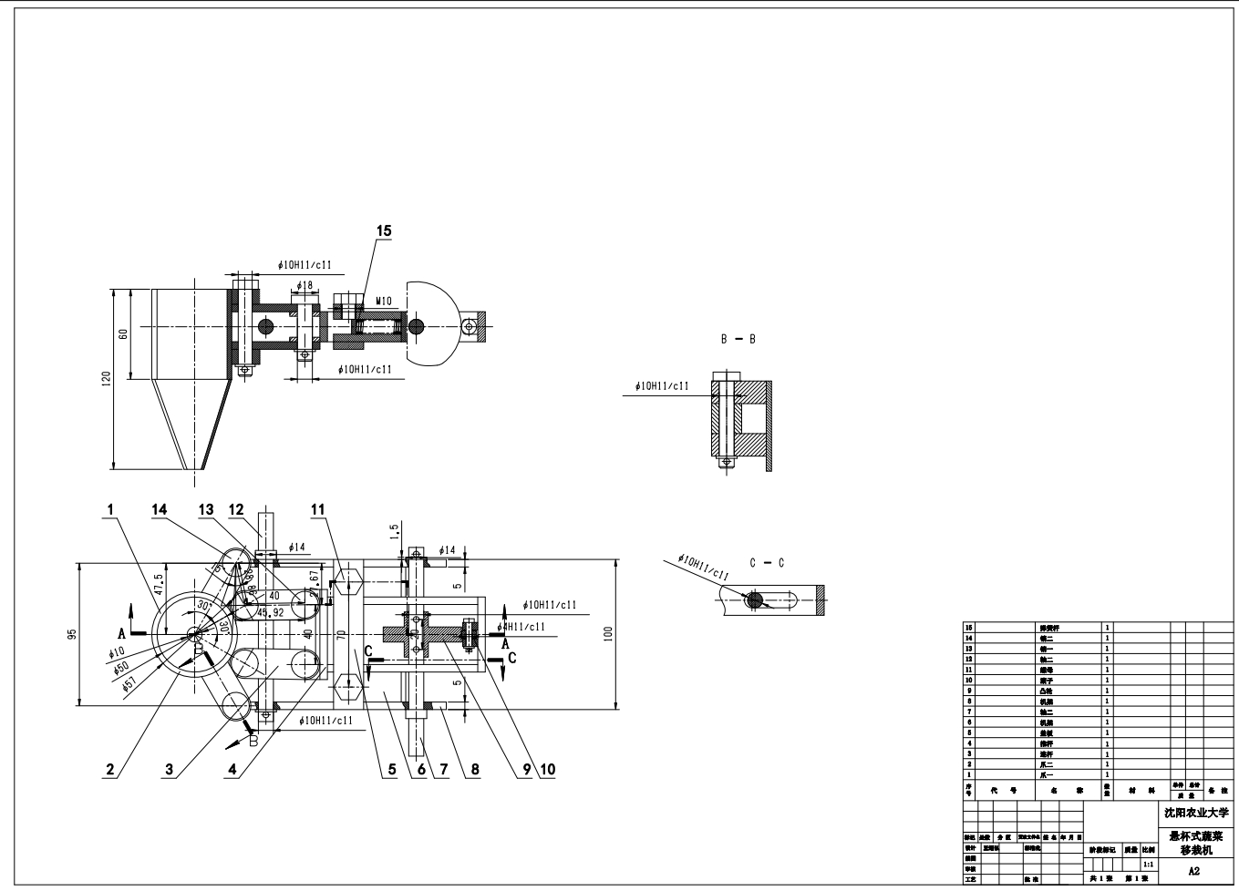
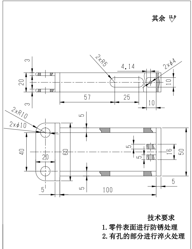
E1034-悬杯式蔬菜移栽机设计 CAD+说明书AutoCAD图档

图档名称为:E1034-悬杯式蔬菜移栽机设计 CAD+说明书,属于机械设备,非标机械分类,软件为AutoCAD, 图纸格式为pdf,dwg,可在线预览,可编辑,可供设计参考

加入收藏
模型参数

模型ID:10283460

模型大小:5.03M

软件版本: AutoCAD 2007

模型格式:pdf,dwg

是否可编辑:可修改,包括参数

上传时间:2025-08-13

图纸介绍:

下载模型
作品: 281
粉丝: 0
文件列表
1. Development of a walk-behind type hand tractor powered.pdf
1.11 MB
2. 任务书.doc
55 KB
3. 凸轮(9).dwg
61 KB
4. 外文翻译.doc
880 KB
5. 微信截图_20240320184047.png
192 KB
6. 微信截图_20240320184056.png
116 KB
7. 微信截图_20240320184101.png
118 KB
8. 微信截图_20240320184120.png
376 KB
9. 微信截图_20240320184127.png
131 KB
10. 微信截图_20240320184133.png
118 KB
11. 微信截图_20240320230311.png
346 KB
12. 指导记录表.doc
39 KB
13. 推杆(4).dwg
66.8 KB
14. 文献综述.doc
54.5 KB
15. 机架(6和8).dwg
68.3 KB
16. 滚子(10).dwg
48.6 KB
17. 爪1和爪2(1和2).dwg
62.5 KB
18. 盖板(5).dwg
52.8 KB
19. 答辩PPT.ppt
270 KB
20. 装配图.dwg
109 KB
21. 诚信承诺书.doc
27 KB
22. 说明书.doc
1.69 MB
23. 说明书撰写要求要求.doc
15 KB
24. 轴1(12).dwg
38.6 KB
25. 轴2(7).dwg
39.6 KB
26. 连杆(3).dwg
48.8 KB
27. 选题表.doc
30 KB
28. 销1和销2(13和14).dwg
50.6 KB
29. 销2.dwg
48.2 KB
【E1034-悬杯式蔬菜移栽机设计 CAD+说明书】相关作品
下载提示
×

下载该图档需要消耗20金币!

确认下载
-- 热门充值套餐 · 限时优惠 --
加载中