磨盘式花生破壳机 3D模型

机械图纸名称为:磨盘式花生破壳机,属于机械设备,非标机械分类,软件为, 三维模型格式为sldprt,pdf,dwg,sldasm,step,可在线预览,可编辑,可供设计参考

加入收藏
模型参数

模型ID:10283442

模型大小:37.75M

模型格式:sldprt,pdf,dwg,sldasm,step

是否可编辑:可修改,包括参数

上传时间:2025-08-12

图纸介绍:

下载模型
文件列表
1. 067磨盘式花生破壳机.doc
28.5 KB
2. GB/T1096-1979普通平键A型10×90(45钢).SLDPRT
88.2 KB
3. GB/T1096-1979普通平键A型8×40.SLDPRT
104 KB
4. GB/T1096-1979普通平键A型8×50(45钢).SLDPRT
92 KB
5. GB/T1096-1979普通平键C型8×50(45钢).SLDPRT
72.1 KB
6. GB/T276-94深沟球轴承6304-2Z(成品).SLDPRT
545 KB
7. GB/T31.1-1988六角头螺杆带孔螺栓A级和B级M8×150.SLDPRT
151 KB
8. GB/T5287-2002特大垫圈C级10×3(钢).SLDPRT
53.6 KB
9. GB/T5780-2000六角头螺栓C级M8×65(3.6级).SLDPRT
129 KB
10. GB/T5781-2000六角头螺栓全螺纹C级M10×25.SLDPRT
156 KB
11. GB/T5781-2000六角头螺栓全螺纹C级M10×35(3.6级).SLDPRT
135 KB
12. GB/T5781-2000六角头螺栓全螺纹C级M12×25(3.6级).SLDPRT
140 KB
13. GB/T5781-2000六角头螺栓全螺纹C级M12×35(3.6级).SLDPRT
141 KB
14. GB/T5783-2000六角头螺栓全螺纹M10×30.SLDPRT
158 KB
15. GB/T6170-20001型六角螺母A级和B级M10(A2-70级).SLDPRT
103 KB
16. GB/T6170-20001型六角螺母A级和B级M12(A2-70级).SLDPRT
105 KB
17. GB/T6170-20001型六角螺母A级和B级M8(A2-70级).SLDPRT
105 KB
18. GB/T70.1-2000内六角圆柱头螺钉M8×16(8.8级).SLDPRT
107 KB
19. GB/T70.1-2000内六角圆柱头螺钉M8×25(8.8级).SLDPRT
106 KB
20. GB/T70.1-2000内六角圆柱头螺钉M8×30.SLDPRT
128 KB
21. GB/T77-2000内六角平端紧定螺钉M8×16.SLDPRT
105 KB
22. GB/T7810-1995带方形座轴承UCFU207(成品).SLDPRT
258 KB
23. GB/T7810-1995带立式座轴承UCP207(成品).SLDPRT
317 KB
24. GB/T7810-1995带菱形座轴承UCFLU204.SLDPRT
241 KB
25. GB/T816-1988侧面带孔圆螺母8.SLDPRT
119 KB
26. GB/T96.2-2002大垫圈C级10×2.5(钢).SLDPRT
53.7 KB
27. GB/T96.2-2002大垫圈C级12×3(钢).SLDPRT
53.8 KB
28. Y2-100L1-4(2.2KW) 电机.SLDPRT
200 KB
29. 上联轴器.sldprt
144 KB
30. 下联轴器.sldprt
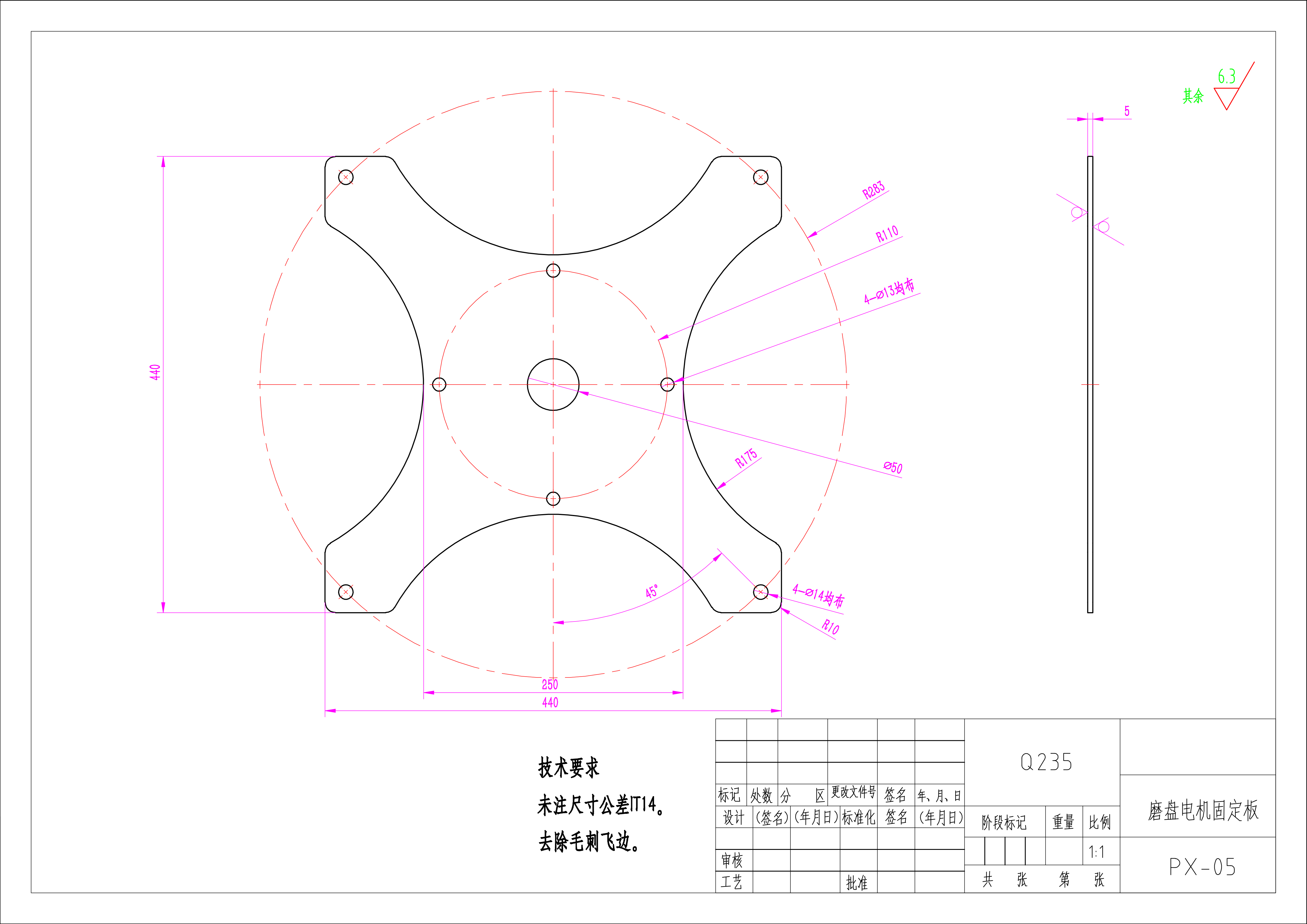
117 KB
31. 传动滚轮-Model.jpg
1.16 MB
32. 传动滚轮-Model.pdf
209 KB
33. 传动滚轮.SLDPRT
153 KB
34. 传动滚轮.dwg
88.2 KB
35. 传动轴.SLDPRT
84.9 KB
36. 入料斗固定板.SLDPRT
74 KB
37. 减速机.SLDPRT
145 KB
38. 凸轮.SLDPRT
110 KB
39. 凸轮套.SLDPRT
82.1 KB
40. 凸轮轴.SLDPRT
98.4 KB
41. 出料斗.SLDPRT
90.6 KB
42. 刮板.SLDPRT
74.1 KB
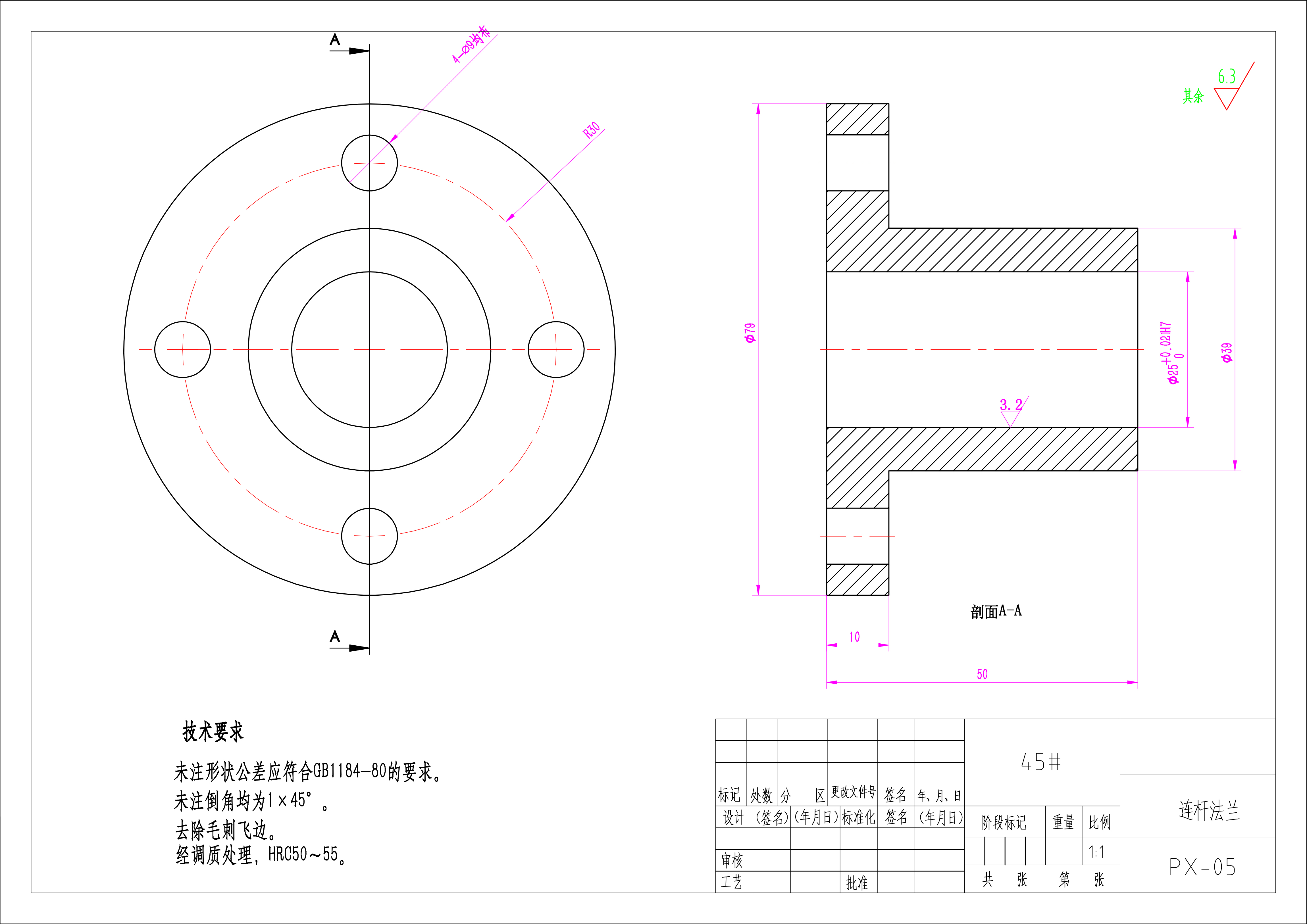
43. 动磨盘.SLDPRT
74.5 KB
44. 变频电机.SLDPRT
185 KB
45. 固定磨盘.SLDPRT
146 KB
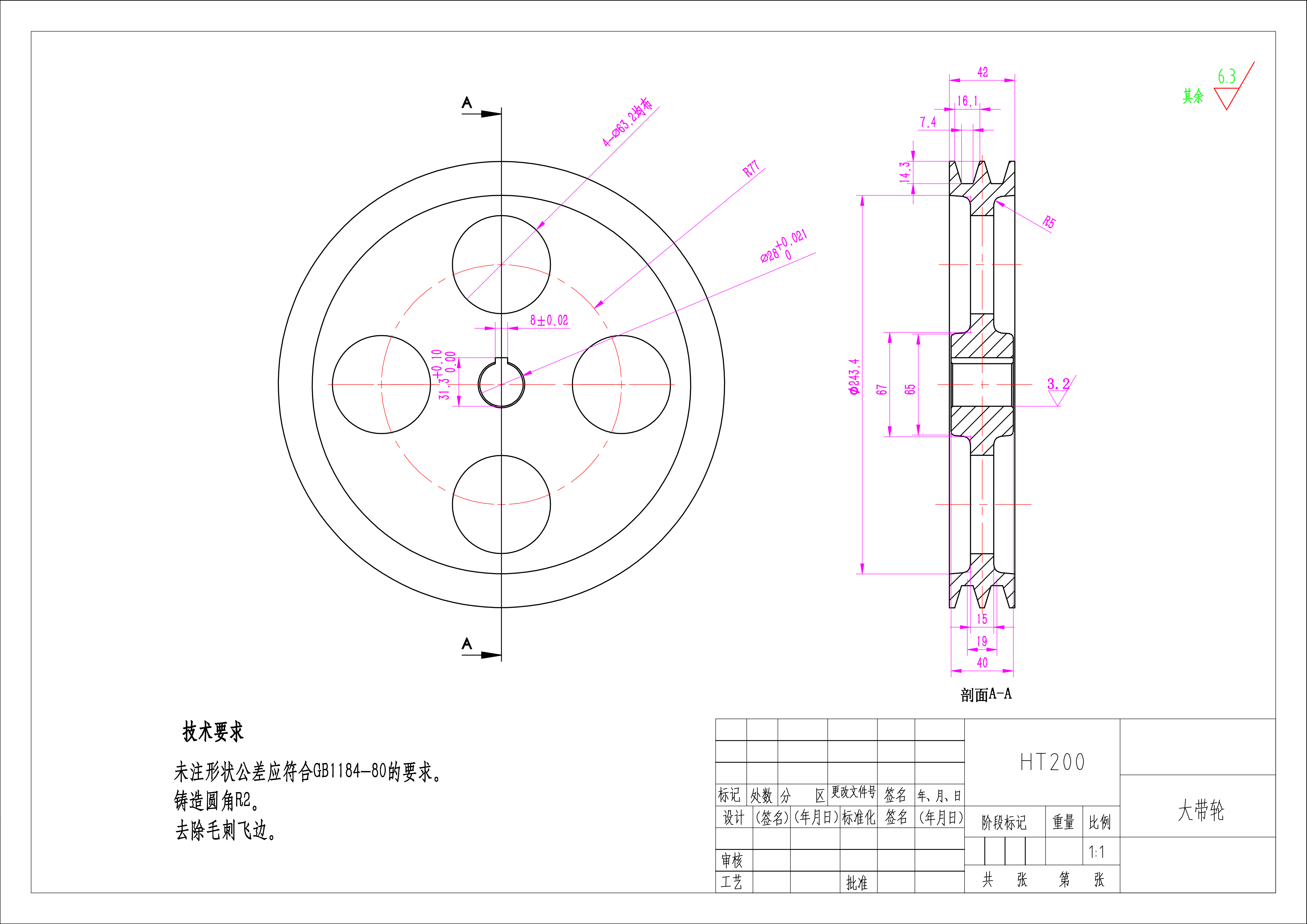
46. 大带轮_孔板轮-Model.jpg
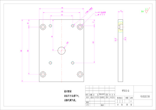
1020 KB
47. 大带轮_孔板轮-Model.pdf
144 KB
48. 大带轮_孔板轮.DWG
83.6 KB
49. 大带轮_孔板轮.SLDPRT
292 KB
50. 小带轮_孔板轮.SLDPRT
271 KB
51. 布料器.SLDPRT
67.8 KB
52. 平钢板.SLDPRT
499 KB
53. 张紧挡板.SLDPRT
90 KB
54. 张紧板.SLDPRT
109 KB
55. 张紧组件.SLDASM
373 KB
56. 机架.SLDPRT
487 KB
57. 法兰垫块.SLDPRT
70.7 KB
58. 电机固定板-Model.jpg
813 KB
59. 电机固定板-Model.pdf
102 KB
60. 电机固定板.DWG
80.2 KB
61. 电机固定板.SLDPRT
103 KB
62. 电机板.SLDPRT
71 KB
63. 碎壳出口.SLDPRT
103 KB
64. 磨盘式花生破壳机总装-Model.jpg
10.3 MB
65. 磨盘式花生破壳机总装-Model.pdf
1.62 MB
66. 磨盘式花生破壳机总装.DWG
912 KB
67. 磨盘式花生破壳机总装.JPG
1.2 MB
68. 磨盘式花生破壳机总装.SLDASM
2.01 MB
69. 磨盘式花生破壳机总装.STEP
10.4 MB
70. 磨盘电机.SLDPRT
150 KB
71. 磨盘电机固定板-Model.jpg
934 KB
72. 磨盘电机固定板-Model.pdf
89 KB
73. 磨盘电机固定板.DWG
74.7 KB
74. 磨盘电机固定板.SLDPRT
130 KB
75. 等轴侧.JPG
1.35 MB
76. 结构简图.png
48.1 KB
77. 联轴器.SLDPRT
109 KB
78. 联轴器组件.SLDASM
165 KB
79. 被动滚轮.SLDPRT
132 KB
80. 轴承座垫板.SLDPRT
56.6 KB
81. 轴承限位板.SLDPRT
86.6 KB
82. 输送机入料口.SLDPRT
129 KB
83. 输送机出料口.SLDPRT
119 KB
84. 输送机壳体.SLDPRT
162 KB
85. 输送机挡板.SLDPRT
129 KB
86. 输送机组件-Model.jpg
3.92 MB
87. 输送机组件-Model.pdf
971 KB
88. 输送机组件.DWG
345 KB
89. 输送机组件.JPG
902 KB
90. 输送机组件.SLDASM
576 KB
91. 输送皮带.SLDPRT
67.4 KB
92. 进料口.SLDPRT
93.9 KB
93. 连接柱短.SLDPRT
59.2 KB
94. 连接柱长.SLDPRT
61.4 KB
95. 连杆.SLDPRT
71.6 KB
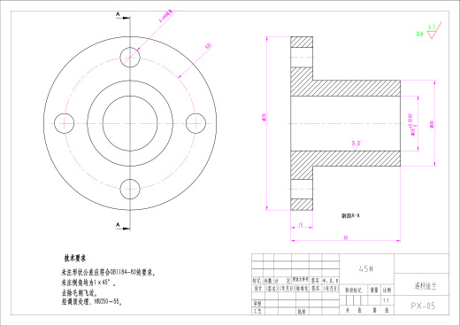
96. 连杆法兰-Model.jpg
1010 KB
97. 连杆法兰-Model.pdf
142 KB
98. 连杆法兰.DWG
70.6 KB
99. 连杆法兰.SLDPRT
75 KB
100. 连杆轴.SLDPRT
85.1 KB
101. 连杆轴固定.SLDPRT
82.5 KB
102. 震动筛三角带.SLDPRT
76.8 KB
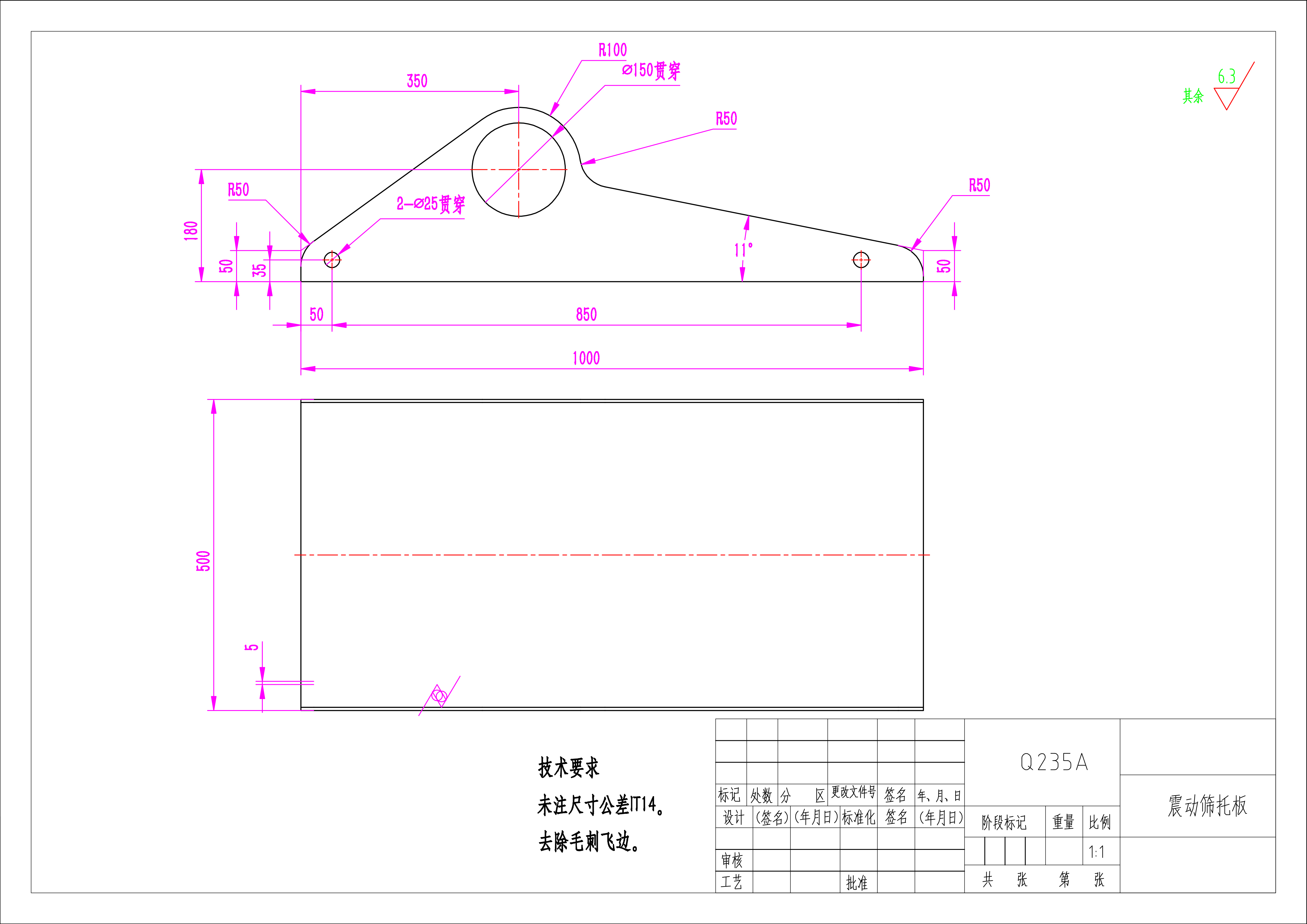
103. 震动筛托板-Model.jpg
818 KB
104. 震动筛托板-Model.pdf
107 KB
105. 震动筛托板.DWG
76.7 KB
106. 震动筛托板.SLDPRT
83.9 KB
107. 震动筛组焊.SLDASM
66.6 KB
108. 风力清选壳体.SLDPRT
105 KB
109. 风力清选支架.SLDPRT
126 KB
110. 风力清选组件.SLDASM
86.3 KB
111. 风扇.SLDPRT
87.4 KB
112. 风机三角带.SLDPRT
70.8 KB
113. 风机轴.SLDPRT
93.6 KB
下载提示
×

下载该图档需要消耗200金币!

确认下载
-- 热门充值套餐 · 限时优惠 --
加载中