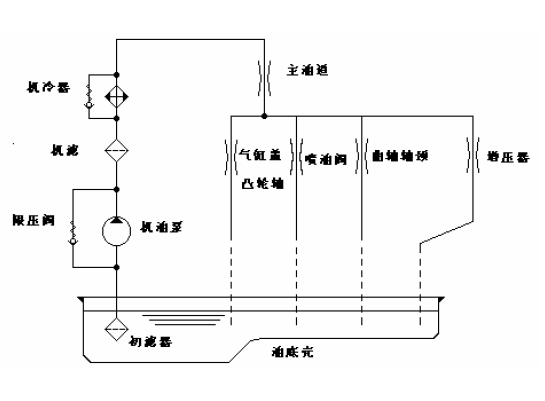
汽车发动机润滑系统的设计AutoCAD图档

图档名称为:汽车发动机润滑系统的设计,属于交通运输,车辆相关分类,软件为AutoCAD, 图纸格式为dwg,可在线预览,可编辑,可供设计参考

加入收藏
模型参数

模型ID:10270769

模型大小:2.63M

软件版本: AutoCAD

模型格式:dwg

是否可编辑:可修改,包括参数

上传时间:2025-07-22

图纸介绍:

下载模型
羡鱼
作品: 0
粉丝: 0
文件列表
1. QQ截图20151224130026.png
30.9 KB
2. QQ截图20151224130056.png
17.6 KB
3. QQ截图20151224131045.png
113 KB
4. QQ截图20151224140540.png
93.9 KB
5. QQ截图20151224143041.dxf
1.19 MB
6. QQ截图20151224143041.png
131 KB
7. QQ截图20151224143155.png
27.8 KB
8. QQ截图20151224143245.png
226 KB
9. QQ截图20151224154143.png
19 KB
10. 汽车发动机润滑系统图纸.DWG
333 KB
11. 汽车发动机润滑系统图纸.bak
332 KB
12. 汽车发动机润滑系统图纸1.DWG
334 KB
13. 汽车发动机润滑系统图纸1.bak
334 KB
14. 汽车发动机润滑系统图纸1111.DWG
335 KB
15. 汽车发动机润滑系统图纸1111.bak
334 KB
16. 汽车发动机润滑系统图纸12.26.DWG
334 KB
【汽车发动机润滑系统的设计】相关作品
滚动更载更多~
提示
×

下载该图档需要消耗10金币!

确认下载
加载中