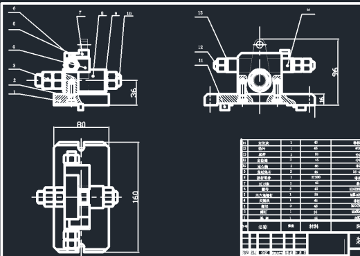
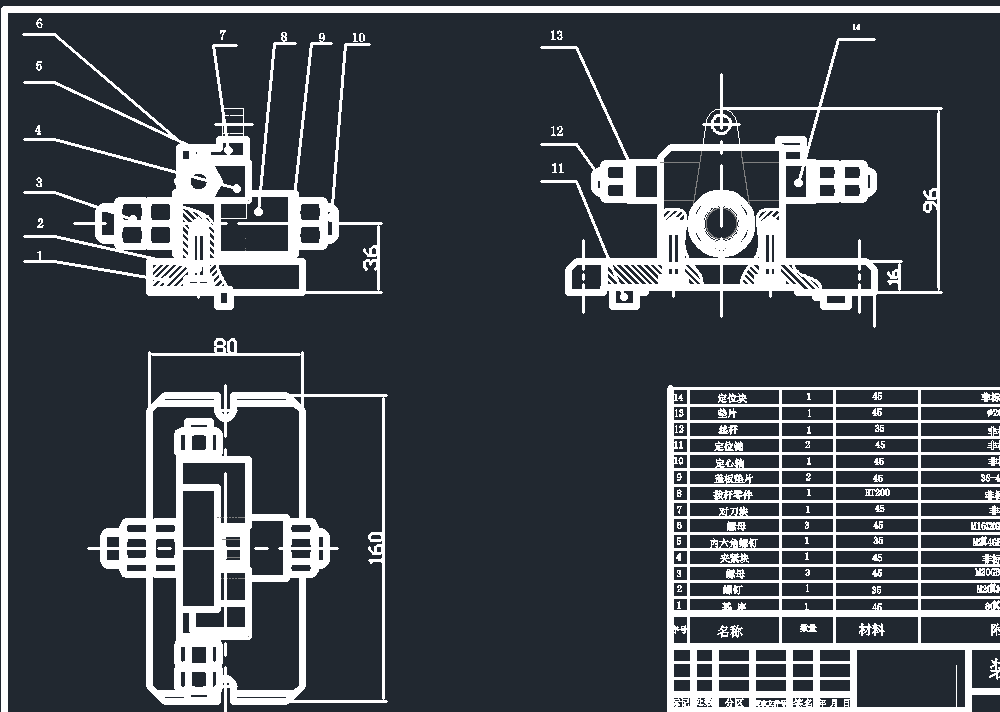
拨杆零件的加工工艺,设计铣尺寸14的铣床夹具全套AutoCAD图档

图档名称为:拨杆零件的加工工艺,设计铣尺寸14的铣床夹具全套,属于机械设备,机加工设备分类,软件为AutoCAD, 图纸格式为dwg,可在线预览,可编辑,可供设计参考

加入收藏
模型参数

模型ID:10268889

模型大小:621.76KB

软件版本: AutoCAD 2010

模型格式:dwg

是否可编辑:可修改,包括参数

上传时间:2025-07-12

图纸介绍:

下载模型
作品: 299
粉丝: 0
文件列表
1. 1.png
15.2 KB
2. 内容.png
101 KB
3. 夹具块.dwg
61 KB
4. 定心.png
12.3 KB
5. 定心轴.dwg
60.4 KB
6. 工序卡1.doc
51 KB
7. 工序卡2.doc
39 KB
8. 工序卡3.doc
41 KB
9. 工序卡4.doc
37 KB
10. 工序卡5.doc
36.5 KB
11. 工序卡6.doc
37 KB
12. 工艺过程卡.doc
47.5 KB
13. 田宇佳.dwg
56.9 KB
14. 目录.png
37 KB
15. 装配图.dwg
105 KB
16. 装配图2007A2.dwg
106 KB
17. 装配图2007A2.png
19.4 KB
18. 说明书.doc
397 KB
19. 课程设计档案袋封面-田宇佳.doc
27 KB
【拨杆零件的加工工艺,设计铣尺寸14的铣床夹具全套】相关作品
下载提示
×

下载该图档需要消耗10金币!

确认下载
-- 热门充值套餐 · 限时优惠 --
加载中