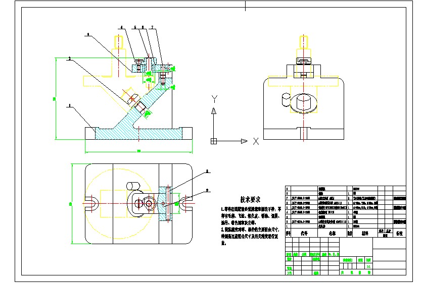
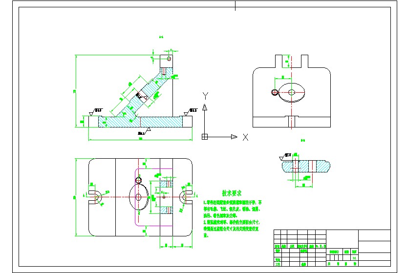
叉形支架的加工工艺设计铣100+0.2槽的铣床夹具AutoCAD图档

图档名称为:叉形支架的加工工艺设计铣100+0.2槽的铣床夹具,属于机械设备,钢结构支架分类,软件为AutoCAD, 图纸格式为dwg,可在线预览,可编辑,可供设计参考

加入收藏
模型参数

模型ID:10236687

模型大小:4.85M

软件版本: AutoCAD 2007

模型格式:dwg

是否可编辑:可修改,包括参数

上传时间:2025-06-01

图纸介绍:

免费下载
作品: 286
粉丝: 0
文件列表
1. 1a4.dwg
78.3 KB
2. 2a2.dwg
85.3 KB
3. 3a4.dwg
77.3 KB
4. a3.dwg
86.6 KB
5. acad.fas.lnk
2.04 KB
6. acad.fas.lnk
2.08 KB
7. ~WRL3006.tmp
209 KB
8. 三头钻底座——A3.dwg
86.1 KB
9. 三头钻底座——A3.jpg
70.9 KB
10. 三头钻底座设计说明书.docx
233 KB
11. 全部图纸.dwg
255 KB
12. 全部图纸七合一.dwl
55 B
13. 全部图纸七合一.dwl2
208 B
14. 全部简介.jpg
20.1 KB
15. 制定三头钻底座的加工工艺,设计钻铰Ф8H7孔的钻床夹具.rar
946 KB
16. 叉形支架零件图 (2).dwg
73.3 KB
17. 叉形支架零件图.dwg
71.6 KB
18. 夹具体.dwg
84.4 KB
19. 夹具体.dwl
55 B
20. 夹具体.dwl2
208 B
21. 夹具体1 (2).dwg
81.4 KB
22. 夹具体1.dwg
81.4 KB
23. 夹具体2 (2).dwg
111 KB
24. 夹具体2.dwg
111 KB
25. 夹具体——A2.dwg
106 KB
26. 夹具体——A2.jpg
77.6 KB
27. 夹具体装配图.dwg
102 KB
28. 夹具体装配图.dwl
55 B
29. 夹具体装配图.dwl2
208 B
30. 夹具装配图 (2).dwg
121 KB
31. 夹具装配图.dwg
121 KB
32. 夹具零件——A3.dwg
85.5 KB
33. 字数统计.jpg
18.9 KB
34. 定位心轴.dwg
80.7 KB
35. 工序.doc
265 KB
36. 工序卡 (2).doc
63 KB
37. 工序卡 .doc
63 KB
38. 工序卡.doc
250 KB
39. 工序卡.doc
52.5 KB
40. 工序卡.jpg
40.9 KB
41. 工序卡1.doc
84 KB
42. 工序卡1.doc
92.5 KB
43. 工序卡10.doc
91.5 KB
44. 工序卡11.doc
90 KB
45. 工序卡2.doc
84 KB
46. 工序卡3.doc
84 KB
47. 工序卡4.doc
59.5 KB
48. 工序卡5.doc
59.5 KB
49. 工序卡6.doc
59.5 KB
50. 工序卡7.doc
184 KB
51. 工艺过程卡 (2).doc
64 KB
52. 工艺过程卡.doc
40 KB
53. 工艺过程卡.doc
42.5 KB
54. 工艺过程卡.doc
54 KB
55. 工艺过程卡.doc
59 KB
56. 工艺过程卡.doc
64 KB
57. 带斜面的活动V形块.dwg
75.6 KB
58. 带斜面的活动V形块.dwl
55 B
59. 带斜面的活动V形块.dwl2
208 B
60. 底座——A3.dwg
92 KB
61. 拨杆工序卡.doc
242 KB
62. 未命名.dwl
55 B
63. 未命名.dwl2
208 B
64. 机械加工工艺过程卡片.doc
39 KB
65. 机械加工工艺过程卡片.doc
55 KB
66. 目录.doc
33 KB
67. 装配图a2.dwg
102 KB
68. 装配图——A2.dwg
115 KB
69. 装配图——A2.dwg
130 KB
70. 装配图——A2.jpg
96.2 KB
71. 说明书 (2).doc
272 KB
72. 说明书.doc
272 KB
73. 说明书.doc
440 KB
74. 说明书.doc
634 KB
75. 说明书.doc
748 KB
76. 说明书.doc
775 KB
77. 课程设计封面.doc
65.5 KB
78. 课程设计档案袋封面-赵深圳.doc
15.5 KB
79. 课程设计档案袋封面.doc
30 KB
80. 课程设计档案袋封面格式规范 (2).doc
31 KB
81. 课程设计档案袋封面格式规范.doc
31 KB
82. 钻模板.dwg
75 KB
83. 铸件.dwg
76 KB
84. 零件图a3.dwg
80.3 KB
【叉形支架的加工工艺设计铣100+0.2槽的铣床夹具】相关作品
下载提示
×

下载该图档需要消耗0金币!

确认下载
-- 热门充值套餐 · 限时优惠 --
加载中