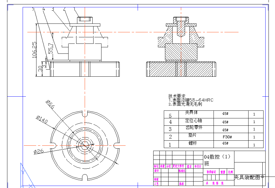
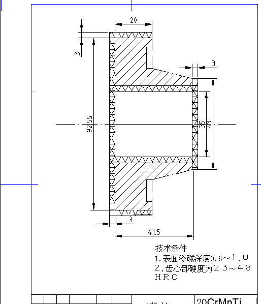
传动齿轮工艺设计AutoCAD图档

图档名称为:传动齿轮工艺设计,属于设备部件,传动部件分类,软件为AutoCAD, 图纸格式为dwg,可在线预览,可编辑,可供设计参考

加入收藏
模型参数

模型ID:10268755

模型大小:602.25KB

软件版本: AutoCAD 2004

模型格式:dwg

是否可编辑:可修改,包括参数

上传时间:2025-07-12

图纸介绍:

下载模型
陌上花开
作品: 0
粉丝: 0
文件列表
1. 1.png
23.9 KB
2. 2.png
9.68 KB
3. 3.png
39 KB
4. jiaju.jpg
21.4 KB
5. jiaju.jpg
21.4 KB
6. 传动齿轮设计说明书.doc
207 KB
7. 传动齿轮设计说明书.doc
207 KB
8. 内容.png
70.8 KB
9. 封面.doc
19.5 KB
10. 封面.doc
19.5 KB
11. 摘要.png
52.8 KB
12. 毛坯.dwg
45.3 KB
13. 毛坯.dwg
45.3 KB
14. 目录.png
21.9 KB
15. 装配.dwg
69.8 KB
16. 装配.dwg
69.8 KB
17. 零件.dwg
67.3 KB
18. 零件.dwg
67.3 KB
【传动齿轮工艺设计】相关作品
滚动更载更多~
提示
×

下载该图档需要消耗10金币!

确认下载
加载中