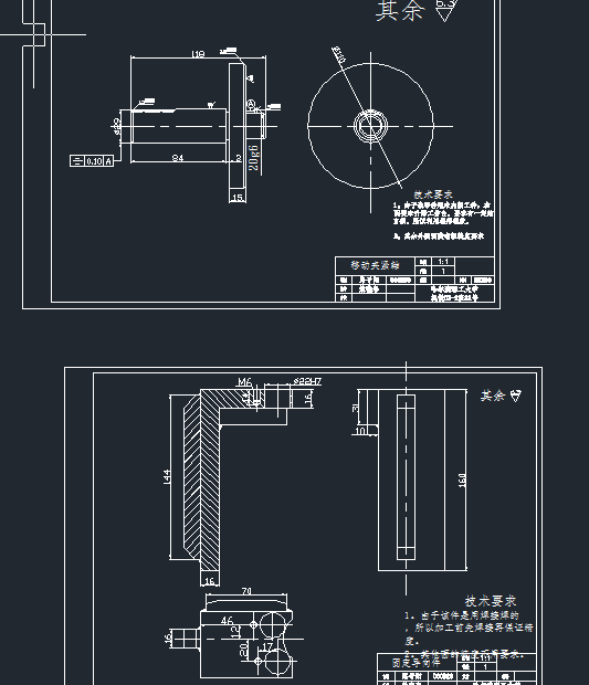
CA6140机床法兰盘(代号831004)设计(有cad源图)AutoCAD图档

图档名称为:CA6140机床法兰盘(代号831004)设计(有cad源图),属于机械设备,机加工设备分类,软件为AutoCAD, 图纸格式为dwg,可在线预览,可编辑,可供设计参考

加入收藏
模型参数

模型ID:10268696

模型大小:462.64KB

软件版本: AutoCAD 2004

模型格式:dwg

是否可编辑:可修改,包括参数

上传时间:2025-07-12

图纸介绍:

下载模型
拂袖烟
作品: 0
粉丝: 0
文件列表
1. QQ截图20160709131630.png
17.3 KB
2. QQ截图20160709131642.png
22.6 KB
3. QQ截图20160709131651.png
19.1 KB
4. 发蓝.dwg
134 KB
5. 夹具.dwg
121 KB
6. 封皮任务书.doc
24 KB
7. 工序卡.dwg
44.8 KB
8. 毛坯图.dwg
34.1 KB
9. 说明书.doc
426 KB
10. 零件.dwg
58 KB
【CA6140机床法兰盘(代号831004)设计(有cad源图)】相关作品
滚动更载更多~
提示
×

下载该图档需要消耗10金币!

确认下载
加载中