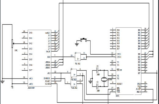
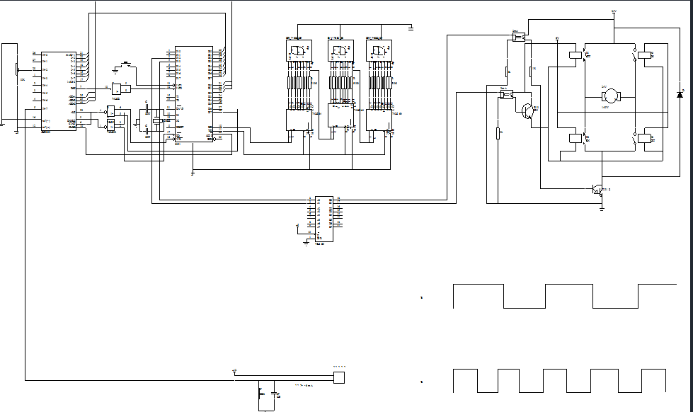
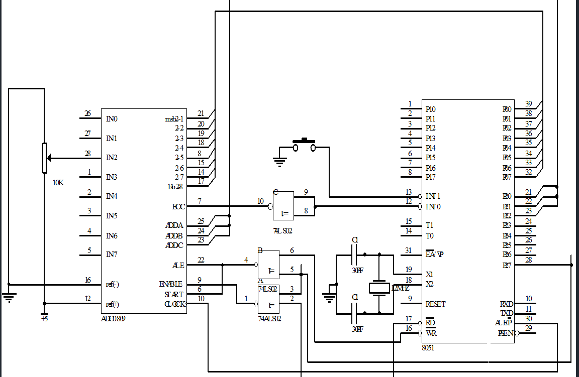
电动自行车调速系统的设计AutoCAD图档

CAD图档名称为:电动自行车调速系统的设计,属于交通运输,车辆工程分类,软件为AutoCAD, 图纸格式为dwg,可在线预览,可编辑,可供设计参考

加入收藏
模型参数

模型ID:10268626

模型大小:539.16KB

软件版本: AutoCAD 2004

模型格式:dwg

是否可编辑:可修改,包括参数

上传时间:2025-07-11

图纸介绍:

下载模型
文件列表
1. 1.png
36.9 KB
2. 2.png
23.2 KB
3. 264-300.dwg
36.4 KB
4. 3.png
44.5 KB
5. Drawing1.dwg
41.2 KB
6. Drawing2.dwg
44.7 KB
7. 任务书.doc
35 KB
8. 内容.png
37.9 KB
9. 封面.doc
26.5 KB
10. 摘要.doc
27 KB
11. 摘要.png
56.1 KB
12. 电动自行车调速系统的设计.doc
388 KB
13. 目录.doc
23.5 KB
14. 目录.png
16.7 KB
【电动自行车调速系统的设计】相关作品
下载提示
×

下载该图档需要消耗10金币!

确认下载
-- 热门充值套餐 · 限时优惠 --
加载中