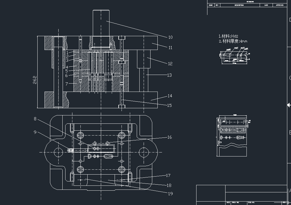
冲压模具设计方案AutoCAD图档

图档名称为:冲压模具设计方案,属于设备部件,模具类分类,软件为AutoCAD, 图纸格式为dwg,可在线预览,可编辑,可供设计参考

加入收藏
模型参数

模型ID:10268594

模型大小:953.35KB

软件版本: AutoCAD 2004

模型格式:dwg

是否可编辑:可修改,包括参数

上传时间:2025-07-11

图纸介绍:

下载模型
泊孤舟
作品: 0
粉丝: 0
文件列表
1. 1.png
23.3 KB
2. 2.png
11 KB
3. 3.png
16.3 KB
4. 内容1.png
57.2 KB
5. 内容2.png
70.5 KB
6. 凸模.DWG
51.6 KB
7. 凹模.DWG
47 KB
8. 总装图.dwg
89.2 KB
9. 摸具毕业设计.doc
935 KB
10. 横排.DWG
32.4 KB
11. 直排.DWG
32.4 KB
12. 零件.DWG
29.3 KB
【冲压模具设计方案】相关作品
滚动更载更多~
提示
×

下载该图档需要消耗10金币!

确认下载
加载中