智能巡线机器人设计AutoCAD图档

图档名称为:智能巡线机器人设计,属于机械设备,智能装置分类,软件为AutoCAD, 图纸格式为dwg,可在线预览,可编辑,可供设计参考

加入收藏
模型参数

模型ID:10268549

模型大小:1.19M

软件版本: AutoCAD 2004

模型格式:dwg

是否可编辑:可修改,包括参数

上传时间:2025-07-10

图纸介绍:

下载模型
望长安
作品: 0
粉丝: 0
文件列表
1. 传感器调试接线图.png
18.1 KB
2. 光电二极管1.dwg
131 KB
3. 光电传感器测试电路.png
14 KB
4. 内容.png
41.1 KB
5. 开题报告.doc
35.5 KB
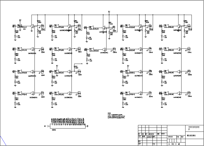
6. 总图.dwg
97.1 KB
7. 摘要.png
40.6 KB
8. 新建 文本文档.txt
987 B
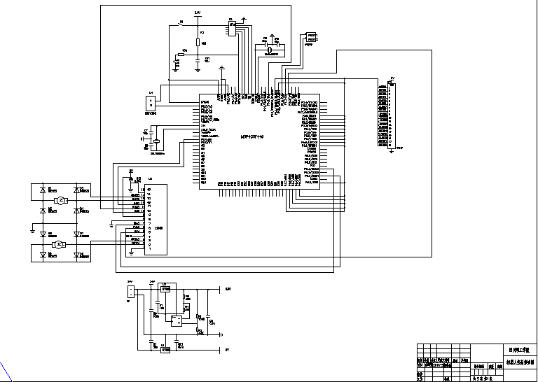
9. 机器人控制接线图.png
11.7 KB
10. 毕业设计说明书.doc
1.2 MB
11. 目录.png
19.8 KB
12. 调节电路a2.dwg
99.8 KB
13. 超声波传感器2.dwg
71.1 KB
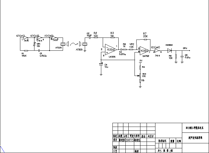
14. 超声波电路原理.png
8.61 KB
【智能巡线机器人设计】相关作品
下载提示
×

下载该图档需要消耗10金币!

确认下载
-- 热门充值套餐 · 限时优惠 --
加载中