一套完整的汽车鼓式制动器设计(含完整CAD图)AutoCAD图档

图档名称为:一套完整的汽车鼓式制动器设计(含完整CAD图),属于交通运输,车辆工程分类,软件为AutoCAD, 图纸格式为dwg,可在线预览,可编辑,可供设计参考

加入收藏
模型参数

模型ID:10267557

模型大小:447.13KB

软件版本: AutoCAD 2007

模型格式:dwg

是否可编辑:可修改,包括参数

上传时间:2025-07-08

图纸介绍:

下载模型
微雨燕双
作品: 0
粉丝: 0
文件列表
1. 制动器底板.dwg
79.4 KB
2. 制动器底板.gif
8.21 KB
3. 制动总装配图.dwg
133 KB
4. 制动总装配图.gif
10.6 KB
5. 制动蹄总成.dwg
66.6 KB
6. 制动蹄总成.gif
6.96 KB
7. 制动蹄焊合件.dwg
64.6 KB
8. 制动蹄焊合件.gif
6.77 KB
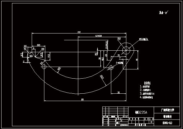
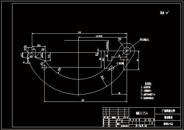
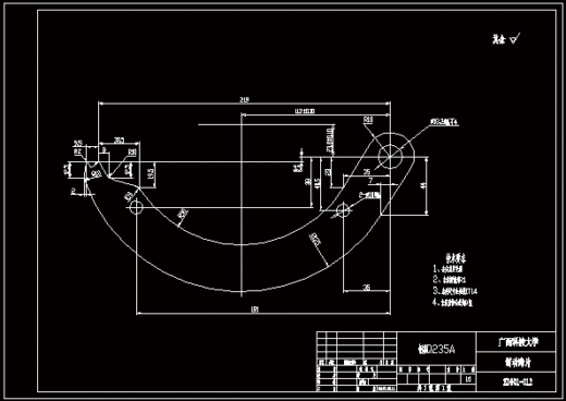
9. 制动蹄片.dwg
70.5 KB
10. 制动蹄片.gif
7.69 KB
11. 制动蹄腹板.dwg
64.1 KB
12. 制动蹄腹板.gif
5.63 KB
13. 制动轮缸总成.dwg
89.5 KB
14. 制动轮缸总成.gif
8.33 KB
【一套完整的汽车鼓式制动器设计(含完整CAD图)】相关作品
滚动更载更多~
提示
×

下载该图档需要消耗20金币!

确认下载
加载中