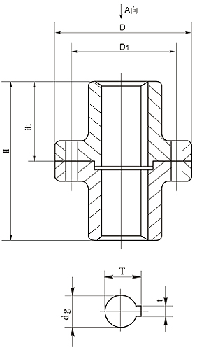
联轴器SolidWorks 3D模型

机械图纸名称为:联轴器,属于设备部件,传动部件分类,软件为SolidWorks, 三维模型格式为pdf,sldprt,sldasm,可在线预览,可编辑,可供设计参考

加入收藏
模型参数

模型ID:10257103

模型大小:560.94KB

软件版本: SolidWorks

模型格式:pdf,sldprt,sldasm

是否可编辑:可修改,包括参数

上传时间:2025-06-24

图纸介绍:

下载模型
作品: 313
粉丝: 0
文件列表
1. GBT_5835-2003_凸缘联轴器标准.pdf
307 KB
2. 凸缘联轴器.gif
3.79 KB
3. 联轴器(凸肩).SLDPRT
206 KB
4. 联轴器(凹槽).SLDPRT
348 KB
5. 联轴器图纸.jpg
64.4 KB
6. 联轴器装配.SLDASM
147 KB
下载提示
×

下载该图档需要消耗10金币!

确认下载
-- 热门充值套餐 · 限时优惠 --
加载中