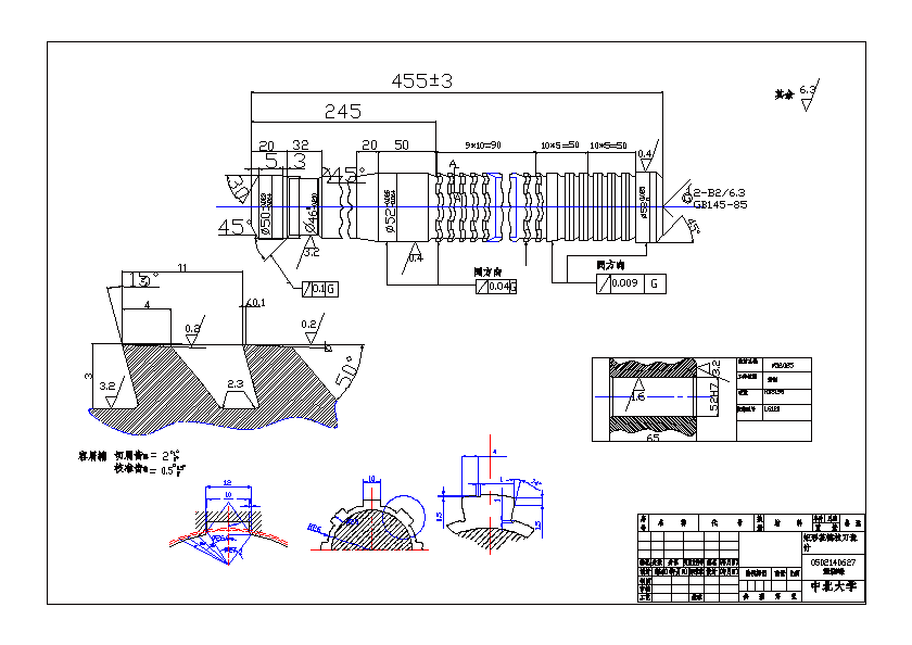
矩形花键拉刀及矩形花键铣刀设计AutoCAD图档

图档名称为:矩形花键拉刀及矩形花键铣刀设计,属于机械设备,非标机械分类,软件为AutoCAD, 图纸格式为dwg,可在线预览,可编辑,可供设计参考

加入收藏
模型参数

模型ID:10246902

模型大小:397.68KB

软件版本: AutoCAD 2004

模型格式:dwg

是否可编辑:可修改,包括参数

上传时间:2025-06-13

图纸介绍:

下载模型
五陵年少
作品: 0
粉丝: 0
文件列表
1. 图纸 拉刀.dwg
137 KB
2. 图纸 拉刀.gif
17.2 KB
3. 图纸 铣刀.dwg
59.5 KB
4. 图纸 铣刀.gif
11.9 KB
5. 目录.doc
32 KB
6. 设计说明书.doc
607 KB
【矩形花键拉刀及矩形花键铣刀设计】相关作品
滚动更载更多~
提示
×

下载该图档需要消耗10金币!

确认下载
加载中