钉磨机床设计AutoCAD图档

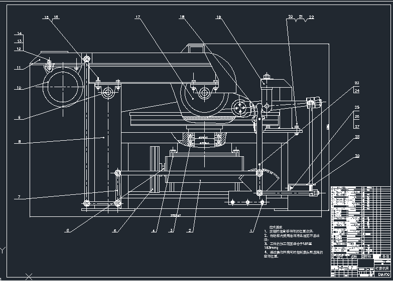
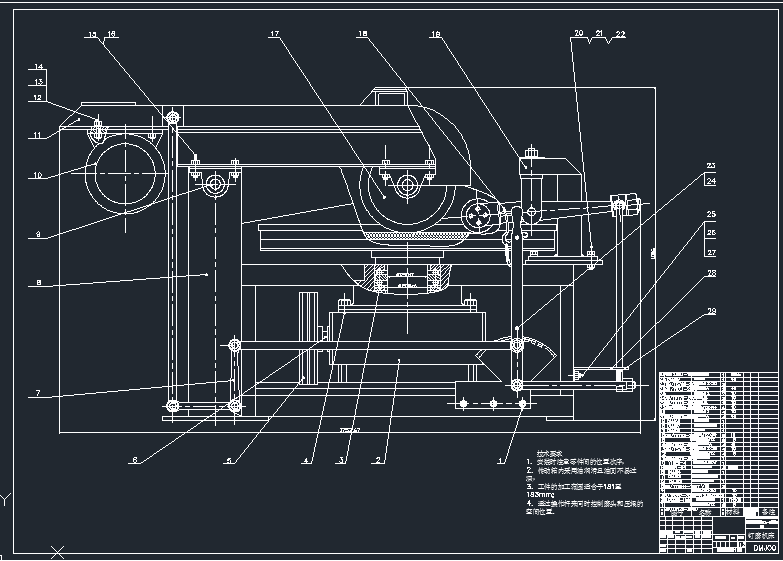
图档名称为:钉磨机床设计,属于机械设备,机加工设备分类,软件为AutoCAD, 图纸格式为dwg,可在线预览,可编辑,可供设计参考

加入收藏
模型参数

模型ID:10246743

模型大小:226.57KB

软件版本: AutoCAD 2004

模型格式:dwg

是否可编辑:可修改,包括参数

上传时间:2025-06-13

图纸介绍:

下载模型
暗夜流光
作品: 0
粉丝: 0
文件列表
1. 钉磨机床主视.dwg
106 KB
2. 钉磨机床主视.png
23.2 KB
3. 钉磨机床俯视.dwg
73.9 KB
4. 钉磨机床俯视.png
11.5 KB
5. 钉磨机床左视.dwg
87.7 KB
6. 钉磨机床左视.png
9.29 KB
【钉磨机床设计】相关作品
滚动更载更多~
提示
×

下载该图档需要消耗10金币!

确认下载
加载中