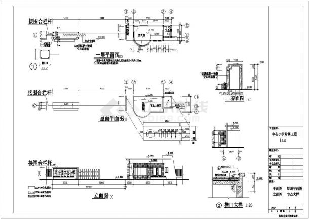
某学校门卫、围墙、旗台等全套建筑施工图纸AutoCAD图档

图档名称为:某学校门卫、围墙、旗台等全套建筑施工图纸,属于建筑设施,公用设施分类,软件为AutoCAD, 图纸格式为dwg,可在线预览,可编辑,可供设计参考

加入收藏
模型参数

模型ID:10244350

模型大小:304.12KB

软件版本: AutoCAD 2000

模型格式:dwg

是否可编辑:可修改,包括参数

上传时间:2025-06-11

图纸介绍:

下载模型
文件列表
1. 16617004148177541641.dwg
498 KB
2. rBBhIF1HSfCAbKz4AAIxZ0blJ1A414-1.jpg!610c.jpg
46.4 KB
3. rBBhIF1HSfCAbKz4AAIxZ0blJ1A414-2.jpg!610c.jpg
57.7 KB
4. 土木在线合伙人计划书.html
236 B
【某学校门卫、围墙、旗台等全套建筑施工图纸】相关作品
下载提示
×

下载该图档需要消耗10金币!

确认下载
-- 热门充值套餐 · 限时优惠 --
加载中