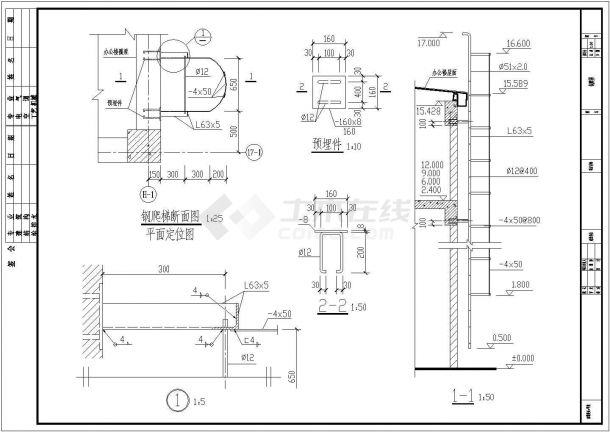
上屋顶直爬梯详图(带护笼,钢结构)CAD图纸AutoCAD图档

图档名称为:上屋顶直爬梯详图(带护笼,钢结构)CAD图纸,属于机械设备,钢结构支架分类,软件为AutoCAD, 图纸格式为dwg,可在线预览,可编辑,可供设计参考

加入收藏
模型参数

模型ID:10244318

模型大小:145.71KB

软件版本: AutoCAD 2007

模型格式:dwg

是否可编辑:可修改,包括参数

上传时间:2025-06-10

图纸介绍:

下载模型
文件列表
1. 16615799671500226138.dwg
79.6 KB
2. 16876149018916576754.dwg
79.6 KB
3. rBBhH11vNRGAF99uAAH3hBue9JY414-1.jpg!610c.jpg
43 KB
4. 土木在线合伙人计划书.html
236 B
5. 点击领取免费资料.html
224 B
【上屋顶直爬梯详图(带护笼,钢结构)CAD图纸】相关作品
下载提示
×

下载该图档需要消耗20金币!

确认下载
-- 热门充值套餐 · 限时优惠 --
加载中