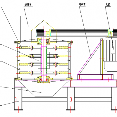
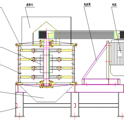
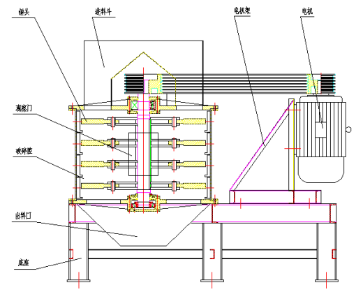
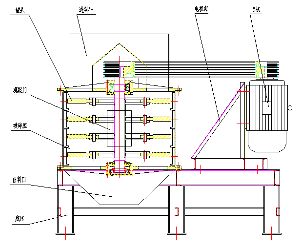
1750复合破全套图纸AutoCAD图档

图档名称为:1750复合破全套图纸,属于机械设备,非标机械分类,软件为AutoCAD, 图纸格式为dwg,可在线预览,可编辑,可供设计参考

加入收藏
模型参数

模型ID:10239378

模型大小:1.76M

软件版本: AutoCAD 2004

模型格式:dwg

是否可编辑:可修改,包括参数

上传时间:2025-06-05

图纸介绍:

下载模型
静水流深
作品: 0
粉丝: 0
文件列表
1. 1750复合破.dwg
317 KB
2. 1750复合破上盖.dwg
90.6 KB
3. 1750复合破上盖上透盖.dwg
84 KB
4. 1750复合破上盖内压盖.dwg
81.7 KB
5. 1750复合破下盖.dwg
92.9 KB
6. 1750复合破下盖下闷盖.dwg
80 KB
7. 1750复合破下盖内防尘盖.dwg
59.5 KB
8. 1750复合破下盖外防尘盖.dwg
79.1 KB
9. 1750复合破主轴.dwg
97.3 KB
10. 1750复合破主轴皮带轮.dwg
66.5 KB
11. 1750复合破出料斗.dwg
68.1 KB
12. 1750复合破底盘架.dwg
77.3 KB
13. 1750复合破总装.dwg
139 KB
14. 1750复合破总装图.dwg
138 KB
15. 1750复合破牙板.dwg
66 KB
16. 1750复合破电机架.dwg
78.2 KB
17. 1750复合破电机轮.dwg
71.8 KB
18. 1750复合破筒体.dwg
68.3 KB
19. 1750复合破转子盘.dwg
82.6 KB
20. 1750复合破转子部分.dwg
96.8 KB
21. 1750复合破进料斗.dwg
66.8 KB
22. 1750复合破销子.dwg
62.6 KB
23. 1750复合破锤头.dwg
77.7 KB
24. 1750复合破隔环套.dwg
76.4 KB
25. e1721bdaa62739704badc98fd97e3673.jpg
67.4 KB
26. small70298235239f7e7478c7949847fc936e.jpg
25 KB
27. small9414cd23f295c879f3689055a647f4ab.png
72.6 KB
28. 复合破.png
13.8 KB
29. 解压密码.htm
102 B
【1750复合破全套图纸】相关作品
提示
×

下载该图档需要消耗10金币!

确认下载
加载中