WY100液压履带挖掘机总体及工作装置设计及运动仿真(sw+说明书+cad)AutoCAD,SolidWorks图档
图档名称为:WY100液压履带挖掘机总体及工作装置设计及运动仿真(sw+说明书+cad),属于机械设备,工程机械分类,软件为AutoCAD,SolidWorks, 图纸格式为dwg,sldprt,sldasm,pdf,可在线预览,可编辑,可供设计参考
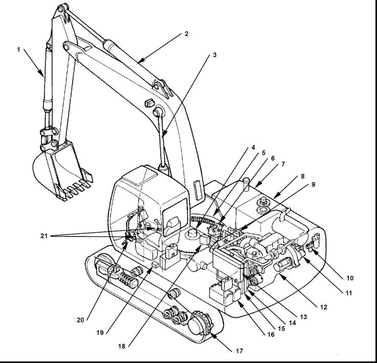
平面图
3D视图
加入收藏
模型参数
模型ID:10236281
模型大小:91.43M
软件版本: AutoCAD 2007 Alpha,SolidWorks
模型格式:dwg,sldprt,sldasm,pdf
是否可编辑:可修改,包括参数
上传时间:2025-05-30
图纸介绍:
暮云春树
+
关注
作品: 0
粉丝: 0
文件列表
1. 0.bmp
249 KB
2. 1.bmp
498 KB
3. 111.avi
183 MB
4. 11图层.bak
118 KB
5. 11图层.bak
118 KB
6. 11图层.dwg
118 KB
7. 11图层.dwg
118 KB
8. 123.avi
1.05 MB
9. 1234.dwg
82.7 KB
10. 1234.dwg
82.7 KB
11. 2.bmp
698 KB
12. 2.jpg
33.2 KB
13. 2.jpg
33.2 KB
14. 3-2.JPG
28.9 KB
15. 3-2.JPG
28.9 KB
16. 3.bmp
710 KB
17. 4-6.JPG
63.5 KB
18. 4-6.JPG
63.5 KB
19. 4-7.JPG
34.9 KB
20. 4-7.JPG
34.9 KB
21. 4-8.JPG
38.6 KB
22. 4-8.JPG
38.6 KB
23. 4-9.jpg
59.4 KB
24. 4-9.jpg
59.4 KB
25. 4.bmp
817 KB
26. 44556.avi
61.5 MB
27. 5-10.JPG
33.3 KB
28. 5-10.JPG
33.3 KB
29. 5-110.JPG
33.4 KB
30. 5-110.JPG
33.4 KB
31. 5-14.JPG
25.8 KB
32. 5-14.JPG
25.8 KB
33. 5-2.JPG
28.2 KB
34. 5-2.JPG
28.2 KB
35. 5-4.JPG
24.7 KB
36. 5-4.JPG
24.7 KB
37. 5-5.JPG
24.3 KB
38. 5-5.JPG
24.3 KB
39. 5-7.JPG
24.7 KB
40. 5-7.JPG
24.7 KB
41. 5-78.JPG
28.8 KB
42. 5-78.JPG
28.8 KB
43. 5-8.JPG
30.3 KB
44. 5-8.JPG
30.3 KB
45. 5.bmp
749 KB
46. 6.bmp
717 KB
47. 7.bmp
652 KB
48. 7.jpg
25.9 KB
49. 8.bmp
580 KB
50. Drawing15.dwg
34.9 KB
51. Drawing2.dwg
59.5 KB
52. Drawing2.dwg
59.5 KB
53. Drawing3.bak
55.5 KB
54. TU5-1.dwg
56.8 KB
55. TU5-1.dwg
56.8 KB
56. TU5-2.JPG
20.6 KB
57. TU5-2.JPG
20.6 KB
58. TU5-2.dwg
60.7 KB
59. TU5-2.dwg
60.7 KB
60. WY100液压履带挖掘机总体及工作装置设计及运动仿真(有cad图+三维图+文献翻译).doc
2.97 MB
61. XIN.dwg
90.8 KB
62. XIN.dwg
90.8 KB
63. plot.log
725 B
64. tu 4-7.dwg
66.2 KB
65. tu 4-7.dwg
66.2 KB
66. tu 4-8.dwg
69.2 KB
67. tu 4-8.dwg
69.2 KB
68. tu 4-9.dwg
77.3 KB
69. tu 4-9.dwg
77.3 KB
70. 作品.dwg
55.5 KB
71. 动画.mp4
69.1 MB
72. 动臂.SLDPRT
359 KB
73. 动臂.bmp
862 KB
74. 动臂草图.bmp
683 KB
75. 叉头.bak
51 KB
76. 叉头.bak
64.5 KB
77. 叉头.dwg
39.1 KB
78. 叉头.dwg
51 KB
79. 叉头.dwl
54 B
80. 叉头.dwl2
207 B
81. 后管.bak
40 KB
82. 后管.bak
42.5 KB
83. 后管.dwg
42.2 KB
84. 后管.dwg
42.4 KB
85. 后管.dwl
54 B
86. 后管.dwl2
207 B
87. 图4-2.png
140 KB
88. 图4-2.png
140 KB
89. 图4-6.bak
52.3 KB
90. 图4-6.dwg
60 KB
91. 图4-6.dwg
83.1 KB
92. 图4-6.dwg
83.1 KB
93. 图4-7.dwg
56 KB
94. 图4-9.JPG
29.7 KB
95. 图4-9.JPG
29.7 KB
96. 图4-9.dwg
66.5 KB
97. 图5-1.JPG
16.7 KB
98. 图5-1.JPG
16.7 KB
99. 图5-2.dwg
59.7 KB
100. 图5-2.dwg
59.7 KB
101. 图5-7.dwg
64.2 KB
102. 图5-7.dwg
64.2 KB
103. 图片1.jpg
29.4 KB
104. 图片1.jpg
29.4 KB
105. 图片3.jpg
76.2 KB
106. 图片3.jpg
76.2 KB
107. 图片4.jpg
38.3 KB
108. 图片4.jpg
38.3 KB
109. 图片5.jpg
16.6 KB
110. 图片5.jpg
16.6 KB
111. 图片6.jpg
31.6 KB
112. 图片6.jpg
31.6 KB
113. 复件 复件 零件5.SLDPRT
172 KB
114. 复件 大臂.bak
100 KB
115. 复件 大臂.dwg
101 KB
116. 复件 大臂.dwl
54 B
117. 复件 大臂.dwl2
207 B
118. 复件 装配体4.SLDASM
1.8 MB
119. 复件 装配体5.SLDASM
916 KB
120. 复件 零件2.SLDPRT
101 KB
121. 复件 零件5.SLDPRT
180 KB
122. 外文资料翻译封面及格式要求.doc
31 KB
123. 大臂.bak
71.3 KB
124. 大臂.dwg
82.1 KB
125. 实习报告.doc
29 KB
126. 工作装置图.105.z$w
164 KB
127. 工作装置图.bak
161 KB
128. 工作装置图.bak
164 KB
129. 工作装置图.dwg
160 KB
130. 工作装置图.dwg
165 KB
131. 工作装置图.dwl
54 B
132. 工作装置图.dwl2
207 B
133. 总体装配图.bak
119 KB
134. 总体装配图.dwg
119 KB
135. 总体装配图.dwl
54 B
136. 总体装配图.dwl2
207 B
137. 扭矩图.dwg
37.4 KB
138. 挖掘机.JPG
29.5 KB
139. 挖掘机.JPG
29.5 KB
140. 挖掘机.bmp
899 KB
141. 挖掘机简图.dwg
72.2 KB
142. 捕获1.JPG
38.6 KB
143. 捕获1.JPG
38.6 KB
144. 捕获11.JPG
35.4 KB
145. 捕获11.JPG
35.4 KB
146. 摘 要.doc
23.5 KB
147. 整体弯动臂.jpg
30.1 KB
148. 整体弯动臂.jpg
30.1 KB
149. 斗杆.SLDPRT
182 KB
150. 斗杆.bmp
709 KB
151. 斗杆草图.bmp
350 KB
152. 智能化液压挖掘机的研究与应用(有出处)761--中英文翻译.doc
1.79 MB
153. 格式要求.rar
1.05 MB
154. 毕业实习报告及封面格式要求.doc
31.5 KB
155. 毕业论文总结.doc
24 KB
156. 毕业论文致谢词.doc
150 KB
157. 毕业论文致谢词范文一.doc
22 KB
158. 毕业设计任务书封面.doc
25.5 KB
159. 毕业设计心得.doc
21 KB
160. 毕业设计总结.doc
28.5 KB
161. 毕业设计总结范文.doc
21.5 KB
162. 毕业设计计算书格式及内容要求.doc
1.12 MB
163. 液压系统图.bak
111 KB
164. 液压系统图.bak
154 KB
165. 液压系统图.dwg
111 KB
166. 液压系统图.dwg
111 KB
167. 翻译原文.doc
13.6 MB
168. 翻译原文.pdf
2.65 MB
169. 肖海那开题报告.doc
50.5 KB
170. 范文1.doc
22.5 KB
171. 装配体3.SLDASM
421 KB
172. 装配体4.SLDASM
225 KB
173. 装配列表.bmp
330 KB
174. 轴座.SLDPRT
240 KB
175. 轴座.bmp
818 KB
176. 轴座1.bak
40.5 KB
177. 轴座1.bak
42.8 KB
178. 轴座1.dwg
42.3 KB
179. 轴座1.dwg
42.8 KB
180. 轴座1.dwl
54 B
181. 轴座1.dwl2
207 B
182. 轴座2.bak
41.9 KB
183. 轴座2.bak
42.6 KB
184. 轴座2.dwg
41.9 KB
185. 轴座2.dwg
42.6 KB
186. 轴座2.dwl
54 B
187. 轴座2.dwl2
207 B
188. 轴座草图.bmp
244 KB
189. 铲斗.SLDPRT
344 KB
190. 铲斗.bmp
926 KB
191. 铲斗草图.bmp
834 KB
192. 铲斗连接形式.jpg
37.3 KB
193. 铲斗连接形式.jpg
37.3 KB
194. 销.SLDPRT
45.5 KB
195. 销2.SLDPRT
46.5 KB
196. 销3.SLDPRT
46.5 KB
197. 销4.SLDPRT
47.5 KB
198. 销5.SLDPRT
46 KB
199. 销6.SLDPRT
44.5 KB
200. 零件2.SLDPRT
149 KB
201. 零件3.SLDPRT
169 KB
202. 零件5.SLDPRT
154 KB
203. (肖海娜)挖掘机1.doc
48 KB
举报/反馈
免责申明:
本网站模型由用户自行上传,如权利人发现存在误传其作品情形,请及时与本站联系。
【WY100液压履带挖掘机总体及工作装置设计及运动仿真(sw+说明书+cad)】相关作品
模型报错
模型报错类型:
分类错误
版本错误
雷同或版权问题,重复ID
图片与模型不一致
文件不完整
解压文件打不开或有问题
模型报错描述:
联系方式
提交报错
提示
×
下载该图档需要消耗210金币!
确认下载
我和会话